Смотреть видео: Проект 10 0 4 кв

Предлагаю услуги по проектированию Линий электропередач 0,4 кВ, 10 кВ. - DRIVE2
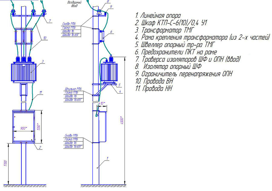
2КТП-С-2х630кВА-6/0,4кВ - Чертежи, 3D Модели, Проекты, Электроснабжение и освеще
БКТП "ЭКТА" до 10кВ
КТП-2х1000 кВА 35/0,4 кВ - РОСПОЛЬ-ЭЛЕКТРО+
Столбовая трансформаторная подстанция СТП 100кВА - Чертежи, 3D Модели, Проекты,
Библиотека технической документации
Организация допуска к объектам электросетевого хозяйства классом классом 35 220
Скачать Типовой проект ОТП.С.03.61.36 Столбовая трансформаторная подстанция напр
КТП 630 кВА 35/0,4 кВ - РОСПОЛЬ-ЭЛЕКТРО+
КТП 2х1250 кВА 35/0,4 кВ - РОСПОЛЬ-ЭЛЕКТРО+
Трансформаторная подстанция КТПС 40 кВА столбового исполнения СТП купить за 95 0
ЭЛАПС "РегионЭнергоСнаб"
Скачать Типовой проект 407-3-272 Установка комплектных трансформаторных подстанц
Скачать Типовой проект 2БКТП-1000 Альбом 1В. Блокировка 2. Электрооборудование т
МТП (СТП) мощностью 160 и 250 кВ*А - Электротехника
Скачать Типовой проект ОТП.С.03.61.36 Столбовая трансформаторная подстанция напр
Реконструкция электроснабжения зоны потребителей подстанции 110/10 кВ "Терновска
КТПС 25/10(6)/0,4(0,23)кВа
Комплектные трансформаторные
Скачать Типовой проект ОТП.С.03.61.10 Комплектная трансформаторная подстанция на
Электроснабжение. 7. СЕЛЬСКИЕ ТРАНСФОРМАТОРНЫЕ ПОДСТАНЦИИ
Монтаж комплектной трансформаторной подстанции КТП-160-10/0,4 со строительством
Железобетонные опоры для совместной подвески ВЛ 10кВ и ВЛИ 0,38кВ: шифр 22.0100
Реконструкция АВНвн 2х630 кВА с трансформаторами 2х1000 кВА Проектирование ЭЛЕКТ
Скачать Типовой проект 407-3-348.84 Трансформаторная подстанция 10/0,4 кВ мощнос
Типовой проект 407-3-494.88: Установка комплектных трансформаторных подстанций н
Фундамент под ктп киоскового типа Praim-Remont.ru
Чертежи STELZ - Производство трансформаторов и подстанций (КТП) в Самаре
Выполнение ТУ АО Мособлэнерго 150 кВт в Мытищинском районе. Установка МТП-150 кВ
Манипулятор - Услуги и сервисы в Пензе Поиск специалистов Услуги на Авито