Смотреть видео: Прицепная тележка пт 3 чертеж

Внутрицеховой прицеп на полиуретановых, литых колесах г/п 25 тонн купить в Чебок
Прицеп одноосный ПТ 1-1.8 (2000х1200 мм) в Оренбурге. Цена товара 135 960 руб.,
Купить платформенная тележка для больших грузов ПТБГ-001 по цене 45000 руб. на з
Что такое платформенная тележка: виды, строение, методы подбора и покупки
Грузовая тележка большегрузная аэродромная ГТБ-1 купить по цене от 102000 руб. в
Внутрицеховой прицеп на полиуретановых, литых колесах г/п 25 тонн купить в Чебок
Тележка грузовая на колесах до 3х тонн купить в Тобольске Готовый бизнес и обору
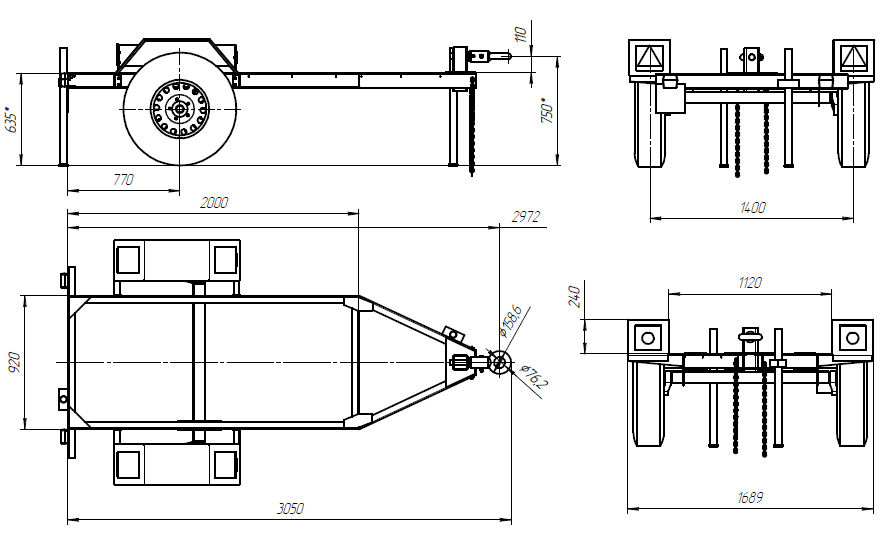
Прицепная тележка ПТ-3
Тележка большегрузная БТ-5-К-1 1250x3000 - РусскаяФерма.ру
Телега большегрузная с прицепным устройством БТ 1 К, гарантия 1 год
Тележка НЕВА двухосная прицепная В-000038468 - цена, описание, характеристики, о
ПТС-4 ""Дупло"" - Тягачи и специальные машины - Бронетехника - Вооружение
Купить Прицеп УНИВЕРСАЛ (8213 05), цены - ТД КУРГАНСКИЕ ПРИЦЕПЫ
Схема тележки для мотоблока
Рис.3 Подгруппа Тележка поворотная. 2ПТС-4 мод 887Б ЗАО 'Беларусь-МТЗ'
Поворотный механизм для прицепа
Тележки 5 тонн
Платформенные тележки грузовые и самоходные колесные передаточные, электротележк
Прицеп - тележка транспортная - подкатная Завод LEX
Тележка - прицеп СМЖ-154Б в Иваново (Тележки передаточные) - Родниковский литейн
Тележка самоходная. Погрузчик КПШ-5 - Чертежи, 3D Модели, Проекты, Подъемно тран
Рама поворотной тележки прицепа - Чертежи, 3D Модели, Проекты, Прицепы и полупри
Тележка передняя 8332-03-2822010, 8332-03-2822011 НефАЗ-8332 (2009) (Чертеж № 39
Тележка 4-колесная платформенная тележка платформенная большегрузная (3т) без бо
Чертежи для телеги мотоблока - Сообщество "Мотоблоки (и все что с ними связано)"
Чертёж автомобильной одноосной тележки-прицепа
Чертёж общего вида одноосного автомобильного прицепа-шасси модели ТАПЗ-755
каким должен быть прицеп - DRIVE2
Чертижи на прицеп - DRIVE2
Чертежи конструкции поворотной рамы тележки прицепа
Тележка DDE прицепная (складная, г/п 400кг, кузов разгрузка - способом опрокидыв
ПРИЦЕПНАЯ ТЕЛЕЖКА ДЛЯ ПЕРЕВОЗКИ СЕЛЬСКОХОЗЯЙСТВЕННЫХ ЖАТОК-АДАПТЕРОВ (ВАРИАНТЫ).
Рама поворотной тележки прицепа - Чертежи, 3D Модели, Проекты, Прицепы и полупри
Тележка-прицеп СМЖ-154 на рельсовом ходу. купить по цене 960000 ₽ в Челябинске н
Тележки - сайт СЦБИСТ
БТ 3Н (1250х3000) без колес купить за 135798 ₽ в Москве
Двухосный прицеп
Общие сведения - сайт СЦБИСТ
МОТОГРУЗОВИЧОК "ОСЛИК" МОДЕЛИСТ-КОНСТРУКТОР
Прицеп для лодки размеры чертежи