Смотреть видео: Принципиальную схему телевизора polar модель 55ltv3101

Схема блока питания телевизора: принцип работы, возможные причины неисправности
Ремонт POLAR - Форум радиолюбителей
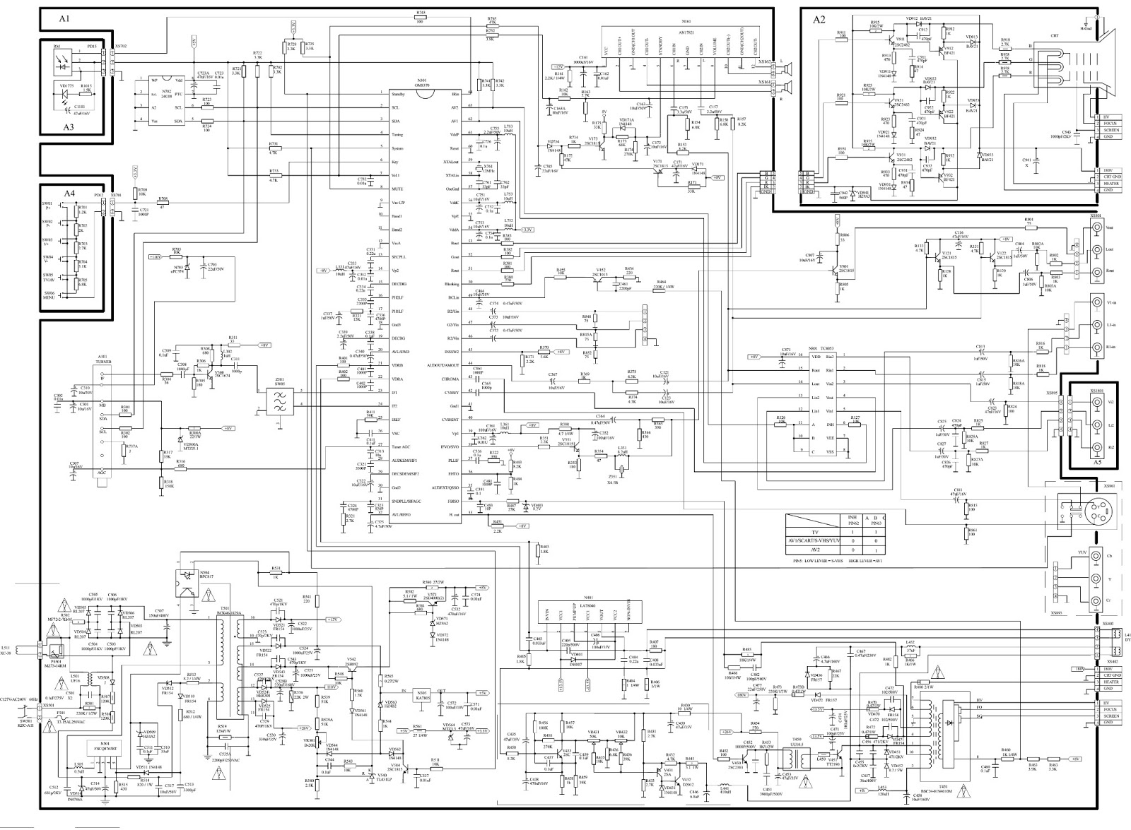
POLAR 54CTV3270 PH03 CHASSIS - TDA9361-EA1 , KA5Q0765RT , LA SCH Service Manual
Polar ER969S схема
Схема телевизора polar 51ltv2010
POLAR S52R - CTV832R , TDA8842 , TDA4601 , TDA9302H , TDA705 SCH Service Manual
Ремонт POLAR - Форум радиолюбителей
Схема телевизора polar 54ctv3368
Polar 17LTV10-20 схема и сервисный режим Polar 17LTV10-20 - Все для ремонта элек
POLAR S52R - CTV832R , TDA8842 , TDA4601 , TDA9302H , TDA705 SCH Service Manual
POLAR PH02-C CHASSIS SCH Service Manual download, schematics, eeprom, repair inf
OPERA op-3728 после молнии Форум по ремонту Monitor
Инверторы ЖК телевизоров POLAR ТВ шасси: SLT-020/021/022 - RadioRadar
Polar 43LTV4005 - Polar - KenotronTV
POLAR 54CTV3270 PH03 CHASSIS - TDA9361-EA1 , KA5Q0765RT , LA SCH Service Manual
Master Electronics Repair !: POLAR 37CTV3265 - NISATTO PH03 - SCHEMATIC (CIRCUIT
BEKO POLAR CHASSIS S07 Service Manual download, schematics, eeprom, repair info
Electro help: PHILCO PH-21 - SCHEMATIC DIAGRAM Circuit Diagram - Used ICs - STR-
POLAR 54CTV3150,3155 CH CN-9EA SCH Service Manual download, schematics, eeprom,
Схема телевизора polar 51ltv2010
TCL CHASSIS M13 SCH Service Manual download, schematics, eeprom, repair info for
KONKA T3888ND TMP87PM36M TA888OCN-D Service Manual download, schematics, eeprom,
Не включается телевизор Томсон лампочка не горит
TCL CHASSIS S11 SCH Service Manual download, schematics, eeprom, repair info for
POLAR 54CTV4029 выгорел блок питания. Форум по ремонту Monitor
Схема телевизора polar 63ctv3052
Polar 54CTV-5075 на экране горизонтальные полосы(решено)
DISTAR DT 2133NT TMP87PS38N 24C04 TB1238N TDA16846 TA8403 TDA7496 TDA9801 TDA987
HORIZONT FCT410 - MTV212 , STV6888 , UC3842 , STV9302 - TV D SCH Service Manual
Купить Телевизор Polar 55 LTV3101 в каталоге интернет магазина М.Видео по выгодн
HORIZONT 29E07 29EF05 25E06 M36 CHASSIS SCH Service Manual download, schematics,
Схема телевизора ctv
HORIZONT 25C01 Service Manual download, schematics, eeprom, repair info for elec
Polar 51CTV4011 - не запускается БП (РЕШЕНО)
HORIZONT 55-CTV 11AK30-A4 SCH Service Manual download, schematics, eeprom, repai
Service manual : POLAR 54CTV3152, 37CTV3150 POLAR 54CTV3152, 37CTV3150 CN-9EA1.r
TV CHASSIS 17MB20 Service Manual download, schematics, eeprom, repair info for e
SHIVAKI STV-1439 STV-1469 Service Manual download, schematics, eeprom, repair in
Схема телевизора горизонт 54ctv 655 фото
Телевизор горизонт схема: найдено 72 изображений