Принципиальная схема платы управления baxi eco nova



Принципиальная схема платы управления baxi eco nova
Maxi-boilers eco 18-se Опознать элемент Форум по ремонту Monitor
Принципиальная схема платы управления baxi eco nova
Wholesale Camisa plus size High-end Casual contrast color golf t shirts cotton S
Принципиальная схема платы управления baxi eco nova
Honeywell CS0162E-LS Rev.B от котлов Baxi или Westen Quasar - Копии схем и печат
Принципиальная схема платы управления baxi eco nova
Часть схемы Honeywell CS0261F Baxi С паяльником по жизни! Дзен
Принципиальная схема платы управления baxi eco nova
Baxi схема платы

Принципиальная схема платы управления baxi eco nova
Baxi Luna 3 1.310 Fi котел газовый* - купить недорого, хорошие цены на все товар
Принципиальная схема платы управления baxi eco nova
Продажа и подключение различных терморегуляторов к газовому котлу в Калининграде
Принципиальная схема платы управления baxi eco nova
Установка и эксплуатация котлов Beretta City
Принципиальная схема платы управления baxi eco nova
Электронный блок управления (плата) для котла Arderia (2080833) - купить в интер
Принципиальная схема платы управления baxi eco nova
ЗАПЧАСТИ :: ЗАПЧАСТИ ДЛЯ КОТЛОВ :: BAXI :: Платы :: 766487600 Электронная плата
Принципиальная схема платы управления baxi eco nova
5676960 Электронная плата Beretelli (Baxi)
Принципиальная схема платы управления baxi eco nova
HONEYWELL IGNITION CONTROL AM10XX TM10XX SCH Service Manual download, schematics
Принципиальная схема платы управления baxi eco nova
Автоматика управления LC06.10 Bertelli & Partners - Копии схем и печатных плат у
Принципиальная схема платы управления baxi eco nova
Электронная плата управления для BAXI Eco Nova S4962DM3219, 06053401581 - купить
Принципиальная схема платы управления baxi eco nova
Картинки СХЕМА ПОДКЛЮЧЕНИЯ ГАЗОВОГО КОТЛА БАКСИ
Принципиальная схема платы управления baxi eco nova
Котел газовый Immergas Maior Eolo 32 4 E 3.020924 - купить недорого, хорошие цен
Принципиальная схема платы управления baxi eco nova
Илья Мыльников - Ремонт техники, Ремонт и установка кондиционеров, Ремонт и уста
Принципиальная схема платы управления baxi eco nova
Автоматика управления LC06.10 Bertelli & Partners - Копии схем и печатных плат у
Принципиальная схема платы управления baxi eco nova
Cs0261f фото, видео - 38rosta.ru
Принципиальная схема платы управления baxi eco nova
Электронная плата (bertelli) BAXI ECO-3 COMPACT (JJJ005676960) купить в Нижнем Н
Принципиальная схема платы управления baxi eco nova
Плата BAXI PCB ECO-3 COMPACT (5680230)
Принципиальная схема платы управления baxi eco nova
Электронная плата DM3219 ECO Nova Baxi 200025365 - купить в интернет-магазине по
Принципиальная схема платы управления baxi eco nova
Baxi ECO Four 240 i котел газовый - купить недорого, хорошие цены на все товары
Принципиальная схема платы управления baxi eco nova
Плата Bosch GAZ 3000W в Уйском, цена 7 000 руб. Объявления о продаже в категории
Принципиальная схема платы управления baxi eco nova
Baxi Main 5 24 Fi котел газовый* - купить недорого, хорошие цены на все товары в
Принципиальная схема платы управления baxi eco nova
ЭЛЕКТРОННАЯ ПЛАТА УПРАВЛЕНИЯ КОТЛА БАКСИ BAXI MAIN FOUR СЕРАЯ ПАНЕЛЬ арт. 710591
Принципиальная схема платы управления baxi eco nova
Baxi ECO 240i 24/33 Схемы электрических соединений
Принципиальная схема платы управления baxi eco nova
Baxi ECOFOUR 1.24 32/33 C голубой м коричневый n черный r красный g v желтый зел
Принципиальная схема платы управления baxi eco nova
Электронная плата для газовых котлов Baxi ECO-5, MAIN-5 - купить Электронная пла
Принципиальная схема платы управления baxi eco nova
Baxi Mainfour 24 kombi kazán nincs szikra Elektrotanya
Принципиальная схема платы управления baxi eco nova
Котел настенный LUNA PLATINUM+ 33 GA (28 кВт) 7219693 купить с доставкой в Санкт
Принципиальная схема платы управления baxi eco nova
Baxi ECO 3 280 Fi 29/33 Схемы электрических соединений
Принципиальная схема платы управления baxi eco nova
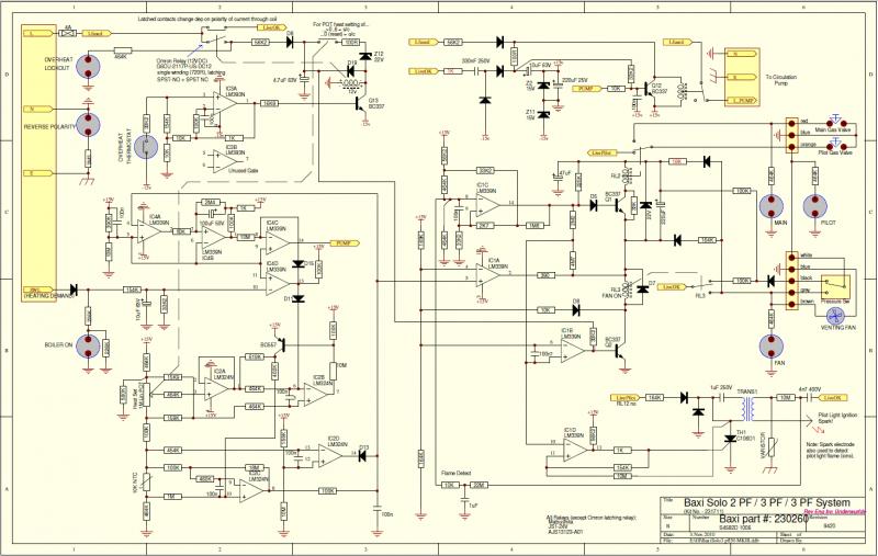
baxi solo 3 circuit diagram DIYnot Forums
Принципиальная схема платы управления baxi eco nova
Котел BAXI плата CS0263C после грозы Страница 2 Форум по ремонту Monitor
Принципиальная схема платы управления baxi eco nova
GSM управление отоплением с котлом BAXI
Принципиальная схема платы управления baxi eco nova
Baxi Eco Manuale E Схемы электрических соединений 24 F - Punchbuggylife
Принципиальная схема платы управления baxi eco nova
Картинки ЭЛЕКТРИЧЕСКАЯ СХЕМА BAXI
Принципиальная схема платы управления baxi eco nova
MKI Schematic DIYnot Forums
Принципиальная схема платы управления baxi eco nova
Honeywell CS0162E-LS Rev.B от котлов Baxi или Westen Quasar - Копии схем и печат
Принципиальная схема платы управления baxi eco nova
Baxi ECO 4s 24 F котел газовый