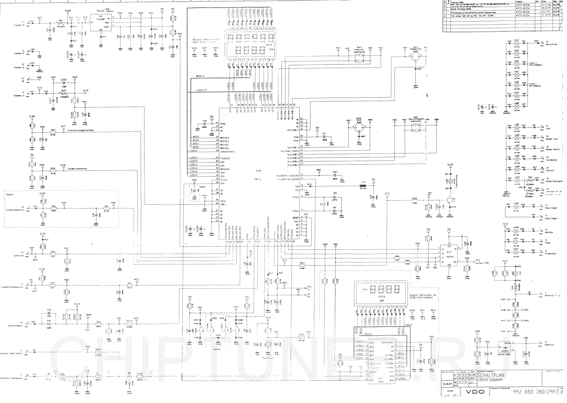
Принципиальная схема любой виртуальной панели авто



Принципиальная схема любой виртуальной панели авто
Система управления поворотным устройством с интерфейсом RS485
Принципиальная схема любой виртуальной панели авто
Схема подключения комбинации приборов, центрального замка и плафона кабины ГАЗон
Принципиальная схема любой виртуальной панели авто
5 479 рез. по запросу "Electric technical draw" - стоковая векторная графика Shu
Принципиальная схема любой виртуальной панели авто
Ответы Mail.ru: Помогите найти схему на стиральную машину samsung s 852
Принципиальная схема любой виртуальной панели авто
Домофон своими руками фото, видео - 38rosta.ru

Принципиальная схема любой виртуальной панели авто
Tib101 - Схема.
Принципиальная схема любой виртуальной панели авто
Принципиальная схема электрооборудования автомобилей серии В11 и N12 - Nissan Su
Принципиальная схема любой виртуальной панели авто
Электросхема приборной панели тип 2 Mercedes Benz Sprinter - Электросхемы автомо
Принципиальная схема любой виртуальной панели авто
18. Установка датчика давления масла + электроремонт. - Lada 21053, 1,5 л, 2005
Принципиальная схема любой виртуальной панели авто
Схема видеорегистратора sho me - фото - АвтоМастер Инфо
Принципиальная схема любой виртуальной панели авто
Купить PCB плата чертеж PCB/генерация чертежей/принципиальная схема конструкции
Принципиальная схема любой виртуальной панели авто
Подсветка приборной панели VDO Калина + двухканальный плавный розжиг - Lada Кали
Принципиальная схема любой виртуальной панели авто
Электрооборудование машины Беларус МЛПТ-344
Принципиальная схема любой виртуальной панели авто
Принципиальные схемы электронных блоков управления холодильников Стинол.
Принципиальная схема любой виртуальной панели авто
Электрическая принципиальная схема модуля
Принципиальная схема любой виртуальной панели авто
Вопрос знатокам) - Lada 2115, 1,5 л, 2006 года поломка DRIVE2
Принципиальная схема любой виртуальной панели авто
ВИДЫ И ТИПЫ СХЕМ
Принципиальная схема любой виртуальной панели авто
Микроволновая печь " FM-740 Moulinex"," FM-745 Moulinex"
Принципиальная схема любой виртуальной панели авто
Разработка структурной схемы микропроцессорного контроллера, Разработка принципи
Принципиальная схема любой виртуальной панели авто
nedoPC.org - View topic - Stupid PIC
Принципиальная схема любой виртуальной панели авто
Схема бортового компьютера штат: найдено 87 картинок
Принципиальная схема любой виртуальной панели авто
Спб 2д схема - TouristMaps.ru
Принципиальная схема любой виртуальной панели авто
Программы включаются. ТЭН не греет на всех режимах - проблема с хлебопечкой Elen
Принципиальная схема любой виртуальной панели авто
Новая версия (версия 2.x) контроллера для холодильника на элементе Пельтье. Обор
Принципиальная схема любой виртуальной панели авто
Gps схема электрическая принципиальная фото - PwCalc.ru
Принципиальная схема любой виртуальной панели авто
17.VoTo DTZM-500VA. Плата управления BT-DTZM-C-RC5 V1.1. - 61. 5+1 реле. VoTo DT
Принципиальная схема любой виртуальной панели авто
Портативный GPS Data Logger
Принципиальная схема любой виртуальной панели авто
Rtp 810s p схема
Принципиальная схема любой виртуальной панели авто
4h l1c02 a31 схема
Принципиальная схема любой виртуальной панели авто
ккт схемы БУ кассовых аппаратов
Принципиальная схема любой виртуальной панели авто
Простая цифровая паяльная станция - Мастерская радиолюбителя - Форум по радиоэле
Принципиальная схема любой виртуальной панели авто
ккт схемы БУ кассовых аппаратов
Принципиальная схема любой виртуальной панели авто
DVR Camera Video Recorder PWB Copy project with usPCB Reverse Engineering, PCB C
Принципиальная схема любой виртуальной панели авто
Контент Armenn - Страница 191 - Форум по радиоэлектронике
Принципиальная схема любой виртуальной панели авто
ДХО - ГАЗ Газель Next, 2,7 л, 2017 года электроника DRIVE2
Принципиальная схема любой виртуальной панели авто
Unique Esquematico Electrico #diagram #wiringdiagram #diagramming #Diagramm #vis
Принципиальная схема любой виртуальной панели авто
Контроллер RZNC-D5416
Принципиальная схема любой виртуальной панели авто
Velton maestro tv200b схема
Принципиальная схема любой виртуальной панели авто
ldr curcuit Resources
Принципиальная схема любой виртуальной панели авто
Замена приборной панели, комбинация приборов Corolla E120, распиновка - Toyota C