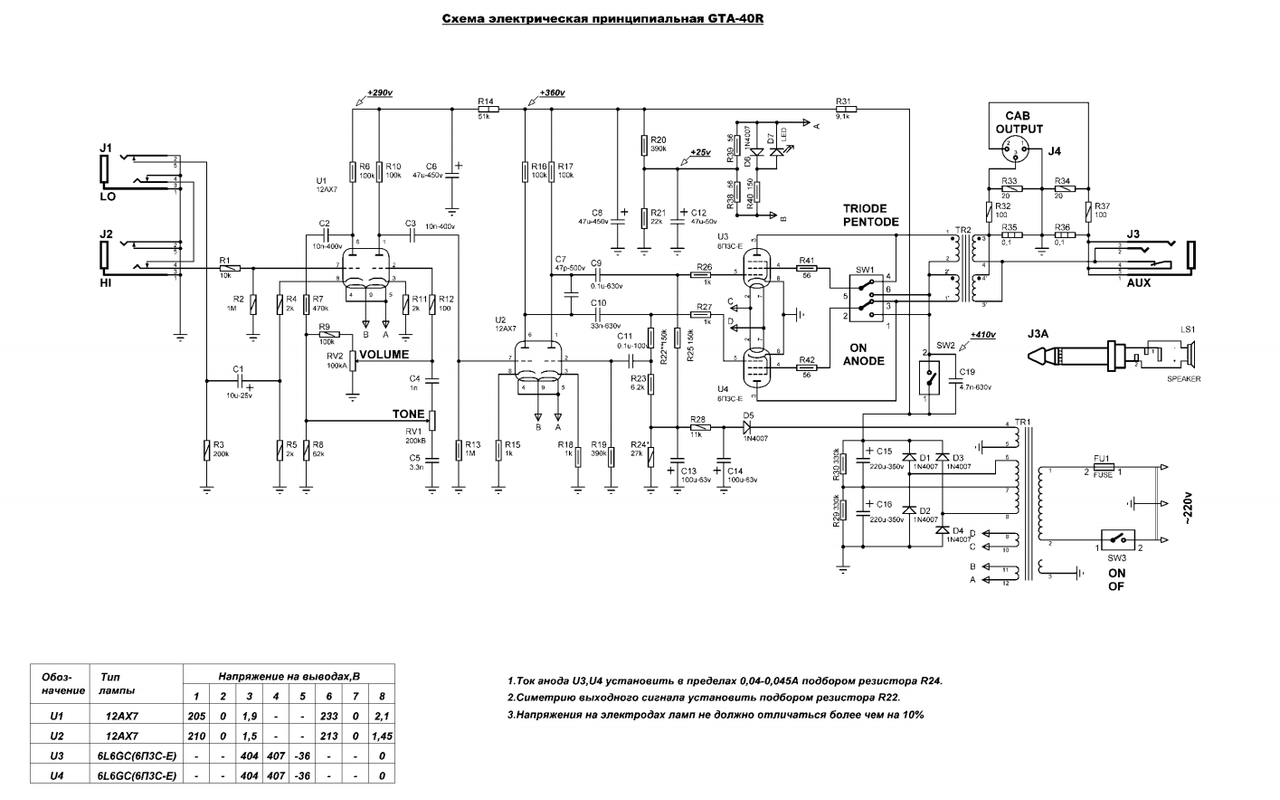
Смотреть видео: Принципиальная схема комбика ibanez tb50r показать

Ibanez - Combo GX-30
Ibanez - Combo GX-100
Ibanez - Combo GT-100
Ibanez - Combo GX-60
Перестал работать гитарный усилитель Ibanez 10gv2 - Радиоэлементы - Форум по рад
IBANEZ CP830 SCH Service Manual download, schematics, eeprom, repair info for el
Free Audio Service Manuals - Free download Ibanez TA 25 Troubadour Service Manua
IBANEZ FL99 SCH Service Manual download, schematics, eeprom, repair info for ele
Free Audio Service Manuals - Free download Ibanez CR 5 Crunchy Rhythm Schematic
Peavey - MicroBass Combo
Ibanez MT10 Mostortion Schematic Ibanez, Distortion, Save
Контент trengtor - Форум по радиоэлектронике
Унч Fender Frontman - Песочница (Q&A) - Форум по радиоэлектронике
Vox - Venue Dual100 Preamp AF80
IBANEZ BCL-TC10 SCH Service Manual download, schematics, eeprom, repair info for
Схема бас комбоусилитель
LANEY GC30V SCHEMATIC Service Manual download, schematics, eeprom, repair info f
Partina City Ecology pot tsa30 Pogo stick jump leisure beads
Схема усилителя для гитары Fender 300 PS.
IBANEZ MT10 SCH Service Manual download, schematics, eeprom, repair info for ele
Fender - Bass Amp BXR300
Vox - Cambridge Reverb Amplifier V-3
Gretsch - Rogue Combo G7157
CRATE MX15R GUITAR AMPLIFIER SCH Service Manual download, schematics, eeprom, re
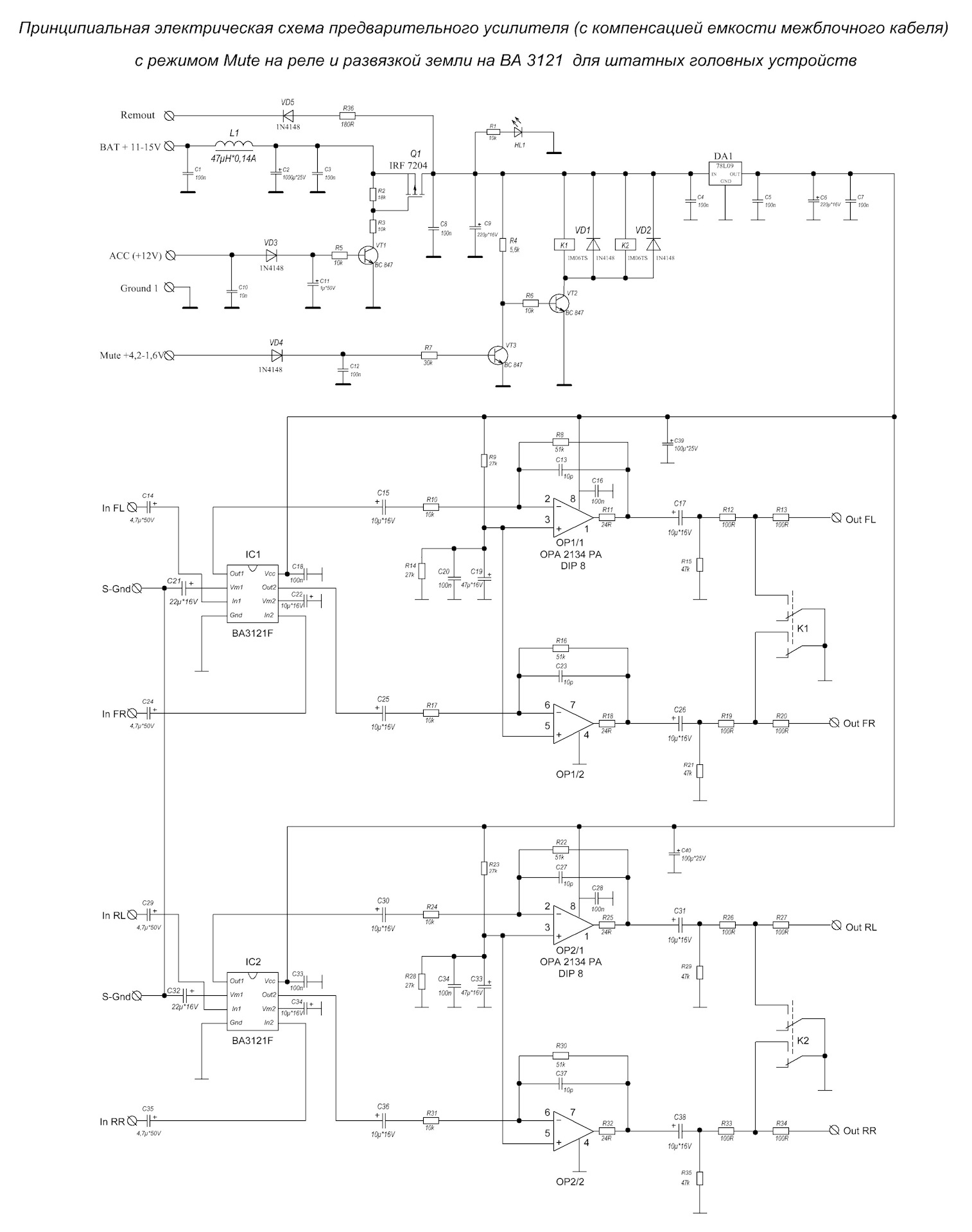
Предусилитель для вывода линейных выходов № 2 - Mazda 6 (1G) GG, 1,8 л, 2005 год
Gibson - GA-77RVT
DIY guitar amplifier on TL071 and TL072 and TL074 and TDA7294. Komitart project
Fender - Frontman 15B
Схема 40 элементов: найдено 84 картинок
IBANEZ DOUBLE-SOUND SCH Service Manual download, schematics, eeprom, repair info
Fender - Tremolux 6G9
Vox - Venue GT100 Preamp
Контент Hambaker - Страница 360 - Форум по радиоэлектронике
IBANEZ TS808 CLONE SCH Service Manual download, schematics, eeprom, repair info
Gretsch - Super Bass Combo G6157
Гитарный предусилитель по мотивам Fender
Fender - Twin Amp 5F8
Help: Veroboard for Ibanez and Bartolini EQ
WP 000100 - Postimages
Купить Ibanez TB15R TONEBLASTER GUITAR COMBO гитарный комбо в Москве по цене 377