Смотреть видео: Принципиальная схема блока питания кулон 305

Кулон 715d схема и принцип работы зарядного устройства - Форум
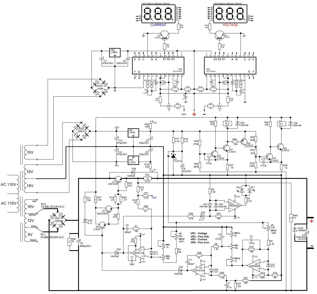
Форум РадиоКот * Просмотр темы - Блок питания Dazheng PS-305D 0...30V 0...5A
Кулон 820 q820main_v2.0.3 - DRIVE2
Контент Sem2012 - Страница 125 - Форум по радиоэлектронике
Зарядное устройство для никель-кадмиевых батарей просто
Зарядное устройство Кулон 715d Ремонт торговой электронной техники
Кулон-912, доработка, ремонт - Страница 19
Перейти на страницу с картинкой
Форум РадиоКот * Просмотр темы - Снова ЛБП Ya Xsun PS-305D, напряжение с 4в до 4
Маломощный сетевой блок питания (9В)
Russian HamRadio - Радиотелефоны. Приложение 1 - принципиальные схемы HARVEST, S
Принципиальные схемы блока питания телевизоров: найдено 83 изображений
Schematic Crossword puzzle, Diagram, Crossword
Форум РадиоКот * Просмотр темы - Лабораторный БП из AT/ATX или серьёзная схема.
Небольшой ремонт блока питания HYelec HY3002-2.
Пин от пользователя georg на доске електроника Принципиальная схема, Самые смешн
Что Поменять В Схеме? - Аналоговые блоки питания и стабилизаторы напряжения - Фо
Ремонт компьютерных блоков питания, неисправности цепей запуска
ИМПУЛЬСНЫЙ ИСТОЧНИК ПИТАНИЯ НА 12...24 Вт Электроника, Электротехника, Принципиа
Схема atx 350 pnr нет дежурки ремонт своими руками в 2023 г Биполярный транзисто
Пин на доске Принципиальная схема
Зарядное устройство Radiotehnika RRR - Форум радиолюбителей
Схема компьютерного блока питания - Схемы блоков питания компьютеров с описанием
Электронный расходомер топлива
РадиоКот :: Импульсный блок питания мощностью 200 Вт для УМЗЧ
at_psu_1.gif (1000 × 733)
Форум РадиоКот * Просмотр темы - переделать блок питания ноутбука 19V - 15V
Схема источника питания 12В, с током в нагрузке до 10 А
Зарядное из компьютерного блока питания. Схемотехника, Принципиальная схема, Эле
Схемы и печатные платы блоков питания на микросхемах UC3842 и UC3843. Радиотехни
Схемы блоков питания и не только.
Here the circuit diagram of 12V / 20A Regulated DC Power Supply using 5 pieces o
Мощный лабораторный блок питания с MOSFET транзистором на выходе своими руками Э
Зарядное устройство из компьютерного блока питания. - Сообщество "Сделай Сам" на
Источник питания HY3005 - Форум про радио
Публикации sey - Страница 49 - SoundEX - Клуб любителей хорошего звука
Импульсный источник питания ATX
Лабораторный блок питания 0-30 Вольт 5 Ампера - Форум
Схема импульсного блока питания 12В 5А
Блок питания на 30 Вольт 5 Ампер Circuit diagram, Electronic engineering, Power