Смотреть видео: Принципиальная электрическая схема станка токарного tud 50

16К20, 16К20П, 16К20Г, 16К25 Схема и Электрооборудование станка
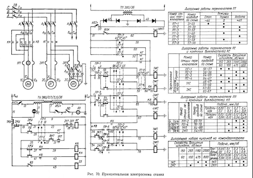
1К62Б Схема и Электрооборудование станка
1А136 Схема и Электрооборудование станка
1Г325 Схема и Электрооборудование станка
Токарно-винторезный станок Завод 16К20 (1500) - Санкт-Петербург - ПоИп
1к620 Станок токарно-винторезный универсальный с вариатором. Паспорт, руководств
Ертэн токарный настольный станок. Паспорт, схемы, характеристики, описание
163 Схема и Электрооборудование станка
3130 станок круглошлифовальный с горизонтальным шпинделем универсальный полуавто
1И611П Схема и Электрооборудование станка
Токарно-винторезный станок ГС526У: технические характеристики, паспорт
163 Схема и Электрооборудование станка
Схема управления токарный станок - найдено 87 картинок
Электрическая схема токарно-винторезного станка 16К20 Чертежи
5993 станок резьбонарезной. Паспорт, схемы, характеристики, описание
ТС-135 (ТС135М, ТС135М-491) Станок токарно-винторезный универсальный. Паспорт, с
1И611П Схема и Электрооборудование станка
1А64, 165 Схема и Электрооборудование станка
Т135в Станок токарно-винторезный универсальный. Паспорт, схемы, характеристики,
1612п, 1612в (1612п-491, 1612в-491) Станок токарно-винторезный универсальный. Па
го - Авито Объявления в Санкт-Петербурге: недвижимость, транспорт, работа, услуг
1К62 Схема и Электрооборудование станка
16К20ВФ1 Станок токарно-винторезный с УЦИ. Паспорт, руководство, схемы, описание
1Б140, 1Б125 Схема и Электрооборудование станка
Ответы Mail.ru: Принципиальная электрическая схема
1М63 Схема и Электрооборудование станка
1М365 Схема и Электрооборудование станка
Станок специальный токарный модели 250ИТП - Чертежи, 3D Модели, Проекты, Токарны
mn 80 a Станок токарно-винторезный настольный (TOS mn-80 a). Паспорт, схема, опи
Atelier Steam::1