Смотреть видео: Преобразователь напряжения dc ac схема

Hilsen Frisør privat ac and dc converter grad rent til
Новые микросхемы LinkSwich для построения AC/DC-преобразователей
Преобразователь (AC/DC/AC) 12-220 Вольт
DIY Project: 500W Inverter using CD4047 and IRF540 MOSFET - YouTube
DC to AC converter from NE 555 Electronics engineering projects, Electronic engi
Ответы Mail.ru: Прямоугольники черные на схеме что означают? Землю? Просто никак
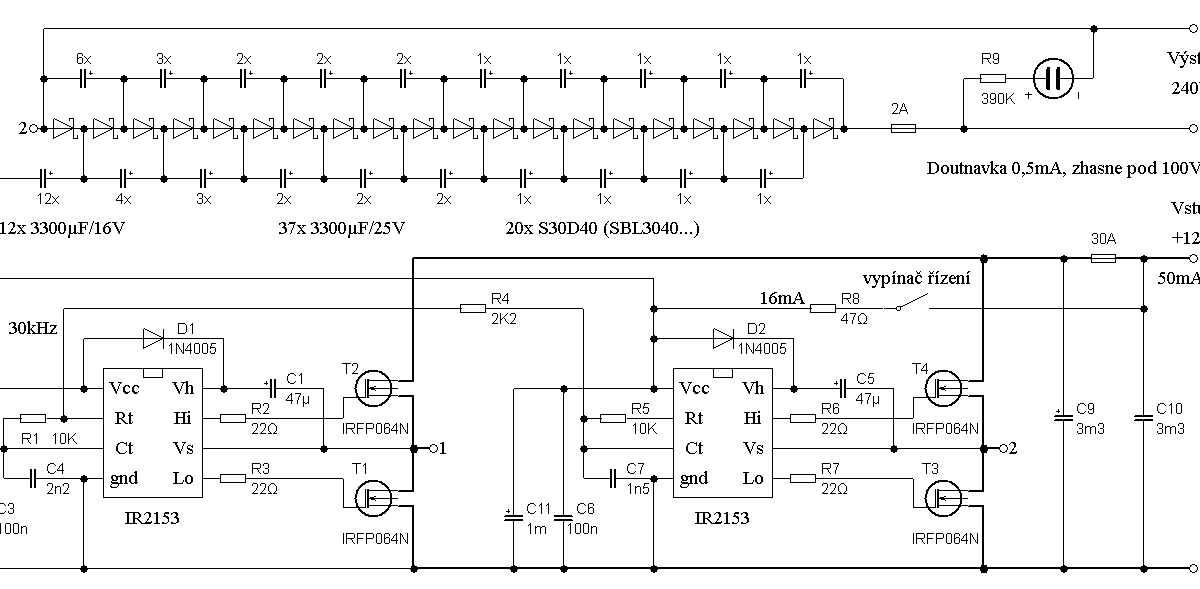
Pin auf Technika Elektronische schaltung, Elektronische schaltpläne, Elektronik
Amplifier Circuit Diagram
power supply - 220 AC to 220 DC Converter - Electrical Engineering Stack Exchang
Rikkomus Hakukone markkinointi kolmio 12v ac to dc valmentaja tuloksena neljä ke
Low power AC/DCs in IoT applications
Схема dc ac - TouristMaps.ru
Мощный преобразователь фото - DelaDom.ru
⚡ ️Автомобильный преобразователь напряжения radiochipi.ru Преобразователь, Электр
Модуль переключателя питания XH-M299, изоляционная печатная плата AC-DC, вход 11
dc_to_dc_CONVERTER_II - A-D_D-A_Converter_Circuit - Circuit Diagram - SeekIC.com
Описана простая схема самодельного преобразователя напряжения (DC-AC), который п
Pin by Ethnic assult on 2 Electronics projects, Electronics projects for beginne
Мощный Инвертор 12-220В, 1000 Вт, Рабочая Ли Схема - Страница 2 - Импульсные ист
Маломощный преобразователь DC 12В в AC 220В rcl-radio.ru 1 год, Токио и Трансфор
Преобразователь 12-24Вольт - DRIVE2
CD4047 Power Inverter 12V to 220V DC-AC 500Watt! - YouTube
4 CD4047 Inverter circuits 60W-100W 12V to 220VAC ElecCircuit Electrical circuit
Инвертор 12/220В 500 Вт с модифицированной синусоидой Инверторы, Принципиальная
פלטפורמה תבנית מראש dc dc inverter circuit מוטרד גירושין אופניים
SUNYIMA преобразователь 12 В до 220 В 380 в 18 в 500 Вт Инвертор Boost голая печ
Designing 1kW Sine Wave Inverter Circuit Complete Guide Circuit diagram, Sine wa
Electrical Engineering World: 1000W Power Inverter Circuit Diagram Circuit diagr
Inversor 12v - 220V AC - 500W Circuito eletrônico, Eletrônica, Esquema
Конструктор Мастер-Кит NM0605 Автомобильный преобразователь напряжения 12 - +/-3