Смотреть видео: Предохранитель раздатки киа соренто

Схема предохранителей соренто 2009
Pinout Of Contacts In The Ecm Block (hr16de Engine) EF2
Какой предохранитель отвечает за работу левой фары у киа соренто 2012 г. в. 2.4
#42. Перестала работать омывайка фар, куда копать ? - KIA Sorento (1G), 2,5 л, 2
99 jetta radio wiring diagram
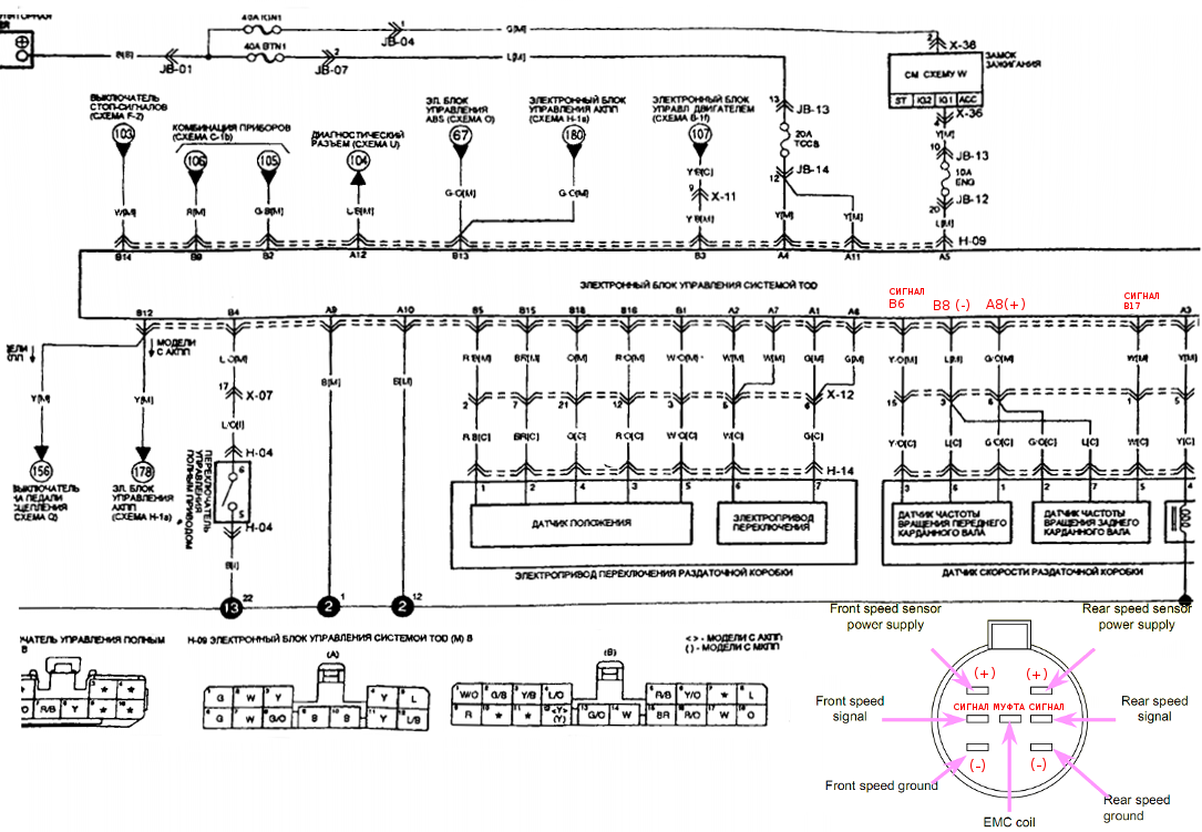
Не выключался 4WD LOW - KIA Sorento (1G), 2,5 л, 2006 года поломка DRIVE2
Проблема с электрикой - KIA Sorento (1G), 2,5 л, 2002 года электроника DRIVE2
Distribuir empleo Sin cabeza caja de fusibles kia sorento 2004 Picasso Aplicar R
Мелочь но приятно (эксперимент на время) - KIA Sorento (1G), 3,5 л, 2006 года тю
Все о предохранителях и реле KIA SORENTO XM FL - KIA Sorento (2G), 2,4 л, 2014 г
Предохранители Kia Sorento II: схема, расположение блоков
Fuse box Kia Sorento Kia sorento, Sorento, Kia
2002 kia sportage fuse box diagram
Блок предохранителей киа соренто фото и видео
Проблема решена! - KIA Sorento (1G), 2,4 л, 2003 года своими руками DRIVE2
Панель плавких предохранителей в отсеке двигателя - KIA Sorento (3G), 2,4 л, 202
Чистка Форсунок и доп насос для соляры - KIA Sorento (1G), 2,4 л, 2003 года свои
Предохранители и Реле Kia Sorento 1 - DRIVE2
предохранитель раздатки киа соренто - Авто Класс.ру
Расположение вин номера Kia Rio 4 X-Line (SC) - Клубный автосервис АвтоМиг в Мос
Блок предохранителей для Kia Sorento III (UM) Prime 2015-2020 новые и б/у купить
Киа церато не заводится 60 фото - KubZap.ru
10# Замена ГУР на ЭУР, часть-1 (электрика). - KIA Sorento (2G), 2,4 л, 2014 года
91950C5512 Блок предохранителей Hyundai-Kia Sorento III Prime (2015 - 2020) купи
Схемы салонного блока предохранителей и реле IPM для Sorento XM 2009 - KIA Soren
Схемы салонного блока предохранителей и реле IPM для Sorento XM 2009 - KIA Soren
473004C110 Раздаточная коробка KIA SORENTO (2002-2007) 2005 47300-4C110 купить б
Ремонт раздатки киа соренто 1 поколения фото и видео
Свап раздатки Kia Sorento 1 поколения, часть 5. Раздаточная коробка TOD. - KIA S
Раздаточная коробка (раздатка) Kia Sorento, Sorento - купити за ціною 15,000.00