Смотреть видео: Предохранитель прикуривателя тойота аква

Предохранители (Где какие!) Toyota Aqua - Toyota Aqua, 1,5 л, 2016 года наблюден
Блок предохранителей тойота аква 60 фото - KubZap.ru
Блок предохранителей тойота аква 60 фото - KubZap.ru
Предохранители Тойота Приус Ц (Аква), 2012 - 2019
Предохранитель на прикуриватель, сгорел ска - Toyota Sai (AZK10), 2,4 л, 2010 го
Блок предохранителей тойота аква 60 фото - KubZap.ru
Блок предохранителей - Клуб любителей микроавтобусов и минивэнов
Зеркало видеорегистратор в Aqua - Toyota Aqua, 1,5 л, 2018 года аксессуары DRIVE
Предохранитель прикуривателя - Toyota Aqua, 1,5 л, 2016 года своими руками DRIVE
Купить Блок предохранителей Toyota Aqua AQUA 2012 в Новосибирске по цене: 1 111
Блок предохранителей тойота аква 60 фото - KubZap.ru
Блок предохранителей Toyota Aqua 2012 NHP10 1NZ-FXE купить в Благовещенске по це
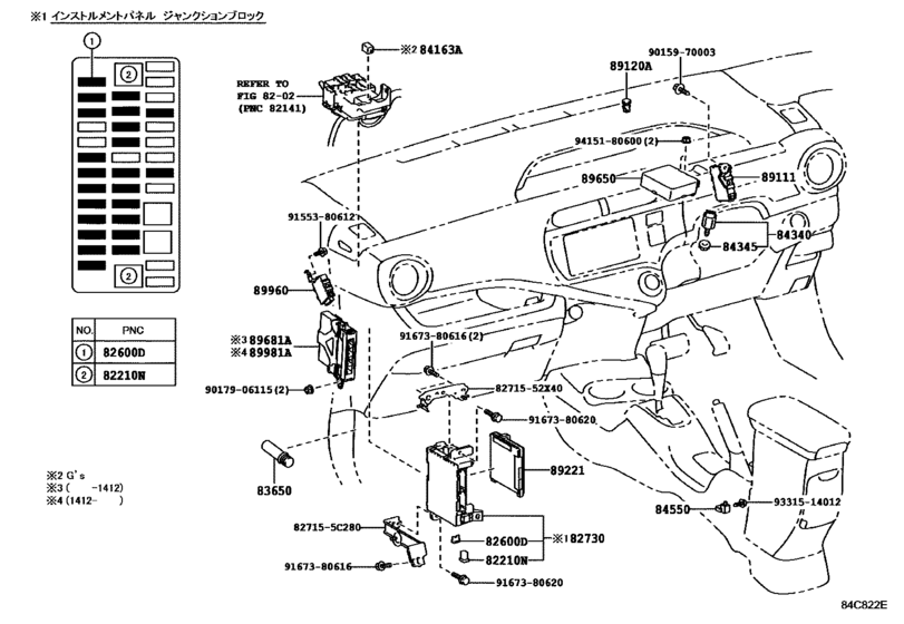
Switch & Relay & Computer для Toyota AQUA NHP10, год: 2011 - 2017. OEM запчасти
Предохранители Тойота Приус Ц (Аква), 2012 - 2019
Не работает прикуриватель TOYOTA AQUA - Toyota Aqua, 1,5 л, 2019 года поломка DR
Как накачать колеса электронасосом TOYOTA AQUA - YouTube
Исправление последствий эксплуатации предыдущего собственника № 1 - Toyota Aqua,
Замена блока предохранителей - Toyota Crown Majesta (S180), 4,3 л, 2007 года сво
Fuse box diagram Toyota Prius C / Aqua and relay with assignment and location
Тойота пробокс предохранитель на прикуриватель - Журнал Рандом Авто
Установил второй прикуриватель - Toyota Premio (T240), 1,5 л, 2004 года аксессуа
Прикуриватель, предохранитель где ты?! Или, теперь понятно почему японцы маленьк
Предохранители и реле Toyota Prius C (Aqua), 2012 - 2019
Toyota aqua предохранитель прикуривателя Life-Shina.ru
Toyota corolla где находятся предохранители (83 фото)
Салонный блок предохранителей в Toyota Premio 260 или вносим свет в салон - Toyo
Блок предохранителей тойота аква 60 фото - KubZap.ru
Где находится предохранитель печки тойота
Блок предохранителей Toyota Corolla Fielder NZE141-9027821 1NZ-FE 2007
Блок предохранителей тойота аква 60 фото - KubZap.ru