Смотреть видео: Показать принципиальную схему fm радиоприемника

Радиоприемник "Бархан"
Схема FM стерео радиоприемника на семи транзисторах Самые смешные цитаты, Смешны
К174ХА34 (КР174ХА34АМ) - Микросхемы для Радио и ТВ - МИКРОСХЕМЫ - Электронные ко
Радиоприемник Мастер-Кит KIT NM0703, АПЧ ИТН, УКВ ЧМ, фм радио, fm, набор для па
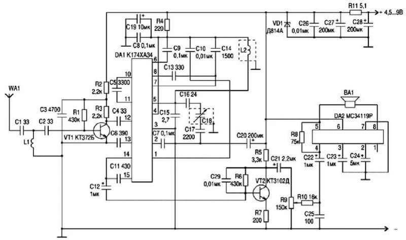
УКВ FM приемник с электронной настройкой на микросхеме К174ХА34 (TDA7021)
Как в СССР серпуховичи узнавали скрываемую от населения информацию Надежда В. Дз
УКВ-FM радиоприемник с кнопочной настройкой (TDA7088T)
FM Radio Receiver Circuit Diagram
Стереофонический приемник FM-диапазона - Прием-передача - Портал радиолюбителей
Малогабаритные FM приемники китайского производства (PA22429, SC1088, TDA7040) i
на Новогодние каникулы ездил в Липецкую область - Сообщество "Клуб Почитателей К
FM Transmitter
Схема УКВ приемника на микросхеме К174ХА34 Радио, Схемотехника, Радиолюбитель
Схема радио на микросхеме: Радиоприемник на микросхеме TDA7000 (174XA42) - Произ
Ответы Mail.ru: Добрый день. Дайте пожалуйста схему не очень сложного радио.
Помогите! Подскажите! Help! - Страница 627 - Песочница (Q&A) - Форум по радиоэле
Простой УКВ приемник 88-108 МГц на микросхеме TDA7020 (TDA7021) Принципиальная с
СХЕМА FM ПРИЁМНИКА
FM приёмник - Дайте схему! - Форум по радиоэлектронике
Схема ЧМ радиоприемника на микросхеме TDA 7021
Радиосхемы. - Стереоприемник FM диапазона с улучшенными характеристиками
Настройка схемы смесителя для DRM - Страница 4
приемник FM на TDA7021, TDA7040 TDA7050 - MBS Electronics
Контент Света - Страница 11 - Форум по радиоэлектронике
FM Receiver Circuit Diagram Fm radio receiver, Electronics circuit, Superheterod
Конструктор Смайл AM/FM РАДИОПРИЁМНИК AM-FM-01 - купить по низкой цене в интерне
Всего одна микросхема понадобится вам, чтобы построить простой и полноценный FM
Справочник радиолюбителя. Аналоговые микросхемы для приема УКВ и FM диапазонов.
Ответы Mail.ru: УКВ радиоприёмник из блока УКВ-2-01С
VEF ПЧ AM настройка с помощю NWT : Клуб любителей радиотехники 20-го в
Ответы Mail.ru: УКВ радиоприёмник из блока УКВ-2-01С
Контент rn3qmo - Страница 8 - Форум по радиоэлектронике
Ответы Mail.ru: По какой схеме включен транзистор? По схеме с ОБ, ОЭ, ОК? Желате
Single Chip FM Receiver TDA7012 Fm radio receiver, Electronic circuit projects,
Миниатюрный FM - приемник - rcl-radio.ru
Схема fm радиоприемника
FM стерео тюнер на микросхеме TEA5711 с синтезатором частоты и с управлением на
Ответы Mail.ru: Куда подключить антенну на данную фм схему радиолюбителя?
Радиоприёмник на микросхеме TA8164P Радиолюбитель, Радио, Электронная схема
Радиоконструктор № 003, УКВ/FM радиоприёмник на микросхеме К174ХА34 (TDA7021)