Смотреть видео: Отпугиватель кротов своими руками схема

Ультразвуковой отпугиватель на arduino - MCS51, AVR, PIC, STM8, 8bit - Форум ELE
Как самостоятельно собрать отпугиватель от комаров
Схема изготовления электрического отпугивателя кротов
Отпугиватель кротов своими руками. Схема joyta.ru
Отпугиватель кротов своими руками - как изготовить по схемам
6.2. Ультразвуковой генератор для отпугивания крыс . В помощь радиолюбителю. Вып
Контент VINTAG68 - Страница 131 - Форум по радиоэлектронике
Отпугиватель кротов своими руками - как изготовить по схемам
Ультразвук и ультразвуковые отпугиватели - Статьи Отпугиватели и уничтожители
Схема изготовления электрического отпугивателя кротов
Мощный ультразвуковой отпугиватель от кротов на таймере 555. Электронные схемы Д
Форум РадиоКот :: Просмотр темы - Пугалка комаров на ЛН2
Форум РадиоКот :: Просмотр темы - Мощный Догчейзер (отпугиватель собак)
Mosquito repeller on the chip - Electrical circuits
Глава 3: Инструменты и устройства для оборудования тайников Asher's Attic
Ремонт кротоотпугивателя с автономным питанием - Меандр - занимательная электрон
Kojak siren circuit diagram. Circuit, Circuit diagram, Timer
Ultrasonic #InsectRepellent circuit is a substance applied to skin, clothing, or
УСТРОЙСТВО ДЛЯ ОТПУГИВАНИЯ КРОТОВ Fermer.Ru - Фермер.Ру - Главный фермерский пор
Электрическая схема отпугивателя кротов
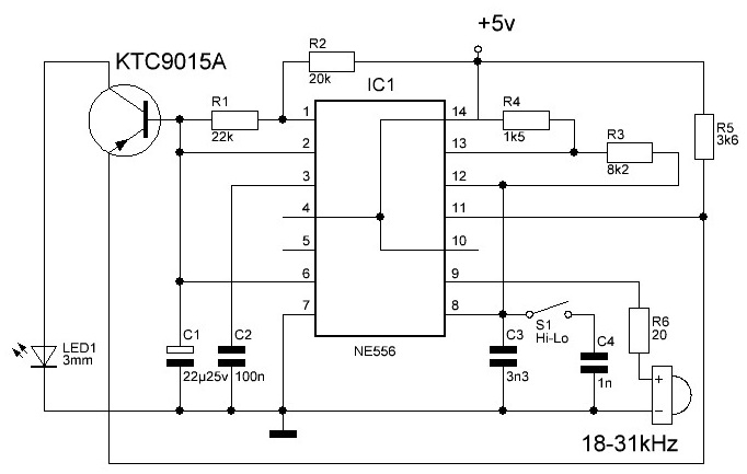
超 声 波 驱 虫 器 电 路-防 害-维 库 电 子 市 场 网
Электрическая схема отпугивателя кротов
Отпугиватель кротов своими руками
Схема ультразвукового отпугивателя грызунов, крыс, мышей. Как собрать отпугивате
Отпугиватель птиц своими руками на Attyny25 . Схема и описание joyta.ru
Electronic Mosquito Repeller Circuit Welcome to S2P Tech: How to Get Everything
Новый отпугиватель кротов. Для умных кротов - Надёжность в простоте
Курилка-2 - Страница 3 - Форум по электрошокерам
Реально работающий ультразвуковой отпугиватель мышей! Fermer.Ru - Фермер.Ру - Гл
Отпугиватель собак: Основные виды, особенности и предназначение устройства Смотр