Смотреть видео: Описание технологической схемы очистки сточных вод

Очистные сооружения канализации: виды, устройство, принцип работы и монтаж устан
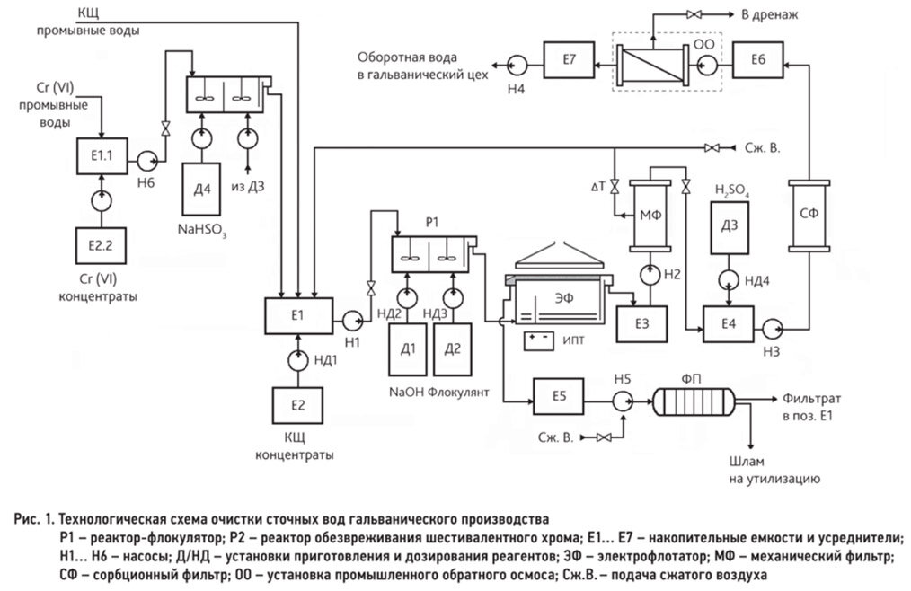
ОЧИСТКА СТОЧНЫХ ВОД ГАЛЬВАНИЧЕСКИХ ПРОИЗВОДСТВ Градирни и очистные сооружения Дз
Решения - Завод и производство в России
НПО ПРОМТЭКО - станции очистки сточных вод
4. Разработка технологических схем очистки сточных вод
Канализация для убойного цеха
Схема канализации и очистки сточных вод на современном НПЗ
Технология очистки нефтесодержащих сточных вод - Экология и промышленная безопас
АНАЛИЗ ЭФФЕКТИВНОСТИ ОЧИСТКИ СТОЧНЫХ ВОД МОЛОКОПЕРЕРАБАТЫВАЮЩЕГО ПРЕДПРИЯТИЯ Меж
Очистные сооружения для сточных вод: виды и принцип действия
Презентация на тему: Очистка сточных вод нефтеперерабатывающе
101. Методы очистки сточных вод и составочистных сооружений
Методы и средства очистки сточных вод - Сафонов А.И. Техноэкология. Курс лекций
Термический метод очистки сточных вод - Чертежи, 3D Модели, Проекты, Схемы
Очистные сооружения систем водоотведения
Методы очистки сточных вод.Решетки - Реферат , страница 2
Раздел Водоотведение населенных мест Лекция 8 Системы водоотведения
Локальные очистные сооружения: определение, принцип работы, типы и цена
Биологическая очистка хозяйственно бытовых сточных вод - 8 - Завод и производств
Очистка Сточных Вод Реферат - Full-size.ru
Очистка городских сточных вод. Этап обработки осадка НПЦ "ПромВодОчистка"
Очистка сточных вод. Очистные сооружения. Комбинированные сооружения
Составление технологической схемы очистки сточных вод - КиберПедия
Канализационные стоки: структура, способы очистки
Схема биологической очистки сточных вод HeatProf.ru
Типовые решения очистки сточных вод мясокомбинатов, молочной промышленности, рыб
Скачать РД 34.42.401-88 Методические указания по пуску и наладке установок очист
Обработку овощей начинают с операции а очистка доочистка б - фото
Вода - источник жизни. Стратегия решения водных проблем
Документация - Композитные технологии России
Технологические схемы очистки сточных,вод
Cистема биологической очистки бытовых сточных вод с септиком для муниципальных о
ФИЗИОЛОГИЯ МИКРООРГАНИЗМОВ План 1 Обмен веществ Виды обмена
Утилизация осадков хоз-бытовых сточных вод - 5 - Завод и производство в России
Лекция 8 Очистка сточных вод Цель лекции
Картинки ТЕХНОЛОГИЧЕСКАЯ СХЕМА ОЧИСТКИ
Очистка производственных сточных вод от нефтепродуктов ООО "РосПромИндустрия"
Водопотребление и водоотведение
4.11.4. Совместная очистка бытовых и промышленных сточных вод Электронная библио
Автоматизация биохимической очистки сточных вод