Смотреть видео: Ограничитель тока на полевом транзисторе схема

Схемы стабилизаторов тока для светодиодов на транзисторах и микросхемах Полезное
VRTP - Ограничение выходного тока
Принципиальная схема ограничителя тока Принципиальная схема, Схемотехника, Элект
Принципиальная схема прототипа ограничителя тока Электроника, Принципиальная схе
Фонарь для авто своими руками
Простые электронные ограничители тока - IRF9540N Биполярный транзистор, Электрон
Источники тока на полевых и биполярных транзисторах
Переключатель нагрузки с самовозвращающимся размыкателем цепи
Ограничитель тока на полевике Интересная схема для ограничения посто ЭЛЕКТРОНИКА
Ограничитель силы тока в нагрузке - схемотехнические решения comp-plus.ru
Недорогая, содержащая малое число компонентов самовосстанавливающаяся схема авто
Диодный источник тока Electronics, Floor plans
Ограничение пусковых токов в линейных регуляторах - Компоненты и технологии
Схемы стабилизаторов тока для светодиодов на транзисторах и микросхемах Полезное
Полупроводниковый прибор - ограничитель тока Электротехника, Токио, Схемотехника
Еще раз о стабилитронах в цепи катодов ламп оконечного каскада - Ламповые усилит
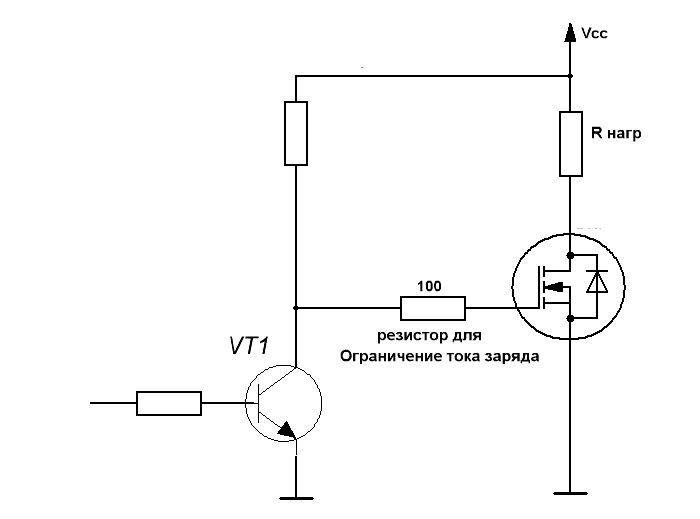
Ограничение заряда: найдено 84 изображений
Ток срабатывания предохранителя при кз таблица
Токовый ограничитель 600 мА 5…12В - rcl-radio.ru
Форум РадиоКот * Просмотр темы - Нужен микромощный стабилизатор тока для светоди
Стабилизаторы тока електричество in 2019 Electronics, Circuit, Technology
Простейший стабилизатор постоянного тока
Как защитить USB по току, для ручной сверлилки из моторчика. - Сообщество "Элект
Получение терморсширенного графита для хим источников тока - Электрохимия - Фору
Охранный сигнализатор на дистанционных переключателях - Прикладная электроника -
Форум РадиоКот :: Просмотр темы - Мелкие вопросы по питанию.
Файл:TL431 current sources and sinks.png - Википедия
Регулируемый Ограничитель Постоянного Тока - Питание - Форум по радиоэлектронике
Схемы стабилизаторов тока для светодиодов на транзисторах и микросхемах Полезное
Зарядное устройство для автомобильного аккумулятора Все своими руками Схемотехни
Стабилизатор тока на полевом транзисторе
Форум РадиоКот * Просмотр темы - Включение мощьной нагрузки при помощи полевого
Tool Electric: Ограничитель тока на полевике
Anthony Smith Electronic Design A previous current limiter works well at low sup
Ограничители на транзисторах
Ограничитель тока на транзисторе схема полевом
Картинки ОГРАНИЧЕНИЕ ТОКА НАПРЯЖЕНИЕМ
Мотор С Ручкой И Микроконтроллером - Школьникам и студентам - Форум по радиоэлек
operational amplifier - What is the idea behind the ingenious Widlar current lim
Форум РадиоКот * Просмотр темы - Схема ограничения тока