Смотреть видео: Одновибратор схема на логических элементах

Форум РадиоКот * Просмотр темы - Формирование импульсов по фронту и спаду.
Формирователи коротких импульсов - Сборник статей - Каталог статей - Сайт "Cner"
Формирователи коротких импульсов - Сборник статей - Каталог статей - Сайт "Cner"
Схемы задержки импульса. Детерминированных сигналов
4.1.Формирователи импульсов
Ответы Mail.ru: Вопрос к электронщикам и радиолюбителям
Обработка кнопок на ESP32 и борьба с дребезгом контактов K12 :: О ESP32 и не тол
Одновибратор на транзисторе схема расчет
Рис. 1.58. Временная задержка импульса на RC-цепях
Ждущий одновибратор на транзисторах схема
Логический элемент Исключающее ИЛИ * Все своими руками
Расширители импульсов
Формирователи коротких импульсов - Сборник статей - Каталог статей - Сайт "Cner"
Рис. 1.52. Формироватеть пмпульса Техническая библиотека lib.qrz.ru
Формирование прямоугольных импульсов заданной длительности
Электронные самоделки прошлого века. Часть 7. Генератор, одновибратор и широтнои
Импульс 4 схема - Схемы 2
Рис. 1.6. Подавление дребезга с задержкой включения и выключения Техническая биб
Логический синтез цифровых устройств. Курсовая работа (т). Информатика, ВТ, теле
Презентация на тему: Инверторы
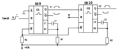
12. Импульсные устройства на имс
Рис. 302 Ждущие мультивибраторы с увеличенной крутизной фронтов выходных импульс
Формирователи, одновибраторы и мультивибраторы на интегральных микросхемах - Сту
Генераторы на логических элементах Основы электроакустики
Контроллер дисководов. Канал записи и канал чтения. - Выпуск 7 - формирователь с
Рис. 1.19. Ждущие мультивибраторы: Техническая библиотека lib.qrz.ru
Рис. 292 Дифференцирующие цепочки, работающие по фронту и спаду Техническая библ
Формирователи пачки заданного числа импульсов Схемотехника, Электроника, Принцип
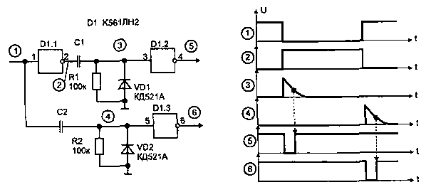
Формирователи коротких импульсов - Сборник статей - Каталог статей - Сайт "Cner"
Одновибратор на 155ла3 схема
Формирователи пачки заданного числа импульсов Схемотехника, Электроника, Принцип
Познавательная электроника в экспериментах с транзисторными схемами
Формирователи импульсов заданной длительности - Студопедия
Длительность выходного импульса одновибратора может быть определена с помощью вы
Формирователи импульсов от механических контактов - ОСНОВЫ ФУНКЦИОНИРОВАНИЯ СИСТ
Одной К155ЛА3 недостаточно / Habr
Ждущий мультивибратор, одновибратор, формирователь импульсов - онлайн расчёт
Блок питания KORAD KA3005. Еще один обзор.
Контент mihan - Страница 7 - Форум по радиоэлектронике
Стр. 54 журнала "Радио" № 9 за 1995 год (крупно)