Смотреть видео: Найти схему трансивера на 3мгц

AM/SSB радиоприемник на диапазон 3 МГц. Схемотехника, Радиолюбитель
Простые ламповые передатчики
Основная плата КВ трансивера + Sloboda M
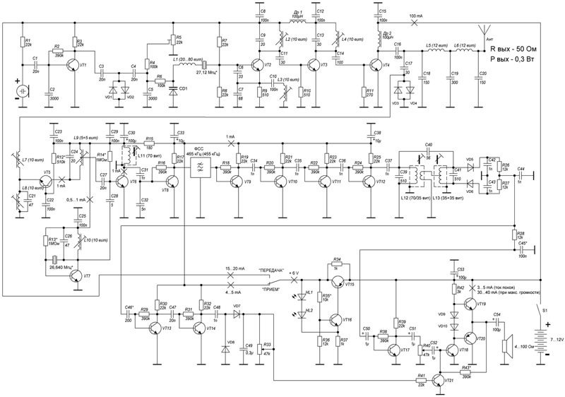
Ответы Mail.ru: Подскажите, где найти компоненты L11, L12 и L13 данные на схеме
SBB передатчик-приставка на лампах Принципиальная схема, Схемотехника, Электрони
Основная плата трансивера на микросхеме К174ХА2 - Радиостанции, трансиверы - Схе
Строим ламповый супер - Страница 27 - ВТОРАЯ ЖИЗНЬ СТАРОГО РАДИО
Приемник на микросхеме К174ХА10 на диапазон 3 МГц. in 2024 Radio
Контент STEN50 - Страница 165 - Форум по радиоэлектронике
AM/SSB радиоприемник на диапазон 3 МГц. Elektro
Любительская радиостанция FM2004-2 диапазона 144-146 Мгц
Трансивер с преобразованием вверх - Светлоградский вариант
Трансивер прямого преобразования беленецкого схема
Кв трансивер рубин предназначен для работы SSB Усилитель, Радиолюбитель, Токио
Трансивер 144-146 МГц на лампах от 6Ж4 до ГУ-50
Если кто то знает, подскажите пожалуйста простую схему стабилизатора напряжения
Радиолюбительский коротковолновый трансивер ";Дружба-М"
Трансивер на 144/432 МГц "H-220"
Трансивер SW-2011RD - RADIO DESIGN
Ламповый АМ передатчик 1.4-2.5 мГц " РадиобукА Радио, Электроника, Ретро радио
Стр. 18 журнала "Радио" № 1 за 1988 год (крупно)
Простой усилитель НЧ для приемника прямого преобразования. Синусоида, Радиолюбит
Трансивер "КЛОПИК" от RV3LE - Страница 311
Шарманка на 3мГц
Простой SSB-трансивер на диапазон 160 м nel 2024
Простой SSB минитрансивер на 160 м
Передатчик АМ 3мГц Ретро радио, Радио, Усилитель
Основная плата КВ-трансивера
Трансивер на 6660 кГц
Ламповый трансивер на три диапазона - Трансиверы самодельные - UR8LV.com в 2024
Всем доброго времени суток. Интересует вопрос, можно ли этот трансивер использов
Картинки СХЕМЫ УСИЛИТЕЛЕЙ ТРАНСИВЕРОВ
Пин на доске Radioman
Очередная поделка "выходного дня" на SA612+LM386
Ламповый простой трансивер: Ламповые трансиверы и радиостанции своими руками, сх
КВ-приёмник KARLSON Схемотехника, Ретро радио, Радио
Ламповый простой трансивер: Ламповые трансиверы и радиостанции своими руками, сх
Простой ламповый передатчик на 40 и 80 метров - YouTube
Pin by Mark on Electrical engineering Ham radio antenna, Ham radio, Radio antenn
Простой трехдиапазонный ППП на транзисторах (КВ диапазоны 7, 14, 21 МГц)