Смотреть видео: Найти схему 2 sc 2053

Index of /orari/orari-diklat/teknik/homebrew/40m-cw-jg1ead
Панорамная приставка к трансиверу - 19dx.ru - R0WBH
Оффтоп - Страница 467 - Усилители мощности - Форум по радиоэлектронике
Двухдиапазонная любительская УКВ радиостанция FM-2006 диапазонов 144 - 146 МГц и
Final Tlansistol Am 4,1MHz Kabul's Blog
Контент werewolf - Страница 26 - Форум по радиоэлектронике
Любительская радиостанция FM2004-2 диапазона 144-146 Мгц
Концепт "Япончик" полевой - Страница 3 - Усилители сборки/авторства finn32 - Фор
Lynx_11 УНЧ с токовой ООС ldsound.ru ldsound.info
"КНИ" - как много в этом звуке... - Страница 17 - Усилители мощности - Форум по
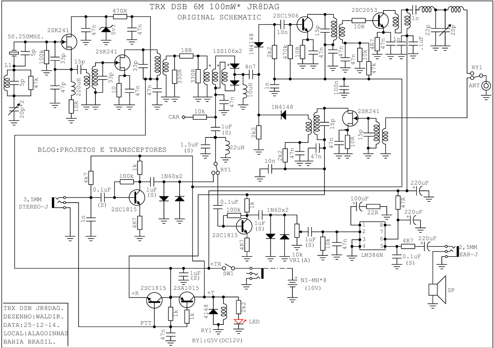
Projetos e Transceptores.: Transceptores Simples DSB QRP 28MHZ 50MHZ.
200W Amfi Devresi 2SC5200 2SA1943 (Yeni PCB) - Elektronik Devreler Projeler Elec
Усилитель по мотивам Cyrus - Страница 2 - Усилители мощности - Форум по радиоэле
Skema Osilator Pll Tc9122 / Stereo Limiter - Merakit sendiri pemancar fm dengan
Интегральные схемы: transistor 2sc 2053 - купить по выгодной цене в интернет-маг
MC145151 PLL FM Stereo Transmitter Uydudoktoru
HIFI 2.0 Power Amplifier Kit Reference MA-9 Marantz MA-9S2 amplifier circuit Sou
Двухканальная лампа усилителя 125 Вт + 125 Вт HIFI 2SA1216 2SC2922 + MJE243 / MJ
Простой усилитель мощности - Страница 32 - Усилители мощности - Форум по радиоэл
ВВЛП-2018, или самый простой сверхлинейный усилитель. RCL-electro
Китайский конструктор-усилитель - Форум
Транзисторный усилитель на 500 ватт - DRIVE2
Pin em amfi devresi
Интегральные схемы: 2sc2053 original - купить по выгодной цене в интернет-магази
2SC5200+2SA1943+TL071 Принципиальная схема, Усилитель, Аудио
6W FM Transmitter 88-108 MHz Fm transmitters, Transmitter, Function generator
Форум РадиоКот * Просмотр темы - Мелкие вопросы по УНЧ.
Поиск схем и описаний радиоаппаратуры - Страница 25 - Дайте схему! - Форум по ра
Какую схему усилителя выбрать для повторения? - Страница 78 - Усилители мощности
Monoblock amplifier Amplificador de audio, Esquemas electrónicos, Amplificador
200W guitar amplifier circuit diagram with pcb layout Amplificador, Potencia, Te
Monoblock amplifier Amplificador de audio, Esquemas electrónicos, Amplificador
Контент Vadim 161 - Страница 22 - Форум по радиоэлектронике
Experience high-fidelity audio with the 300 Watt MOSFET Power Amplifier
Контент Ulis - Страница 212 - Форум по радиоэлектронике
Vice moderately Full amplificator 100w tehnium tennis Gently carbohydrate
Texto traduzido pelo Google: Este é o design do circuito do amplificador de áudi
MX50 серебряный издание SANKEN 2SA1295 2SC3264 двойной усилитель доска в сборе у
N+ тройка - Страница 2 - Усилители сборки/авторства finn32 - Форум по радиоэлект
Контент pokemon21 - Страница 14 - Форум по радиоэлектронике