Смотреть видео: Микросхема хп32б описание и схема

РЕШЕНО! Частота морганий сигналов поворота при переходе на светодиоды! ))) - Dae
Микросхема УР1101ХП41 в Омске
Микросхема УР1101ХП42 в Омске
Реле указателей поворота: принцип работы, неисправности и методика выбора правил
Применяем реле поворотов "не по назначению" - ГАЗ 31105, 2,3 л, 2007 года электр
Реле поворотников - Lada 2114, 1,4 л, 2006 года другое DRIVE2
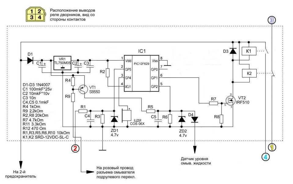
Вопрос Пикабу и Самоделки своими руками
Хп32б аналог - TouristMaps.ru
эволюция реле поворотов 2. заставляем реле работать как надо! - Lada 1111 Ока, 0
Микросхема УР1101ХП37
Кр1182Пм1: Конструкции на основе КР1182ПМ1 - Производство и поставка электростан
Форум сайта "Автоэлектрик для всех" - Автоматическое включение фар
Отключения контроля лампы на реле поворота - Opel Corsa B, 1,4 л, 1996 года элек
Самодельное реле задержки. - Песочница (Q&A) - Форум по радиоэлектронике
регулировка скорости дворников и . переобувка, чтоб диски не мерзли ) - Lada 210
Задний дворник/стеклоочиститель, омыватель - Страница 20 - Официальный Форум люб
U6032B U643B U2043B U6043B U6433B U2640B U2641B U2642B U641B U642B U840B U842B -
лучший
Прерывистый режим роботы дворников. Rev 2 + Rev 2.1 =) - Lada 2107, 1,5 л, 1985
Микросхема УР1101ХП54
1101 серия - Музей электронных раритетов
Реле прерыватель доработка - УАЗ 315195 Hunter, 2,7 л, 2006 года тюнинг DRIVE2
Наипростейшее реле поворотников - МОПЕДИСТ.ру - клуб любителей мокиков и мопедов
О реле стеклоочистителей и ручке с рычагом регулировки задержки - Audi 80 (B4),
Наипростейшее реле поворотников - МОПЕДИСТ.ру - клуб любителей мокиков и мопедов
Применяем реле поворотов "не по назначению" - ГАЗ 31105, 2,3 л, 2007 года электр
STR50115 даташит ST Microelectronics техническое описание радиодетали, Dragoljub
Светодиоды в повороты! и как бороться с реле поворотов. - Сообщество "ВАЗ: Ремон
Щелкает рЫле поворотов. Само по себе. - УАЗ Patriot, 2,7 л, 2008 года электроник
Цена на Liebherr URPc 375i - 170000 руб в Москве, купить с бесплатной доставкой
Светодиоды в повороты! и как бороться с реле поворотов. - Сообщество "ВАЗ: Ремон
Замена радиатора охлаждения - Ford Sierra, 0,5 л, 1984 года тюнинг DRIVE2
Два взмаха дворников - делаем за 5 минут и 0,5. - Chevrolet Niva, 1,7 л, 2006 го
Щелкает рЫле поворотов. Само по себе. - УАЗ Patriot, 2,7 л, 2008 года электроник
1101 серия - Музей электронных раритетов
МС-хх серия - Музей электронных раритетов
Микросхема УР1101ХА01
Микросхема HT2844 - генератор звукового сигнала
К142ЕН14
КМ1401УД2Б микросхема 102 шт недорого купить