Смотреть видео: Метаком мк2003 схема платы

Запчасть br / Метаком плата МК 2003.2 RFE. Цена 3096р. Купить в Орле.
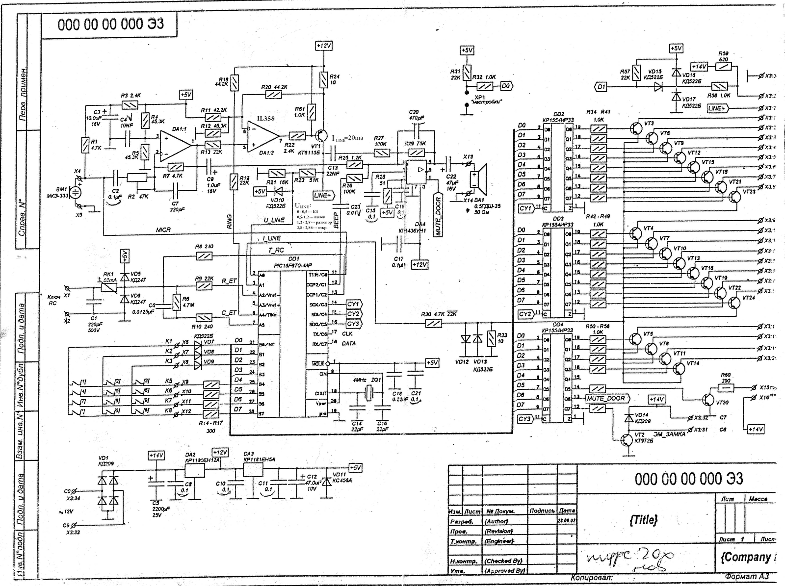
Схема домофона HeatProf.ru
Ремонтные комплекты DOMOFONPORTAL.RU емонтный, Rupicturesmax, Httpput, домофону,
Всё о домофонах: Metakom MK-20. Схема.
Метаком МК10.2-TM4EN 1/1 Áëîêà âûçîâà ê îäíîé àáîíåíòñêîé ìàãèñòðàëè
Подключения малоабонентных домофонов
Всё о домофонах: Metakom MK-20. Схема.
Метаком МК2008.2-ТМ4Е Инструкция по эксплуатации онлайн 14/18 271163
Ethernet Принципиальная Схема - tokzamer.ru
VRTP - RC ключ домофона
Ответы Mail.ru: Оторвалась трубка домофона
Метаком mkv vm1 схема подключения
Вызывная аудиопанель Метаком MK10.2-TM4EN ⚡ - купить с доставкой по России в Сат
Метаком МК2003.2-МFEN Схема 1 калитка, 4 подъезда онлайн
Вызывная аудиопанель br / MK2003.2-RFE Блок вызова аудио. Цена 6190р. Купить в О
Как подключить видеодомофон cyfral bm 3020 - 94 фото портал мастеров webdonsk.ru
Группа компаний "Метаком". Блоки вызова. Коммутаторы и разветвители. Блоки питан
Метаком mkv vm1 схема подключения
Продажа, установка и ремонт домофонов в Московском районе: адреса и телефоны - Р
Ремонтные комплекты DOMOFONPORTAL.RU емонтный, Rupicturesmax, Httpput, домофону,
Метаком МК2012-RFE Инструкция по эксплуатации онлайн 13/20 271176
Метаком МК2003.2-RFEN Схема 2 калитки и подъезд онлайн
Метаком МК2012-RFEN Инструкция по эксплуатации онлайн 14/20 271179
Установка домофона в многоквартирном доме: необходимое оборудование, схемы подкл
Метаком МК2003.2-ТМ4E Инструкция по эксплуатации онлайн 14/18 271169
Ремонтные комплекты DOMOFONPORTAL.RU емонтный, комплект, Администратор, Топ, дом
Метаком MKV-VM8 Инструкция по эксплуатации онлайн 12/16 271198
Малогабаритная динамическая установка ОМЕГА - RadioRadar
Подключение домофона метаком - 23/48
Домофон Метаком МК-2003ТМ4Е. Подключение трубки без коммутатора - YouTube