Смотреть видео: Лончин 30 установка электронного газа схема

Окажу помощь по электрике Страница 82 WWW.SNOWMOBILE.RU * Снегоходный форум
Свет на мотоблоке своими руками: инструкция как сделать
Как подключить стартер на мотособаке - фото - АвтоМастер Инфо
Характеристики Катушки освещения на 7А от Lifan 190fd (Страница 1) - Электрообор
Как подключить счетчик моточасов HeatProf.ru
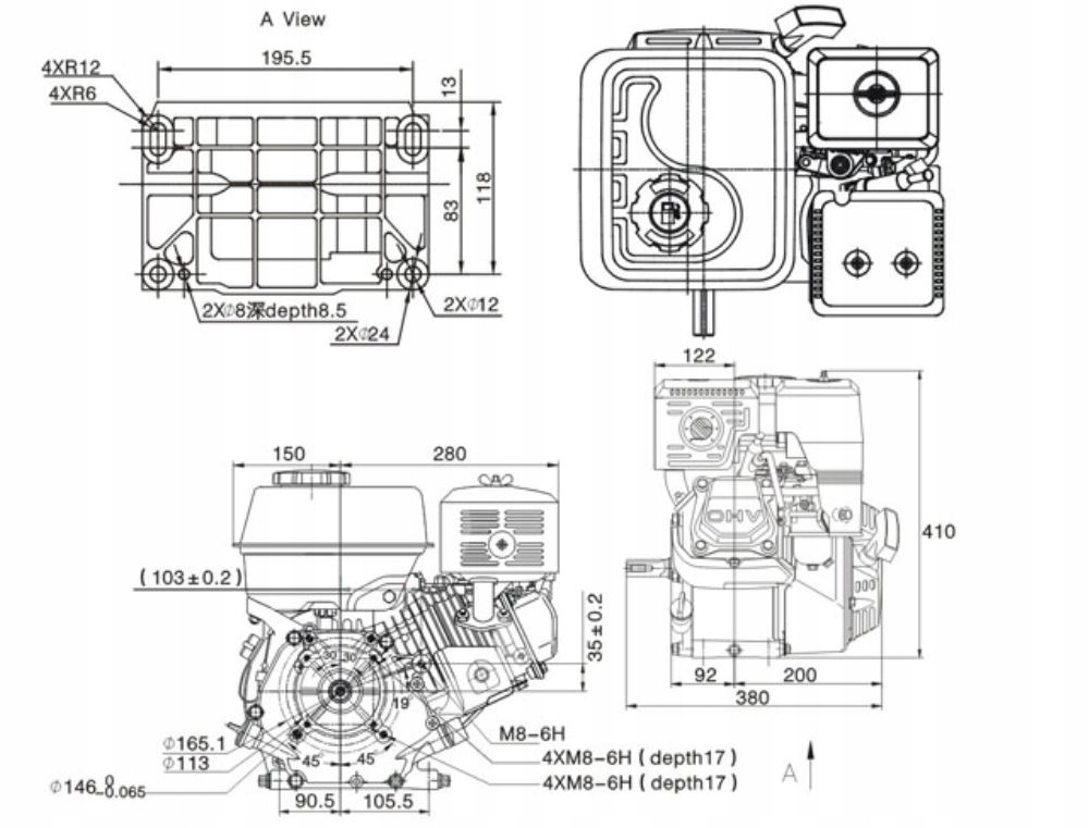
Купить ДВИГАТЕЛЬ LONCIN LC2P77F ДЛЯ ТРАКТОРА V2 22 л.с. 708 см: отзывы, фото и х
Система управления двигателем УАЗ Профи. Описание. Датчики и исполнительные меха
Мотоблок лифан схема стартера - фото - АвтоМастер Инфо
Мотоблок лифан схема стартера - фото - АвтоМастер Инфо
Гбо lovato на классику карбюратор (стояло на ваз21 купить в Нижнем Новгороде Ави
5. Анализ проходимости автомобиля
Сервисный дискаунтер SprayParts - LL-8 Схема электрическая
KME Nevo проводка - Сообщество "Ремонт и Эксплуатация ГБО" на DRIVE2
Двигатель Лифан 690 (2V78F-2A PRO) и другие 2х цилиндровые клоны ( Honda) констр
Самостоятельная установка ГБО (part 7 - Монтаж) - Daewoo Lanos, 1,5 л, 2006 года
Двигатель Loncin H765i (H type) D25 20А - доступная цена, официальный дилер
Электрическая схема мотобуксировщика КОЙРА - сохраняйте к себе что бы не потерят
Газ на дизельные двигатели. Всё о газобаллонном оборудовании (ГБО)
Установка газового оборудования на автомобиль - инструкция + видео
Обозначения двигателей лифан фото - AutoBreez.ru
Буран 30
Газобаллонная система-концепция.Установка на карбюраторный автомобиль
Как работает газ
Подключение электрооборудования на "мотоблочных" движках. - Tarabike-Drift trike
Дизель и газ: дизельные двигатели с ГБО
TE-GD4 TEGAS
Схема газа
Установил ЭБН в тестовом режиме - ИЖ 2126, 1,6 л, 2003 года своими руками DRIVE2
Литвек - Автомобильные газовые топливные системы Владимир Золотницкий Страница 1
Лучшее ГБО 2 поколения: цены, покупка, установка! - "ГБО ГАЗ СЕРВИС"
ГБО 3 поколения на инжектор и карбюратор, установка и схема подключения
Схема ГБО - пропан - ГАЗ Газель, 2,3 л, 2003 года просто так DRIVE2
Установка ГБО - Lada 2112, 1,5 л, 2004 года своими руками DRIVE2
Схема гбо газель
Подключение электрооборудования на "мотоблочных" движках. - Tarabike-Drift trike
Вопрос Установка карбюраторной газовой кнопки - ЗАЗ 1102, 1,1 л, 1992 года элект
Хроматография схема
Дизель и газ: дизельные двигатели с ГБО
TE-GD4 TEGAS
Установил ЭБН в тестовом режиме - ИЖ 2126, 1,6 л, 2003 года своими руками DRIVE2