Смотреть видео: Контакты подключения замка зажигания

Бортжурнал Lada 2106 "Dark Chocolate"
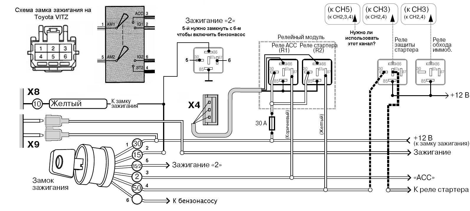
Установка магнитолы с андроидом - Lada 21061, 1,5 л, 1994 года электроника DRIVE
Контактная группа выключателя зажигания. - Lada 21063, 1,5 л, 1996 года своими р
Как правильно подключить замок зажигания ваз 2106
Замена замка зажигания - Lada 4x4 3D, 1,6 л, 1984 года своими руками DRIVE2
Опускаем руль ниже 2107(нюансы) - DRIVE2
Элекроподключение - Lada 21065, 1,5 л, 1999 года своими руками DRIVE2
Схема замка зажигания ВАЗ 2107 - 1 ответ
Автозапуск - Lada 4x4 3D, 1,7 л, 2013 года электроника DRIVE2
КОНТАКТНАЯ ГРУППА И ПОДКЛЮЧЕНИЕ ПРОВОДОВ ЗАМКА ЗАЖИГАНИЯ ВАЗ 2101 И ВАЗ 2107 - Y
Перейти на страницу с картинкой
Схема электропроводки ваз 2106: этапы работ
Кнопка запуска в место ключа. Нужна помощь электрика. - Сообщество "DRIVE2 Запор
Схема подключения замка зажигания на ваз 2106
Какие провода подключены к замку зажигания: найдено 88 изображений
198 Попытка улучшить питание э.б.у. - Lada 2115, 1,5 л, 2000 года другое DRIVE2
land-niver № 16 замок зажигания от 2108 в ниву - Lada 2131, 1,7 л, 2002 года эле
Разгрузка замка зажигания 2101 + установка аварийки 2106 - Lada 2101, 1,2 л, 197
Подключение замка зажигания ваз 2107 - журнал "автопарк"
Замок зажигания 14.12.2012 - Lada 21013, 1,2 л, 1983 года запчасти DRIVE2
Ответы Mail.ru: Поменял замок, провода по схеме не работает щиток приборов, поме
Запуск с кнопки(схемка:)) - Lada 21074, 1,6 л, 2009 года тюнинг DRIVE2
Замена замка зажигания - ЛуАЗ 1302, 1,1 л, 1995 года своими руками DRIVE2
Картинки СХЕМА ПОДКЛЮЧЕНИЯ ЗАМКА ИЖ ПЛАНЕТА
Замок зажигания 2110 распиновка - Замок зажигания "Газель": инструкция по распин
Какие провода подключены к замку зажигания: найдено 88 изображений
Установка Сигнализации Starline A91 и кнопки START STOP на ВАЗ 2112 Своими рукам
Замена замка зажигания ваз 2106 LkbAuto.ru
82 беларус какой провод идет на замке зажигания от стартера - фото - АвтоМастер
Ништячки))) Установка кнопки старт-стоп ВАЗ 2109. - Lada 21093, 1,5 л, 2003 года