Смотреть видео: Клапан rcv на дв 4216 где находится

Вентиляция картера УМЗ-4213 (Евро 3) (Чертеж № 11: список деталей, стоимость зап
Вентиляция картера. - Онлайн каталог автомобилей ГАЗ на сайте компании Мостат
Датчики УМЗ-4216 (Евро 3) (Чертеж № 31: список деталей, стоимость запчастей). Ка
Датчики температуры, детонации, абсолютного давления, синхронизации, фазы, давле
Датчики температуры, детонации, абсолютного давления, синхронизации фазы УМЗ-421
Клапаны и толкатели УМЗ-4213 (Евро 3) - купить, цены в интернет-магазине Автопит
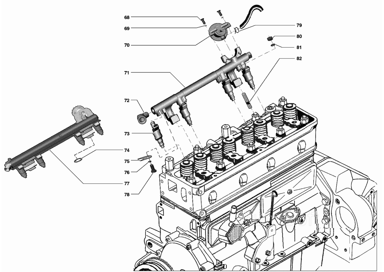
Трубопроводы топливные УАЗ-31519 (Чертеж № 83: список деталей, стоимость запчаст
F000000870628009 GAZ Шайба крепления ГБЦ ГАЗель дв.УМЗ 12.2 (ОРИГИНАЛ) купить в
Насос водяной УМЗ-4213, 420 (Чертеж № 20: список деталей, стоимость запчастей).
Купить Коллектор выпускной УМЗ-4216 4216.1008025 Умз цена в интернет-магазине Ав
Блок цилиндров двигателей 420-20, 420-30 УМЗ-4213, 420 (Чертеж № 3: список детал
Вентиляция картера УМЗ-4216 (Евро 3) (Чертеж № 13: список деталей, стоимость зап
Газопроводы впускной и выпускной УМЗ-4216-70 (Евро 3) - купить, цены в интернет-
Привод масляного насоса УМЗ-4213 (Евро 3) (Чертеж № 12: список деталей, стоимост
Свечи, катушка зажигания и жгут высоковольтных проводов на УМЗ-4216-70 (Евро 3)
Маслоприемник и масляный насос ГАЗ А274 (А274, А274-01, А274-02, А274-03, А274-0
Клапан масляного радиатора ГАЗ-3110, 3302 (редукционный) / Каталог запчастей Газ
Регулятор Давления Топлива-РДТ замена. - ГАЗ Газель, 2,5 л, 2008 года своими рук
Разборка и сборка двигателя УМЗ Разборка и сборка двигател. Flickr
Клапан редукционный (топливопровода дв.4213,4216.) Газель, УаЗ с дв. УМЗ ЕВРО-2
Датчики температуры, детонации, абсолютного давления, синхронизации, фазы, давле
Головка блока цилиндров с клапанами УМЗ-4213, 420 (Чертеж № 4: список деталей, с
Купить запчасти для УМЗ УМЗ-А274 (umz-a274-3154), каталог цены в интернет-магази
Разное - Страница 4587 - Шины для спецтехники, шины для погрузчика - резина Armo
Купить в челябинске бензиновую форсунку 4216 - купить по низкой цене на Яндекс М
Штанга толкателя ГАЗель бизнес - УМЗ арт. 42161007024 - купить по выгодной цене
Толкатели, штанги и крышка коромысел УМЗ-4216-80 (Евро 3) (Чертеж № 3: список де
Как снять головку блока Газель 4216
Двигатель ГАЗель 4216 107 лошадинных сил 92 бензин под ГУР ЕВРО 3 инжектор 4216.
Датчик положения дроссельной заслонки УМЗ 4216 " Ремонт, тюнинг и диагностика ав
Запчасти для Автомобили Горьковского автомобильного завода в Набережных Челнах С
Датчик положения дроссельной заслонки УМЗ 4216 " Ремонт, тюнинг и диагностика ав
Трубопроводы топливные - Каталог запчастей УМЗ 4213 (Евро 3) (каталог 2008 г.) /
Седло клапана большое - Клапаны дв.4216 - ГАЗ 2217 "Соболь"
Катушка зажигания, свечи, жгут высоковольтных проводов ГАЗ А274 (А274, А274-01,
Газопроводы впускной и выпускной. - Онлайн каталог автомобилей ГАЗ на сайте комп
Датчик положения дроссельной заслонки УМЗ 4216 " Ремонт, тюнинг и диагностика ав
Термостат ГАЗ 42164 (42164-70, 42164-71, 42164-72, 42164-73, 42164-74, 421647-70
Трубопроводы топливные УМЗ-4216-70 (Евро 3) (Чертеж № 14: список деталей, стоимо
Головка блока цилиндров с клапанами УМЗ-А274 - купить, цены в интернет-магазине