Смотреть видео: Киа рио 1 как разобрать коробку передач

Ремонт мкпп Киа Сид
Киа Рио. Разборка, проверка и сборка коробки передач. KIA Rio / e93d46
Замена кулисы ситроен берлинго - КарЛайн.ру
Ремонт Киа Рио : Технические данные Kia Rio
Про шум и уровень масла в МКПП Киа Авелла 1,5 - KIA Avella, 1,5 л, 1999 года пла
Ремонт Киа Рио : Разборка, проверка и сборка коробки передач Kia Rio
Киа Рио. Разборка, проверка и сборка коробки передач. KIA Rio / e93d46
Готовимся к замене сцепления - KIA Rio 5-door (1G), 1,5 л, 2003 года расходники
Ремонт Киа Рио : Разборка, проверка и сборка коробки передач Kia Rio
Р0077 киа рио ошибка - КарЛайн.ру
Ремонт коробки МКПП Киа Рио, Спортейжд, Сид в Москве Услуги Авито
Замена сцепления и ремонт кпп - KIA Spectra, 1,6 л, 2007 года своими руками DRIV
Ремонт МКПП Kia Rio в Москве купить КПП на Kia Rio замена и установка механическ
Руководство по ремонту Kia Sephia (Киа Сефия) 1995-2001 г.в. 9. Механическая кор
Руководство по ремонту Kia Sephia (Киа Сефия) 1995-2001 г.в. 9.10 Картер сцеплен
Механическая коробка передач Киа Рио 2 (JB)
Ремонт Киа Рио : Разборка, проверка и сборка коробки передач Kia Rio
Ремонт Киа Рио : Разборка, проверка и сборка коробки передач Kia Rio
Надежная коробка автомат куда круче, чем ручная КПП: Показываю 10 моделей с АКПП
Руководство по ремонту Kia Sephia (Киа Сефия) 1995-2001 г.в. 9. Механическая кор
Киа Кларус. Разборка автоматической коробки передач. KIA Clarus / ddf1d5
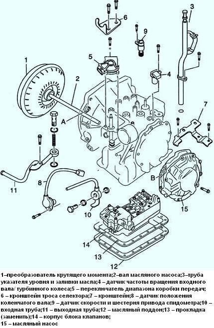
Ремонт Киа Рио : Ремонт автоматической коробки передач Kia Rio
Руководство по ремонту Kia Rio (Киа Рио) 2000 г.в. 8.1. Технические данные Parts
Замена сальников МКПП (КИА Спектра ИЖ) - KIA Spectra, 1,6 л, 2007 года визит на
Снятие и разборка МКПП - KIA Ceed (2G), 1,4 л, 2012 года своими руками DRIVE2
разбор коробки 3 - YouTube
Руководство по ремонту Kia Clarus (Киа Кларус) 95-01 г.в. 9.0 Механическая короб
Валы и шестерни механической коробки передач M5CF Kia Ceed