Смотреть видео: Как соединить одноименные цифры

Как соединить парные
тесты - JoyReactor
удалённое / смешные картинки и другие приколы: комиксы, гиф анимация, видео, луч
Ответы Mail.ru: Помогите решить головоломку
Нужно соеденить одинаковые цифры линиями так, что бы они не пересекались. Загадк
Готова ли традиционная педагогика предложить механизмы развития мышления школьни
Conecte os mesmos números para que as linhas não se cruzem 2022 Головоломки и за
How to solve the problem of joining 3 to 3 - MQL4 and MetaTrader 4 - MQL5
Как соединить цифры чтобы линии не пересекались - Вопросы и ответы
Combine the same numbers so that the lines do not cross. You can’t go beyond ! 2
Сможете а я хочу узнать... -reshimne.ru
Задача соединить цифры чтобы линии не пересекались: найдено 74 картинок
Картинки ЛОГИЧЕСКИЕ ЗАДАЧА ДЛЯ МОЗГА
Ответы Mail.ru: Помогите пожалуйста!
С задачей справляются лишь 1%, IQ которых выше 160. Итак, нужно соединить одинак
Эскизы КАК СОЕДИНИТЬ ПАРНЫЕ ЛИНИИ НЕ ПЕРЕСЕКАЛИСЬ
Как соединить 3 цифры не пересекаясь
Конструкция соединение
Необходимо соединить одинаковые фигуры не пересекающимися линиями. То есть треуг
Головоломка Соедини одинаковые цифры - YouTube
Фото СОЕДИНИТЬ ПАРНЫЕ ЦИФРЫ ЗАДАЧА
Логические задания по математике для 1 класса
Ответы Mail.ru: Сможете решить эту простую головоломку?
Раскраски по номерам для детей Распечатать бесплатно
Сайт Льва Волкова. Задачи.Эйлер. Три домика три колодца Math, Map, Chart
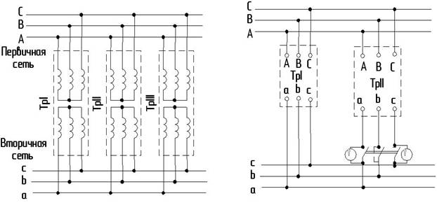
Оптимизация работы силовых трансформаторов. Реферат. История техники. 2009-01-12
Конспект урока математики число и цифра 2
2. Расчет основных параметров легированного полупроводника
Урок по математике "Цифра 6"
Одноименные числа
ОДНОИМЕННЫЕ ОБЪЕКТЫ - фотографии
Виды соединения проводов - CormanStroy.ru
Задача для детей младших классов golovolomki-18 Дзен
Развивающие занятия по сохранению психического здоровья детей в группе дошкольни
Соедини меры
Электричество. Решение задач - презентация, доклад, проект скачать
Соедини цифры с картинками
Соединить цифры чтобы линии не пересекались ответ: найдено 87 изображений
25. соедините разноцветными стрелочками ноты, которые записываютсяпо-разному, а
bus.JPG (865 × 1000) Dot worksheets, Worksheets for kids, Worksheets