Смотреть видео: Как снять трамблер на 402 двигателе уаз

Загадки 402го мотора.
Регулировка трамблера 402 двигатель
Как повернуть трамблер на зубец? - 1 ответ
Снятие и установка датчика-распределителя зажигания в сборе с приводом масляного
Колбасит двигатель на ГАЗ-31029 - Lada 21093i, 1,5 л, 2001 года своими руками DR
Установка распределителя зажигания ( трамблера) - ГАЗ 2410, 2,4 л, 1986 года сво
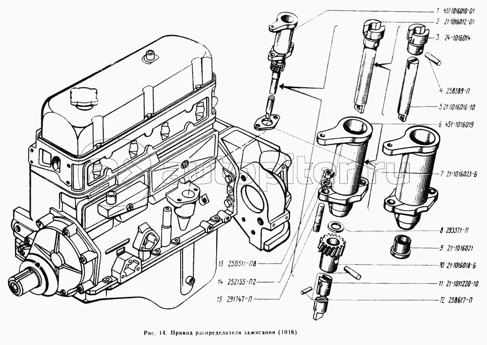
Привод распределителя зажигания - Сообщество "ГАЗ Волга" на DRIVE2
Регулировка трамблера 402 двигатель
Разное Страница 2137
Зажигание - УАЗ 31512, 2,8 л, 2004 года своими руками DRIVE2
Установка бесконтактного зажигания - УАЗ 469, 2,5 л, 1985 года запчасти DRIVE2
Порядок зажигания 402 двигателя: как выставить и отрегулировать
Плохо заводится ЗМЗ-402 - Сообщество "ГАЗ Волга" на DRIVE2
Небольшой ремонт - УАЗ 3303, 2,5 л, 1987 года своими руками DRIVE2
Зажигание 3мз 402 - Сообщество "УАЗоводы" на DRIVE2
Привод распределителя зажигания и масляного насоса УАЗ-31512 - купить, цены в ин
Система зажигания (часть 4) - ГАЗ 24, 2,5 л, 1985 года своими руками DRIVE2
Привод трамблера. Замена. - УАЗ 31514, 2,5 л, 1994 года своими руками DRIVE2
Привод распределителя зажигания УАЗ-3741 - купить, цены в интернет-магазине Авто
Как выставить зажигание на уаз 402 двигатель карбюратор - фото
Замена высоковольтных проводов в Ясенево, техценте Авантаж - Стайл
Как правильно выставить зажигание на газ 3307 видео - фото - АвтоМастер Инфо
Трясет 402 двигатель газель - 86 фото
Техническое обслуживание и ремонт автомобилей Уаз 3160 и его модификаций - Техни
Распределитель зажигания
Как установить электронный трамблер на 402 - фото - АвтоМастер Инфо
Своими руками УАЗ 31512 - отзывы и Бортжурналы на DRIVE2
Какой порядок зажигания УАЗ 469?
Трамблер с датчиком холла - УАЗ 452, 2,5 л, 1982 года тюнинг DRIVE2
Как установить трамблер на двигатель УАЗ 417 - УАЗ Help