Топ-7 финансовых привычек, которые сделают вас богаче в этом году

Ремонт радиаторов автомобилей и заправка автокондиционеров, стоимость: 1500 руб,
Запчасти Komatsu, редукторы, насосы, гидроцилиндры и многое другое.
Радиатор Охлаждения На Погрузчик Прайс-Лист Страница № 105
Замена радиатора на вилочном погрузчике HELI CPCD 15
Радиатор водяной Э4.11.22.001сб
Радиатор на погрузчик X ZL50G
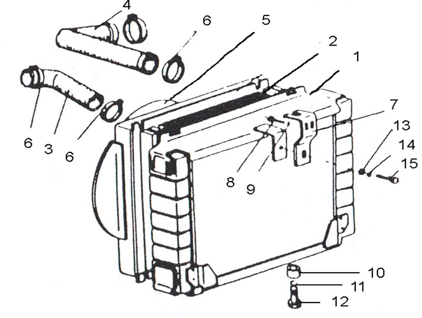
Система охлаждения и разогрева двигателя (А121.33.00.000-01) А-120 (Чертеж № 14:
RADIATOR WB93R-5E0 - купить, цены в интернет-магазине Автопитер
Купить погрузчик Mustang 2076 DXT Dj в Тюмени - объявление № Т-5021221 (336871)
Радиатор Охлаждения На Погрузчик Прайс-Лист Страница № 105
Каталог запасных частей на Экскаватор-погрузчики
Блок радиаторов системы охлаждения бульдозера Б10М, Т-130, Т-170 в Челябинске, к
875001145 Komatsu РАДИАТОР
Система охлождения фронтального погрузчика ТО-30 ПК-22 ПК-27
Водяной радиатор : Запчасти для вилочных погрузчиков
Air distribution - Фронтальный погрузчик Volvo L60E - Machinery house, cab, exte
Замена радиатора отопителя. - ТагАЗ Tager 3D, 2,3 л, 2010 года своими руками DRI
РЕМОНТ JCB! НЕ РАБОТАЕТ ПЕЧКА! - YouTube
Радиатор запчасти бульдозер shantui SD32 Шантуй купить Техсервис
Купить КРЫШКА ЗАЛИВНОЙ ГОРЛОВИНЫ ВОДЯНОГО РАДИАТОРА для спецтехники в интернет-м
Радиатор масляный - 4120001454, запчасти к погрузчикам: купить в Москве - цены о
Радиатор 42N-03-11100 Турция : Система охлаждения купить в наличии - ИНКА СЕРВИС
Исправление заводского брака Радиатор охлаждения погрузчика - YouTube
Электродвигатель вентилятора печки JCB 714/26800, 714-26800, 71426800, 333/D9575
Радиатор водяного охлаждения погрузчика LiuGong CLG856 (ОРИГИНАЛ) купить за 39,4
Купить Реле втягивающее SSP3506 Yuchai в Москве по цене: 6 970 ₽ - объявление от
Купить Радиатор водяной на погрузчик ZL20 в Новосибирске по цене: 18 000 ₽ - объ
CABIN AIR BLENDING SYSTEM (1/2)WB97S-2 S/N 97SF10001-Up Komatsu Запчасти
Запчасти для радиатор (/) погрузчики с бортовым поворотом sk815-5 turbo s/n 37bt
Тяговые Аккумуляторы Для Погрузчиков (Штабелеров)
Тяговые Аккумуляторы Для Погрузчиков (Штабелеров)
Радиатор водяного охлаждения погрузчика LiuGong CLG856 (ОРИГИНАЛ) купить за 39,4
Запчасти для погрузчика ХСМГ LW300F
L220) - SKID STEER LOADER (4/11-) (10.400.BE 02) - RADIATOR & COOLER, ASSY MED (
Ответы Mail.ru: Регулировка гидропривода вентилятора системы охлаждения автобуса
Запчасти для система труб радиатора погрузчики колесные wa180-1lc s/n a75001-up
Запчасти для радиатор (/) погрузчики с бортовым поворотом sk815-5 turbo s/n 37bt
CABIN AIR BLENDING SYSTEM (1/2)WB97S-2 S/N 97SF10001-Up Komatsu Запчасти
Index of /commatech.ro/images/upload/Image/oferte/PLANSE3/KOMATSU
11N6-43021 Радиатор водяной для экскаватора Hyundai R210LC-7 в Москве - Титан Те