Смотреть видео: Как снять коробку на тайге

Теперь поговорим по-мужски. ТАЙГА-Атака, снегоход. Компания МОТО-ВЕЛО, г. Коломн
Коробка передач C40602950-03 - купить с доставкой по России: цена, фото, описани
Коробка передач С40602950-03 - запасные части к снегоходу купить в Москве
Вал ведущий, гусеница, кожух вариатора для снегохода Тайга Группа Компаний Север
Шестерня КПП Тайга C40601084 RM-017931 Русская Механика 7ft.ru
Датчик скорости Тайга RM-123969 (код товара: RM-123969) купить - ProMarine
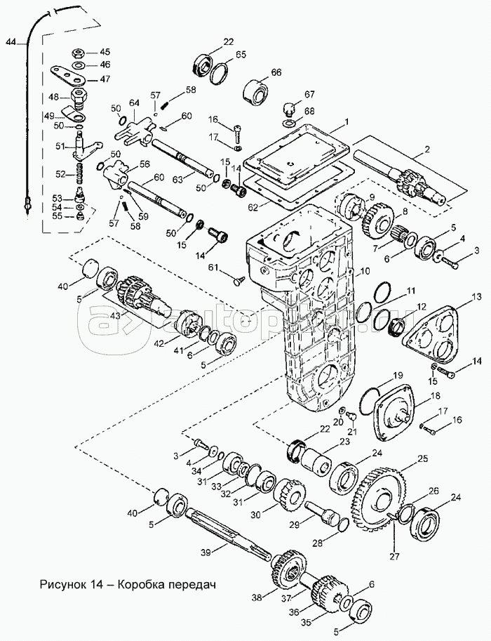
Коробка передач СТ-500Д "Тайга" - купить, цены в интернет-магазине Автопитер
Привод гусеничного движителя
Ось КПП С40600009-01 нового образца 17 мм Тайга купить по выгодной цене с достав
Манжета TC 40x52x7 NBR 70 компания KOK (2 шт) для снегохода ТАЙГА (TAYGA, Русска
Снегоход Тайга: коробка передач, сборка КПП, как снять и поставить, переборка но
Разборка коробки на снегоходе. - YouTube
Разработки для Бурана поэтапно
Тормоз СТ-500Д "Тайга" (Чертеж № 23: список деталей, стоимость запчастей)
Снегоход Тайга СТ-500Д в Ярославле / Купить, узнать цену на сайте Classifieds24
Купить б/у Русская Механика (RM) Тайга СТ500Д карбюратор в Белово: жёлтый 2001 г
Вкладыш 6030-3001 для снегохода ТАЙГА (TAYGA, Русская Механика) ВАРЯГ 550 V (арт
Ремонт, обслуживание снегохода в Ульяновске / Купить, узнать цену на сайте Class
Выпрямитель 21040400601 для снегохода ТАЙГА (TAYGA, Русская Механика) PATRUL 800
Вал ведущий с колесами L30201530 для снегохода ТАЙГА (TAYGA, Русская Механика) В
Снятие коробки на снегоходе skandik WT600 2005 г.в самостоятелно
Коробка передач Тайга - купить, продать, обменять в г.Москва на MOTO.fm
Датчик скорости 32910-E05-0100,32910-E05-0000 купить в интернет-магазине Снегохо
Коробка передач C40600100 для снегохода Тайга Атака 551 II, 0116596 - купить в М
Купить шкив вариатора ведомый Тайга 500, 550, Классика, Патруль, Варяг, Атака -
Ремонт (переборка) коробки реверса Тайга
Ремонт снегоходов в быту
ТО моторного отсека четырехтактной тайги (Барс 850) + Тюнинг - YouTube
Запчасти Тайга Варяг - каталог от А до Я
Ведущий вал под 380мм гусеницу (под шпонку) способ
Преднатяг вариатора - YouTube
Смазка узлов и деталей Снегоход Тайга
Тайга Барс 850 после замены масла - YouTube
Ремонт и обслуживание СТ. - Страница 6 - Клуб путешественников "Сибирские бродяг
Коробка передач L30601100-01 для с/х Тайга СТ-500Д и Атака
Коробка передач C40600100 - Русский снег Запчасти для снегоходов
Шкив вариатора ведомый C40600500 для Тайга Варяг 500/Классика- схема, выбор по к
Купить б/у Русская Механика (RM) Tayga Patrul 550 SWT карбюратор в Инте: чёрный
вот так ездил один без масла в коробе на ниве - DRIVE2
КПП ТАЙГА ПАТРУЛЬ НА СКИДО 600 - YouTube