Смотреть видео: Как снять главный тормозной цилиндр уаз 469

Ремонт ГТЦ УАЗ - УАЗ 2206, 2,9 л, 1998 года своими руками DRIVE2
главный тормозной цилиндр - УАЗ 469, 2,9 л, 1983 года своими руками DRIVE2
Ремонт главного тормозного цилиндра своими руками
Цилиндр главный гидравлических тормозов УАЗ-3151 (Чертеж № 108: список деталей,
31513505009 - Цилиндр тормозной главный УАЗ-469 в сборе с бачками Автогидравлика
Главный тормозной цилиндр - УАЗ 31514, 4 л, 1997 года своими руками DRIVE2
Цилиндр главный тормозной УАЗ-469, 452 с сигнальным устройством и 2-мя бачкам (с
Цилиндр главный тормозной уаз 3151 469 2206 3151 3303 3741 3909 с сигнальным дат
Техническое обслуживание. УАЗ 3160 / 9f12f0
Цилиндр главный гидравлических тормозов УАЗ 31512 (31512-01 (469Б)) купить в Кал
Цилиндр главный гидравлических тормозов УАЗ-31519 (Чертеж № 123: список деталей,
Гтц уаз 469 нового образца
06501 Главный тормозной цилиндр УАЗ 469/452 3151-3505010-59 (2 бачка, без сигнал
Бачки ГТЦ, омывателя, топливный фильтр и др. - УАЗ 31512, 2,4 л, 1994 года своим
Цилиндр главный гидравлических тормозов УАЗ-3160 - купить, цены в интернет-магаз
Купить Цилиндр тормозной УАЗ главный два бачка с/о 3151-3505010 Уаз цена в интер
Цилиндр главный тормозов УАЗ-37419
Главный тормозной цилиндр. - УАЗ 3909, 2,5 л, 2001 года своими руками DRIVE2
Купить Цилиндр тормоза главный УАЗ-452, 469 н/о (ОАО АДС) (с 1м бачком, с датчик
Педаль и привод механизма управления тормозами УАЗ-2206 (Чертеж № 132: список де
Тормоза. - УАЗ 31514, 2,5 л, 1998 года своими руками DRIVE2
Цилиндр главный тормозов УАЗ 33036
Цилиндр главный тормозной УАЗ-469 452 31512 3303 2 бачка с делителем РСТ 3151350
РСА-СВ - ГТЦ УАЗ 3151 469 3160 / с 1-м бачком, н/о / Автогидравлика / 3160-35050
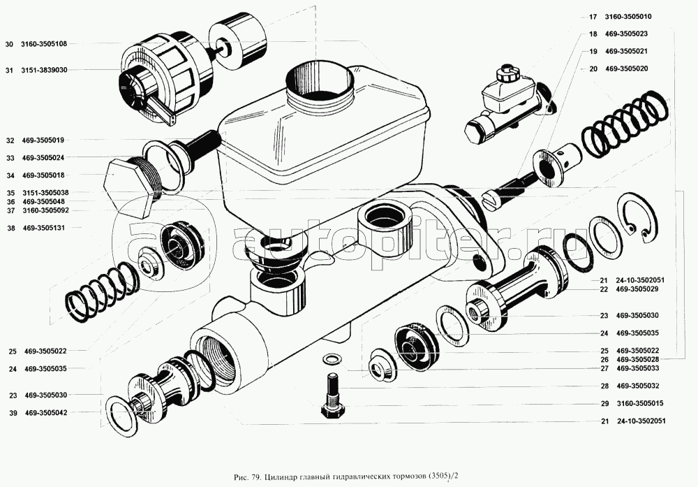
Цилиндр главный гидравлических тормозов (3505)/1 УАЗ 31512 (31512, 31514, 31519)
От бачка ГУРа шума больше нет. - Lifan 620, 1,6 л, 2011 года своими руками DRIVE
Цилиндр главный гидротормозов УАЗ 3163
Купить Цилиндры тормозные Krauf до 10000 рублей в интернет каталоге с доставкой
Цены Авто-Кан на Московском шоссе в Ульяновске - Zoon
Цилиндр тормозной главный Riginal для а/м УАЗ-469, 452, 31512, 2206, 3303, 3741,