Смотреть видео: Как снять двигатель киа спортейдж 3

День Х - Установка двигателя - KIA Sportage (3G), 2 л, 2011 года своими руками D
Покупка автомобиля-донора, демонтаж двигателя на автомобиле с АКПП - KIA Sportag
День Х - Установка двигателя - KIA Sportage (3G), 2 л, 2011 года своими руками D
Kia sportage 3 g4kd - Сhecknoginsk на DRIVE2
День Х - Установка двигателя - KIA Sportage (3G), 2 л, 2011 года своими руками D
Защита картера - KIA Sportage (2G), 2 л, 2006 года аксессуары DRIVE2
День Х - Установка двигателя - KIA Sportage (3G), 2 л, 2011 года своими руками D
Тест-драйв Kia Sportage. Деликатный подход к обновлению
Капитальный ремонт G4NA - KIA Sportage (3G), 2 л, 2015 года визит на сервис DRIV
Начинаем ремонт потихоньку. - KIA Sportage (1G), 2 л, 2001 года своими руками DR
Ремонт G4KD для KIA Sportage III. Да у вас дым из трубы! - КарповМоторс на DRIVE
Обновленный KIA Sportage немного прибавил в стоимости
Мотор G4KD Kia Sportage 2.0л 150лс Контрактный Festima.Ru - частные объявления
Снятие поддона двигателя (устраняем пониженное давление масла) - KIA Sportage (1
Информация по свечам зажигания для нового Сида.. КИА СИД Санкт-Петербург KIA Cee
Капитальный ремонт двигателя кия спортейдж 3 KIA SPORTAGE 3 G4KD Кемерово #капит
Течь поддона двигателя - KIA Sportage (2G), 2 л, 2009 года поломка DRIVE2
Kia Forte - Engine Oil and Filter - Power Train
Первая моя смена масла в движке - KIA Pro_Ceed, 2 л, 2008 года расходники DRIVE2
КИА Спортейдж 2 поколения с пробегом: на что обращать внимание
Снятие переднего бампера Kia Sportage 3 - DRIVE2
Капремонт двигателя - KIA Sportage (3G), 2 л, 2012 года своими руками DRIVE2
Автомобили Kia Sportage на разборках России
Контрактный (б у) двигатель KIA D4FD (КИА Sportage)1,7 л 116 л/с
Kia Sportage III
Removal and installation of the oil pan (Kia Sportage 1 1993-2005: Power unit: D
Servicing the cylinder head and timing components (Kia Sportage 1 1993-2005: Pow
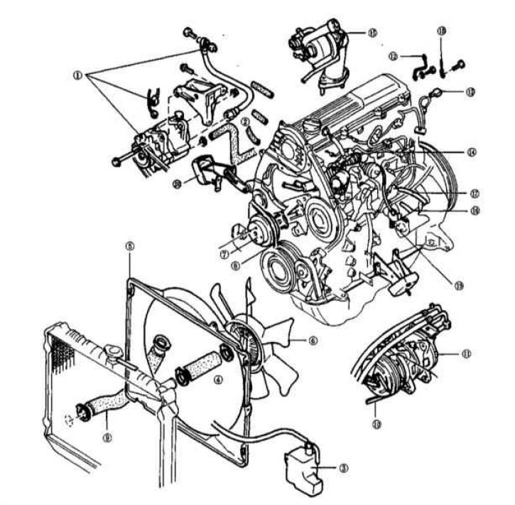
Removal and installation of the engine (Kia Sportage 1 1993-2005: Power unit: Di
Замена шкива генератора с обгонной муфтой KIA Sorento XM FL - KIA Sorento (2G),
Kia Sportage - Front Bumper Cover Repair procedures - Front Bumper