Смотреть видео: Как снять дверь гольф

как снимается ручка двери наружняя на Volkswagen Golf 6
Разборка двери на Volkswagen Bora - YouTube
Руководство по ремонту Volkswagen Golf IV (Фольксваген Гольф) 1997-2005 г.в. 13.
Volkswagen Tiguan 2007-2015: Removal and installation of the carrier panel with
Фольксваген Гольф Клуб - Показать сообщение отдельно - Golf 6 Снятие салонной об
Ремонт Фольксваген Гольф : Снятие и установка внутренней отделки двери VW Golf I
VW Golf 6 как снять ручку двери - YouTube
Подготовка к покраске, снятие дверных ручек - Volkswagen Golf Mk5, 1,4 л, 2008 г
Снятие обшивки двери Фольксваген Гольф 5
Поменял задний стеклоподъемник! - Volkswagen Golf Mk2, 1,3 л, 1987 года запчасти
Замена замка двери! - Volkswagen Golf Plus, 1,4 л, 2008 года кузовной ремонт DRI
Замена правого переднего стекла - Volkswagen Golf Variant (Mk4), 1,9 л, 2003 год
Ремонт дверных замков в Некрасовском: 64 слесаря с отзывами и ценами на Яндекс У
Volkswagen Golf 2003-2008: Front door - device (Golf) (Body / Doors and covers)
Ремонт Фольксваген Гольф : Двери VW Golf IV
Как снять дверь c vw golf v - golf 5
Volkswagen Tiguan 2007-2015: Door adjustment (Body / External equipment) VWmanua
Ремонт центральных замков 3 дверей - golf 4 - Volkswagen Golf Mk4, 1,4 л, 1998 г
Разборка и Покраска накладок стоек дверей - Volkswagen Jetta V, 1,6 л, 2007 года
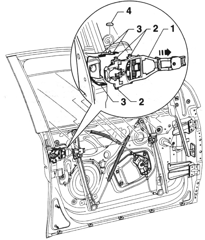
Volkswagen Golf 2003-2008: Lock cylinder - removal and installation (Body / Door
Снять дверную карту поло
Volkswagen Golf 2003-2008: Door lock and outer door handle bracket - removal and
Ремонт Фольксваген Гольф : Снятие и установка стекла двери VW Golf IV
Ручки дверей от Polo sedan - Volkswagen Jetta VI, 1,6 л, 2016 года аксессуары DR
Ремонт дверных замков Golf 5 Замки от Фаэтона? - Volkswagen Golf Mk5, 1,6 л, 200
Ответы Mail.ru: Заблокировалась задняя левая дверь на машине Volkswagen jetta 20
казалось ничего сложного. - Volkswagen Golf Mk3, 1,8 л, 1992 года своими руками
Volkswagen Golf Mk5 - отзывы и личный опыт на DRIVE2
Ремонт замятой двери на Фольксваген Гольф гтй. - ВВ-СЕРВИС на DRIVE2
Профилактика-обслуживание фиксаторов положения двери гольф 3 - Volkswagen Golf C
Шумка на передние двери - Volkswagen Golf Mk5, 1,6 л, 2006 года автозвук DRIVE2
Volkswagen Golf 2003-2008: Door - removal and installation (Golf) (Body / Doors
Замена замка водительской двери Golf 4 (Часть 2) - Volkswagen Golf Mk4, 1,4 л, 2
Снять дверь jetta
как разобрать дверь гольф плюс, замена бокового датчика удара подушек - YouTube
Запись номер два - Volkswagen Golf Mk4 GTI, 1,8 л, 1999 года кузовной ремонт DRI
Volkswagen Golf 2003-2008: Side rear door - removing and installing the outer pa
Подсветка дверей - Volkswagen Golf Mk6, 1,2 л, 2012 года тюнинг DRIVE2
Замена капота в Восточном административном округе - Кузовной ремонт автомобиля -
Руководство по ремонту Volkswagen Golf IV (Фольксваген Гольф) 1997-2005 г.в. 13.