Смотреть видео: Как снять блок питания с телевизора самсунг



Как снять блок питания с телевизора самсунг

Как снять блок питания с телевизора самсунг
Блок питания для телевизора купить в Чебоксарах с доставкой Электроника Авито
Как снять блок питания с телевизора самсунг
BN44-00616A (L46ZF_DSM) блок питания телевизора Samsung купить за 4 900 руб. с г
Как снять блок питания с телевизора самсунг
BN44-00206A блок питания телевизора Samsung купить за 2 475 руб. с гарантией - С
Как снять блок питания с телевизора самсунг
Ремонт телевизоров в Выборге: 86 мастеров по ремонту телевизоров
Как снять блок питания с телевизора самсунг
Ремонт телевизоров с выездом на дом в Михайловке: 61 мастер по ремонту телевизор

Как снять блок питания с телевизора самсунг
Тв-мастера, сервисный центр на Чистопрудном бульваре в Москве
Как снять блок питания с телевизора самсунг
Модуль питания для телевизора Samsung BN44-00264A BN44-00264C
Как снять блок питания с телевизора самсунг
Блок питания для телевизора Samsung UE40D5500 BN44-00458A
Как снять блок питания с телевизора самсунг
Отчет ремонта блока питания телевизора samsung HV32HD9SS - YouTube
Как снять блок питания с телевизора самсунг
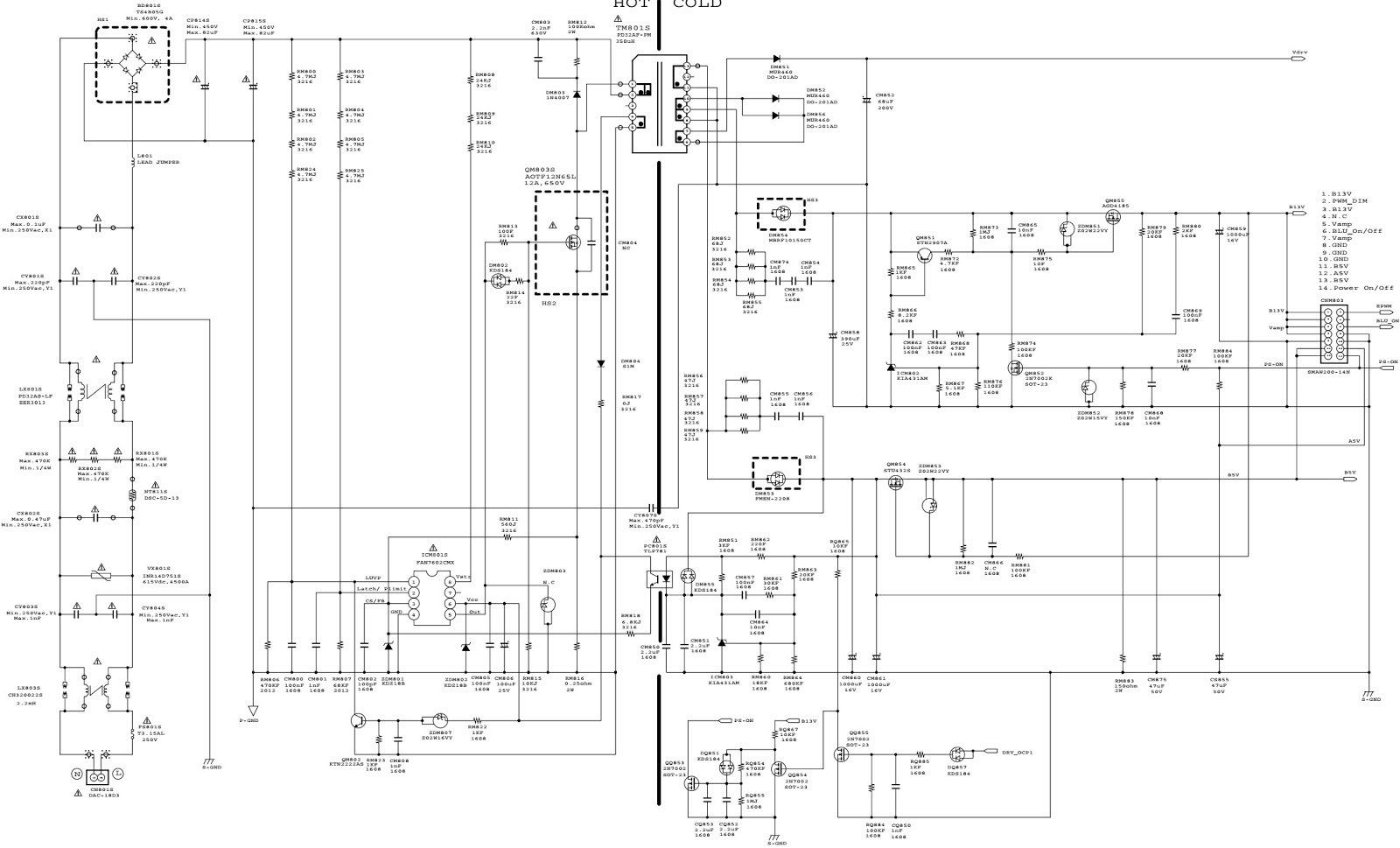
BN44-00605A схема
Как снять блок питания с телевизора самсунг
Ремонт модуля питания телевизора Samsung UE40ES7507U. Не включается - YouTube
Как снять блок питания с телевизора самсунг
Блок питания для телевизора SAMSUNG купить в Иркутске Электроника Авито
Как снять блок питания с телевизора самсунг
BN44-00605A (PSLF770S05A) блок питания телевизора Samsung купить за 1 330 руб. с
Как снять блок питания с телевизора самсунг
Блок питания BN96-03058A PSLF181501 для Samsung LE26R71B, LE26R72B, LE27S71B и д
Как снять блок питания с телевизора самсунг
LG EBT62679606 (EAX64872104(1.0)) Main Board for 50LN5600-UI EAX64872104(1.0) -
Как снять блок питания с телевизора самсунг
Блок питания Samsung 32EH5000W BN44-00493B - купить в Партизанске, цена 600 руб.
Как снять блок питания с телевизора самсунг
Ответы Mail.ru: Нужна схема БП телевизора
Как снять блок питания с телевизора самсунг
Блоки питания № 7 - Запчасти и ремонт телевизоров. скупка телевизоров в Прокопье
Как снять блок питания с телевизора самсунг
Блок питания ТВ Samsung PS43D452A5W BN44-00442A (Б/У) AliExpress
Как снять блок питания с телевизора самсунг
Блок питания телевизора самсунг схема: найдено 76 картинок
Как снять блок питания с телевизора самсунг
Купить Плата блока питания Samsung UE32EH4000W в интернет магазине комплектующих
Как снять блок питания с телевизора самсунг
Jual psu-power supply TV SAMSUNG UA32EH4003 di lapak AGOES ELEKTRONIK Bukalapak
Как снять блок питания с телевизора самсунг
Блоки питания телевизоров самсунг схемы
Как снять блок питания с телевизора самсунг
Вызов телемастера в Санкт-Петербурге и Ленинградской области: 116 мастеров по ре
Как снять блок питания с телевизора самсунг
Блоки питания телевизоров самсунг схемы
Как снять блок питания с телевизора самсунг
DPS-119CP блок питания телевизора Philips купить за 3 840 руб. с гарантией - СЦ
Как снять блок питания с телевизора самсунг
Блоки питания телевизоров самсунг схемы
Как снять блок питания с телевизора самсунг
BN44-00622B схема
Как снять блок питания с телевизора самсунг
Схема питания телевизора samsung Shtampik.com
Как снять блок питания с телевизора самсунг
Схемы лед телевизоров - 35/48
Как снять блок питания с телевизора самсунг
Блок питания телевизора самсунг схема
Как снять блок питания с телевизора самсунг
Блок схема телевизора самсунг
Как снять блок питания с телевизора самсунг
На разбор Два iPhone 5s Festima.Ru - Мониторинг объявлений
Как снять блок питания с телевизора самсунг
Блоки питания телевизоров шарп
Как снять блок питания с телевизора самсунг
Схема питания телевизора samsung Shtampik.com
Как снять блок питания с телевизора самсунг
Samsung LED BN44-00496A (PSLF760C04A) Placa LED de fuente de alimentación Electr
Как снять блок питания с телевизора самсунг
Блок питания BN44-00622B / L42X1Q_DHS для телевизора Samsung UE40F6100AK купить
Как снять блок питания с телевизора самсунг
Jual PSU - regulator - power supply tv led Samsung UA 46D5500 RM di lapak Batam
Как снять блок питания с телевизора самсунг
BN44-00645A L42S1_DSM Блок питания телевизора SAMSUNG купить за 2 220 руб. с гар
Как снять блок питания с телевизора самсунг
BA44-00242A Блок питания телевизора Комплектующие телевизоров Самсунг