Смотреть видео: Как разобрать заднюю дверь тигуан

Полная шумоизоляция Volkswagen Tiguan 1 поколения в Воронеже за 1 день всего сал
VW Tiguan. Как разобрать двери. Это надо знать! Жесть по вечерам! начинаем ремон
Как работает дренаж задних дверей кто знает где что проверить 2020 VOLKSWAGEN TI
Volkswagen Tiguan с 2007 года - aварийное запирание или отпирание дверей
Как снять карту двери на Volkswagen Touareg 2013 - YouTube
Как снять обшивку двери Фольксваген Тигуан - YouTube
Как снять заменить стекло передней двери VW TIGUAN (2013) demontaz zamiana szyby
Дверь задняя правая (5NA833056G) для Volkswagen Tiguan с 2016г в Екатеринбурге -
Как снять дверную карту шевроле круз - КарЛайн.ру
VW Tiguan 2: Fitting Locations
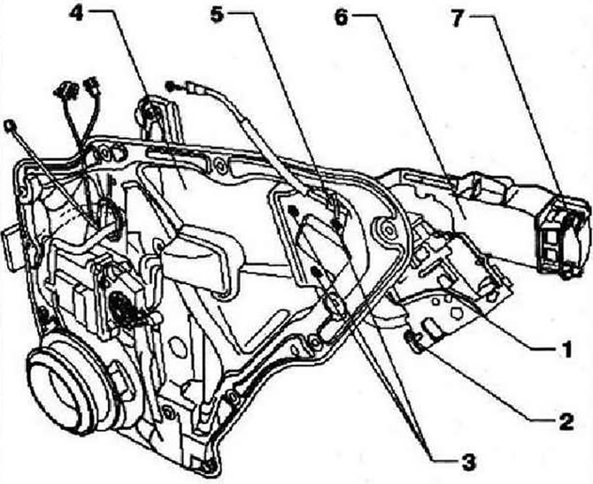
Руководство по снятию внутренней металлической ппанели в двери Tiguan
Амортизатор крышки багажника Volkswagen Tiguan - замена в автосервисе VW-parts
Тигуан дверные карты - КарЛайн.ру
Как снять молдинг двери на фольксваген тигуан Локо Авто.ру
Volkswagen Tiguan 2007-2015: Tailgate locking mechanism (Body / External equipme
Volkswagen Tiguan 2007-2015: Removal and installation of the external door handl
5N0 833 056 A VAG Дверь задняя
Замок передней двери Volkswagen Tiguan - замена в автосервисе VW-parts
Toyota RAV4 2013 года, Привет всем читателям (и писателям), 4 wd, бензин, вариат
Volkswagen Tiguan 2007-2015: Removal and installation of an upholstery of a back
Снял обшивку двери на "немецкой" и "корейской" машине, чтобы выяснить где проще
Volkswagen Tiguan 2007-2015: Door adjustment (Body / External equipment) VWmanua
Замок задней двери Volkswagen Tiguan - замена в автосервисе VW-parts
Тигуан дверные карты - КарЛайн.ру
Тигуан как снять обшивку багажника - Дельта Драйв
Перешив салона и автоковрики для Volkswagen Tiguan - VESTIS - Автоателье и Детей
тигуан как разобрать дверь - Авто Класс.ру
Volkswagen Tiguan 2007-2015: Removal and installation of the lock of a back door
Обшивка двери задней левой под электрику (5N0867211) для Volkswagen Tiguan с 200
Устранения стуков в багажнике Тигуана при помощи регулировки замка пятой двери
Часть 2:Шумоизоляция дверей - Volkswagen Tiguan (1G), 2 л, 2012 года тюнинг DRIV
Снял обшивку двери на "немецкой" и "корейской" машине, чтобы выяснить где проще
Как правильно демонтировать ручки Тигуан NF - YouTube
Шумоизоляция дверей - Volkswagen Tiguan (2G), 1,4 л, 2020 года автозвук DRIVE2
Volkswagen Tiguan 2007-2015: Door adjustment (Body / External equipment) VWmanua
Замок задней двери Volkswagen Tiguan - замена в автосервисе VW-parts
Шумка и разбор двери багажника - Volkswagen Tiguan (2G), 2 л, 2017 года своими р
Шумоизоляция - Volkswagen Tiguan (2G), 1,4 л, 2017 года автозвук DRIVE2
Лечение протекающей двери - Volkswagen Tiguan (1G), 2 л, 2013 года своими руками
Разборка задней двери! - Volkswagen Tiguan (1G), 2 л, 2009 года своими руками DR