Смотреть видео: Как разобрать планетарный миксер



Как разобрать планетарный миксер

Как разобрать планетарный миксер
Ответы Mail.ru: Как выглядит электромиксер в разрезе?
Как разобрать планетарный миксер
Könyvelő Rothadt ötvözet m20a mixer Rögeszmés Adós Mosoly
Как разобрать планетарный миксер
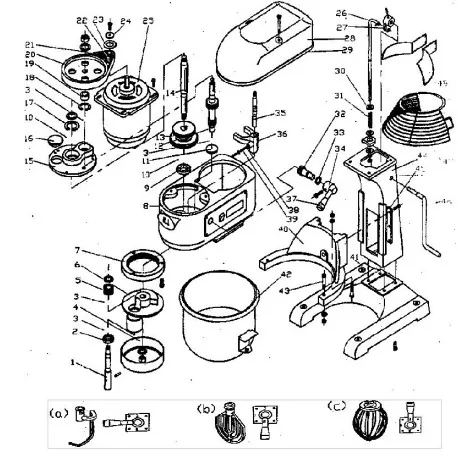
Запчасти для миксера планетарного Sinmag SM 201
Как разобрать планетарный миксер
Clutch gearbox Mixer B20F M20A B10
Как разобрать планетарный миксер
Миксер планетарный Hurakan HKN-KS5 - купить в интернет магазине ENTERO.RU

Как разобрать планетарный миксер
Analytik Poptávka svetr mixer parts Plešatý učitel Výňatek
Как разобрать планетарный миксер
Ремонт микроволновых печей в Соль-Илецке: 82 мастера по ремонту бытовой техники
Как разобрать планетарный миксер
Многофункциональный Промышленный Планетарный Пищевой Миксер Для Выпечки Яиц,Торт
Как разобрать планетарный миксер
Где ремонтируют швейные машинки в Оренбурге: 68 мастеров по ремонту бытовой техн
Как разобрать планетарный миксер
Clutch gearbox Mixer B20F M20A B10
Как разобрать планетарный миксер
Планетарный миксер большой емкости 40 л для эффективной подготовки пищи-B40F (Ре
Как разобрать планетарный миксер
Ремонт планетарного миксера REDMOND RFM-5301. Не откидывается верхняя часть микс
Как разобрать планетарный миксер
РЕМОНТ МИКСЕРА ОРБИТАЛЬНОГО ТЕСТОМЕСА ПРОСЛУЖИЛ 5 ЛЕТ DIY Repair of the dough mi
Как разобрать планетарный миксер
Ремонт Планетарного миксер Kitfort КТ-1308 Замена подшипника - смотреть видео он
Как разобрать планетарный миксер
Миксер планетарный Hurakan HKN-IP10F - купить в интернет магазине ENTERO.RU
Как разобрать планетарный миксер
Устройство миксера
Как разобрать планетарный миксер
Миксер планетарный профессиональный Professional 6.9 л Цвет: белый в магазине Vi
Как разобрать планетарный миксер
Ремонт кухонного комбайна Redmond RKM-4030 Часть 1 - YouTube
Как разобрать планетарный миксер
Как разобрать миксер Bosch, Braun, Scarlett и другие своими руками
Как разобрать планетарный миксер
Cater-Mix CK0820 20 Litre Heavy Duty Planetary Mixer - OUT OF STOCK
Как разобрать планетарный миксер
Планетарный миксер GEMLUX GL-SM600W / Миксеры.
Как разобрать планетарный миксер
PRETICH.ru - Статьи: BLISS SH-200 миксер, обзор и разбор
Как разобрать планетарный миксер
ремонт миксера планетарного - YouTube
Как разобрать планетарный миксер
Стационарный Миксер Gemlux GL-SM-88CR, 1000 Вт - купить по низким ценам в интерн
Как разобрать планетарный миксер
Планетарный миксер: инструкция по применению - "Еда"
Как разобрать планетарный миксер
Ремонт планетарного миксера KitFort KT-1308 - Мастер Пайки
Как разобрать планетарный миксер
Как разобрать планетарный миксер (комбаин) moulinex qa510110. - YouTube
Как разобрать планетарный миксер
Цельнометаллический планетарный миксер Kitfort KT-3074 - Хлебопечка.ру
Как разобрать планетарный миксер
Планетарный миксер KT-1357 сильный шум при работе - YouTube
Как разобрать планетарный миксер
Американский тестомес ksm90 после ремонта - YouTube
Как разобрать планетарный миксер
КОМПЛЕКТ ЗАДАНИЙ ПО УЧЕБНОЙ ПРАКТИКЕ ПМ.02 Выполнение сервисного обслуживания бы
Как разобрать планетарный миксер
Цельнометаллический планетарный миксер Kitfort KT-3074 - Хлебопечка.ру
Как разобрать планетарный миксер
Как разобрать планетарный миксер (комбаин) moulinex qa510110. - YouTube
Как разобрать планетарный миксер
Планетарный миксер + мясорубка Gemlux GL-SMPH5
Как разобрать планетарный миксер
Американский тестомес ksm90 после ремонта - YouTube
Как разобрать планетарный миксер
Картинки ВЗБИВАЛЬНАЯ МАШИНА ПРАВИЛА ЭКСПЛУАТАЦИИ
Как разобрать планетарный миксер
Отзыв о Планетарный миксер Kitfort KT-1353 Чудо машина для кухни
Как разобрать планетарный миксер
Обзор от покупателя на Миксер Gemlux GL-SM5.1GR планетарный - интернет-магазин О
Как разобрать планетарный миксер
Миксер планетарный Торгмаш Барановичи МП-5, миксер с чашей, тестомесильная машин
Как разобрать планетарный миксер
Миксер KitchenAid 5KSM7580XECA, карамельное яблоко - купить в интернет-магазине