Смотреть видео: Хендай санта фе маркировка двигателя

Замена масел - Hyundai Santa Fe (1G), 2 л, 2011 года плановое ТО DRIVE2
Картинки САНТА ФЕ ДИЗЕЛЬ ГДЕ НОМЕР
Самый надежный двигатель Хендай Санта Фе (Hyundai Santa Fe) с мелкими недостатка
Ресурс двигателей и трансмиссии hyundai santa fe (хендай санта фе)
Где номер двигателя Хендай Санта Фе 2.2 дизель 2.4, 27 и ВИН код
Car Pictures List for Hyundai Grand Santa Fe 2017 3.3L FWD (SaudiArabia) YallaMo
Тест-драйв: Всматриваемся в обновления кроссовера Hyundai Santa Fe - DRIVE2
Блок цыліндраў (Hyundai Santa Fe 2 2007-2012, бензін: Рухавік 2.0 і 2.4 літра: Р
Hyundai Santa Fe. Руководство по эксплуатации, техническому обслуживанию и ремон
Новый Двигатель G4KE 2.4 мощность 175 л.с купить в Москве Авито
156F12FU00 KIA HYUNDAI ЗАПЧАСТЬ бу купить по цене от 27256 руб. AC1572120 - iZAP
9544739525 Hyundai/Kia БЛОК УПРАВЛЕНИЯ АКПП - купить, цена в Санкт-Петербурге
Ремонт Хендай Санта Фе: Механическая часть (двигатель объемом 2,7 л.) Hyundai Sa
Ответы Mail.ru: Замена ремня ГРМ на Hynday Santa Fe (ДИЗЕЛЬ)
Хендай Санта фе. Где расположен номер двигателя? Дизель D4EA - YouTube
Двигатели и КПП из Кореи - Двигатель D4EB Хендай СантаФе 2.2 150-155 л.с
Ответы Mail.ru: где расположен номер двигателя у Hyundai Santa Fe на самой машин
Замена акпп F4A42 4WD Хендай Туксон - DRIVE2
Впускная и выпускная системы - устройство (Хендай Туссан 1 2005-2010: Силовой аг
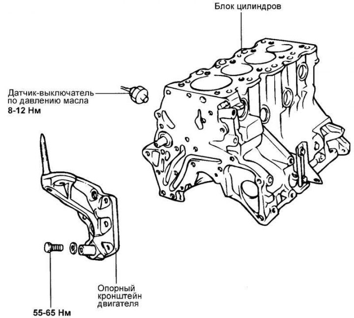
Каталог запчастей Huyndai Santa Fe 00MY (2000-2006) : Двигатель : Подвеска двига
Hyundai Santa Fe фото № 71820 автомобильная фотогалерея Hyundai Santa Fe на Авто
Двигатель бу G6EA Hyundai santa fe 2.7 2005-2010 купить в Москве Hyundai-KIA g6e
Опора амортизатора верхняя (чашка), Hyundai Santa Fe 2005-2012 4416371 G6DB - Ав
Поставил на учет в своем городе (номер дизельного двигателя Санта фе 3) - Hyunda
Ремонт Хендай Санта Фе : Габариты и общий вид автомобиля Hyundai Santa Fe
Руководство по ремонту Hyundai Santa Fe (Хендай Санта Фе) 2006+ г.в. 4.5. Таблиц
Замена свечей на Санта Фе 2002 бензин 2.0 - Hyundai Santa Fe (1G), 2 л, 2002 год
Продажа оригинальных запчастей для иномарок: купить автозапчасти для Hyundai San
Hyundai santa fe двигателя где находится
2002 hyundai santa fe engine diagram - Google Search Santa fe, Vehicles
Каталог запчастей Huyndai Santa Fe 00MY (2000-2006) : Двигатель : Подвеска двига
Каленчаты вал і махавік (Hyundai Santa Fe 2 2007-2012, бензін: Рухавік 2.0 і 2.4
Купить двигатель Hyundai из любой точки России / Доставка двигателей и установка
Двигатель бу G6EA Hyundai santa fe 2.7 2005-2010 купить в Москве Hyundai-KIA g6e
Поставил на учет в своем городе (номер дизельного двигателя Санта фе 3) - Hyunda
Wymiary i widok ogólny samochodu (Hyundai Santa Fe 2 2007-2012, benzyna: Instruk
Руководство по ремонту Hyundai Santa Fe (Хендай Санта Фе) 2006+ г.в. 4.5. Таблиц
Замена свечей на Санта Фе 2002 бензин 2.0 - Hyundai Santa Fe (1G), 2 л, 2002 год
Продажа оригинальных запчастей для иномарок: купить автозапчасти для Hyundai San
Двигатель Hyundai Santa Fe 2.2. D4EB (АКПП) купить в Санкт-Петербурге Hyundai-KI