Смотреть видео: Гольф 3 чертеж моновпрыска

Volkswagen Golf III Система управления двигателем "Mono-Motronic"
Презентация на тему "Система с распределенным впрыском топлива" - прочее, презен
Механический впрыск. Основные системы Jetronic - Audi 200 (C3), 2,5 л, 1991 года
Распиновка разъемов (фишек) моновпрыска и рхх - Volkswagen Golf Variant (Mk3), 1
Топливная система моновпрыск фольксваген гольф 3 - купить в Дзержинске, цена 2 5
Volkswagen Polo 1995-2003: Fuel injection and ignition control system Mono-Motro
Фольцваген вента замена свечей и фланца моновпрыска - DRIVE2
CFI fuel injection system - design description (Gasoline engines / CFI injection
Замена фланца под моно впрыском. - Volkswagen Passat B3, 2,8 л, 1992 года запчас
MONO впрыск. - Volkswagen Golf Mk3, 1,6 л, 1993 года своими руками DRIVE2
Разборка Моно или ДЗ - Volkswagen Golf Mk3, 1,8 л, 1994 года поломка DRIVE2
Восстановление моновпрыска, проблема с прокладкой и мембраной - Volkswagen Golf
замерзает моновпрыск - Volkswagen Golf Mk2, 1,8 л, 1988 года своими руками DRIVE
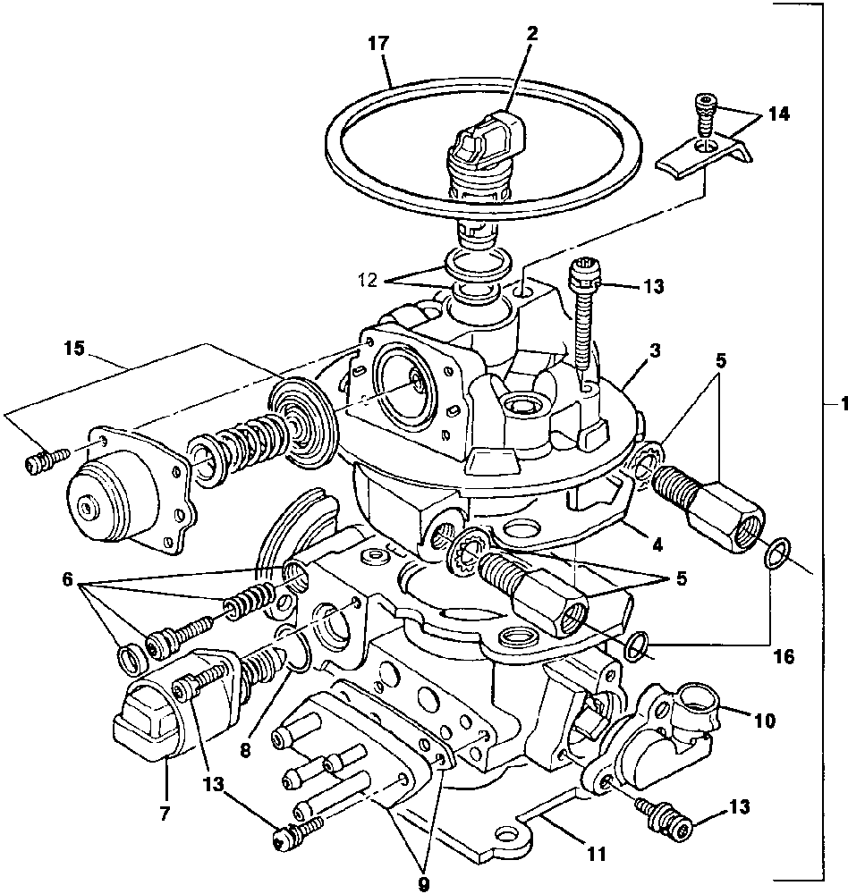
Чертежи, так для себя . - DRIVE2
Моновпрыск ( моноинжектор ) гольф,пассат 1.6 и 1.8 - купить в Москве, цена 2 700
050133517 VAG Клапан вентиляции, топливный бак купить в интернет-магазине AvtoTO
Removal and installation of components of the Bosch Mono-Motronic system (Skoda
Моноинжектор - устройство, принцип работы, преимущества и особенности
Моновпрыск ч.1 (чистка и замена фланца) - SEAT Toledo (1G), 1,8 л, 1993 года сво
MONO впрыск. - Volkswagen Golf Mk3, 1,6 л, 1993 года своими руками DRIVE2
Гольф 3 Моновпрыск - купить в Новочеркасске, цена 1 500 руб., продано 4 июля 201
Чистка моновпрыска - Volkswagen Golf Mk3, 1,8 л, 1997 года своими руками DRIVE2
Моновпрыск - Volkswagen Golf Mk2, 1,8 л, 1989 года помощь на дороге DRIVE2
Моновпрыск - Volkswagen Vento, 1,8 л, 1994 года своими руками DRIVE2
Как определил поломку и поменял подушку моновпрыска - Volkswagen Golf Mk3, 1,4 л
VW Golf 2/jetta 2 моновпрыск Festima.Ru - частные объявления
Моновпрыск - Volkswagen Golf Mk1, 1,1 л, 1978 года запчасти DRIVE2
Разборка Моно или ДЗ - Volkswagen Golf Mk3, 1,8 л, 1994 года поломка DRIVE2
Решение проблемы ТГМ (термо глюк моновпрыска) - Volkswagen Passat B4, 1,8 л, 199
Перебрал моно-впрыск - Volkswagen Passat B3, 1,8 л, 1991 года своими руками DRIV
Перебрал моно-впрыск - Volkswagen Passat B3, 1,8 л, 1991 года своими руками DRIV
Как определил поломку и поменял подушку моновпрыска - Volkswagen Golf Mk3, 1,4 л
Вопрос, нуждаюсь в помощи по моновпрыску - Volkswagen Vento, 1,8 л, 1992 года по
Моновпрыск. part-1 Чистка - Volkswagen Golf Mk2, 1,8 л, 1989 года своими руками
Установка солекса - Volkswagen Golf Mk2, 1,6 л, 1986 года своими руками DRIVE2
чистим моновпрыск 1,8 - Volkswagen Vento, 1,8 л, 1994 года своими руками DRIVE2
Моновпрыск мать его - Volkswagen Golf Mk3, 1,6 л, 1993 года своими руками DRIVE2
Моновпрыск, ремонт, помогите! - Volkswagen Passat B3, 1,8 л, 1992 года своими ру
Ремонт! Опять. - Opel Astra F, 1,6 л, 1994 года своими руками DRIVE2
Моновпрыск фольксваген (68 фото) - красивые картинки и HD фото