Смотреть видео: Датчик холостого хода ваз схема

Ещё не сгнил, но уже оторвался или замена разъёма РХХ - ЗАЗ Chance, 1,4 л, 2012
Датчик холостого хода: проверка и частые неисправности РХХ
Проверка датчика холостого хода на ВАЗ-2110: признаки неисправности
Схема: устройство регулятора холостого хода Рено Логан
непонятки с распиновкой РХХ
Пропал холостой ход. Ремонтируем Bosch M7.9.7. Заметки автодиагноста Дзен
Исправен ли РХХ. Как это проверить? - Lada 2114, 1,5 л, 2006 года своими руками
Проверка датчика холостого хода на ВАЗ-2110: признаки неисправности
Проверка регулятора холостого хода
Ответы Mail.ru: КАк проверить клапан егр с помощью аккумулятора. КУда подключить
Плавают обороты холостого хода Ваз-2107 инжектор- меняем РХХ Ваз 2107 классика
втягивание датчика хх на ваз - Chevrolet Niva, 1,7 л, 2004 года своими руками DR
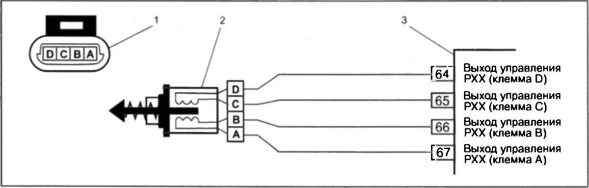
Регулятор холостого хода (РХХ)
Датчик холостого хода Шевроле Круз: где находится
Датчик холостого хода: проверка и частые неисправности РХХ
Датчик холостого хода: проверка и частые неисправности РХХ
Высокие обороты на ХХ - Renault Logan (1G), 1,6 л, 2006 года своими руками DRIVE
Пропал холостой. Не обязательно РХХ причина - Lada Калина хэтчбек, 1,6 л, 2010 г
Проверка датчика холостого хода на ВАЗ-2110: признаки неисправности
Регулятор холостого хода (РХХ). ЭСУД LADA с контроллером М73 Евро-3 - устройство
Датчик холостого хода ваз 2109 инжектор - Всё об автомобилях Лада ВАЗ
Январь 5.1 на 1.8RP часть 3 - Volkswagen Golf Mk2, 1,8 л, 1989 года тюнинг DRIVE
Chery Tiggo. Сумгаит. Отзывы владельцев с фото - DRIVE2.RU
Регулятор холостого хода (рхх) "" как работает, неисправности, проверка
301 Какая такая масса у РХХ? - Lada 2115, 1,5 л, 2000 года другое DRIVE2
Немогучий РХХ. - Lada Приора хэтчбек, 1,6 л, 2011 года поломка DRIVE2
Chevy-Niva * Просмотр темы - А чем и как чистят РХХ?
Картинки РЕГУЛИРОВКА ХОЛОСТЫХ ОБОРОТОВ ДВИГАТЕЛЯ
Проверка регулятора холостого хода ВАЗ 2114
21203114830004 Регулятор холостого хода ВАЗ 21213 LADA Запчасти на DRIVE2