Смотреть видео: Блок схема управления акпп

Honda АКПП MRPA - электронная система управления
Блок управления АКПП: назначение и устройство
#7 Свап АКПП V4A51 → V4AW3 (акт 5 схемы) - Mitsubishi Delica (L400), 3 л, 2002 г
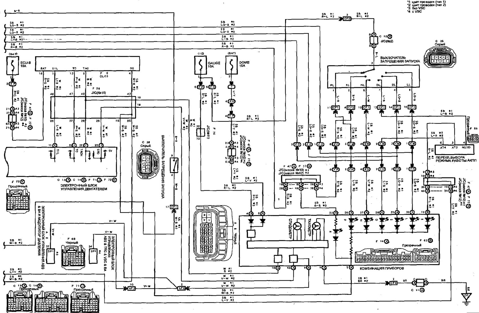
Система электронного управления АКПП 2JZ-GE Toyota MARK II CHASER CRESTA выпуска
Система электронного управления АКПП 1JZ-GE Toyota MARK II CHASER CRESTA выпуска
Ремонт платы управления в Санкт-Петербурге
Volkswagen Passat 1988-1996: Wiring diagram of the hydromechanical gearbox contr
Сістэма кіравання АКПП (мадэлі з электронным кіраваннем АКПП) (Таёта Дуэт, M100,
Электронная система управления АКПП Mitsubishi Pajero - Форум AutoPeople
Разъем для АКПП. - Volkswagen Caravelle (T4), 2,8 л, 1999 года электроника DRIVE
Миграция с EGS51 до EGS52. Схемы АКПП. (Часть 3) - Mercedes E-class, 5.5 л., 199
Тойота витц электрическая схема - фото - АвтоМастер Инфо
Электронная система управления АКПП Mitsubishi Pajero - Форум AutoPeople
АКПП 097, Распиновка разъема ЭБУ АКПП " Форум по АКПП и CVT
Скрытые режимы POWER / SNOW АКПП Nissan - Nissan Bluebird Sylphy (G10), 1,5 л, 2
Маслокулер АКПП. Подача/обратка через фитинги. - Mitsubishi Legnum VR-4, 2,5 л,
Блок управления АКПП (электрический) 42 RE
2.4 Принципиальные схемы - DRIVE2
Нужна помощь знающих. АКПП для АКПП jeep cherokee xj 4.0 1989 - Сообщество "Всё
Ремонт эбу citroen c4 - КарЛайн.ру
Хендай Крета/Грета 2020-2021 - Электрические схемы /1.6 MPI /Схемы /Коробка пере
Схема тойота - КарЛайн.ру
АКПП - АВАРИЙНЫЙ РЕЖИМ - Audi A6 (C4), 2,5 л, 1997 года своими руками DRIVE2
Індыкатары і электронная сістэма кіравання АКПП (4A-FE) (Таёта Карына Т190, 1992
Схема подключения форсунок 1g fe
Mitsubishi delica схема электрооборудования - фото - АвтоМастер Инфо
Схема эбу ix35
2.3 Принципиальные схемы - DRIVE2
Hyundai Elantra: Электросхема системы управления АКПП (1.6L I4) - Трансмисия - Р
41ТЕ а 604 " Форум по АКПП и CVT
Honda АКПП MRPA - электронная система управления
Engine and transmission management system (1.6L DOHC engine) (Kia Cerato 1 2004-
2.3 Принципиальные схемы - DRIVE2
Электронная система управления АКПП Mitsubishi Pajero - Форум AutoPeople
Hyundai Elantra: Электросхема системы управления АКПП (1.6L I4) - Трансмисия - Р
41ТЕ а 604 " Форум по АКПП и CVT
Всё про автоматическую коробку передач Мастер Винтик. Всё своими руками!
Система електронного управління АКПП, 4WD та індикатори (4A-FE, 7A-FE) (Тойота К
Авто электрик, объявление ID 135798 в Иваново
Электрасхема аўтаматычнай каробкі перадач (Рэно Сімбол 2, 2008-2013, бензін) - "