Смотреть видео: Tpa3118 схема усилителя

1 шт. TPA3118 PBTL моно цифровой усилитель плата 1X60W 12В 24В усилитель мощност
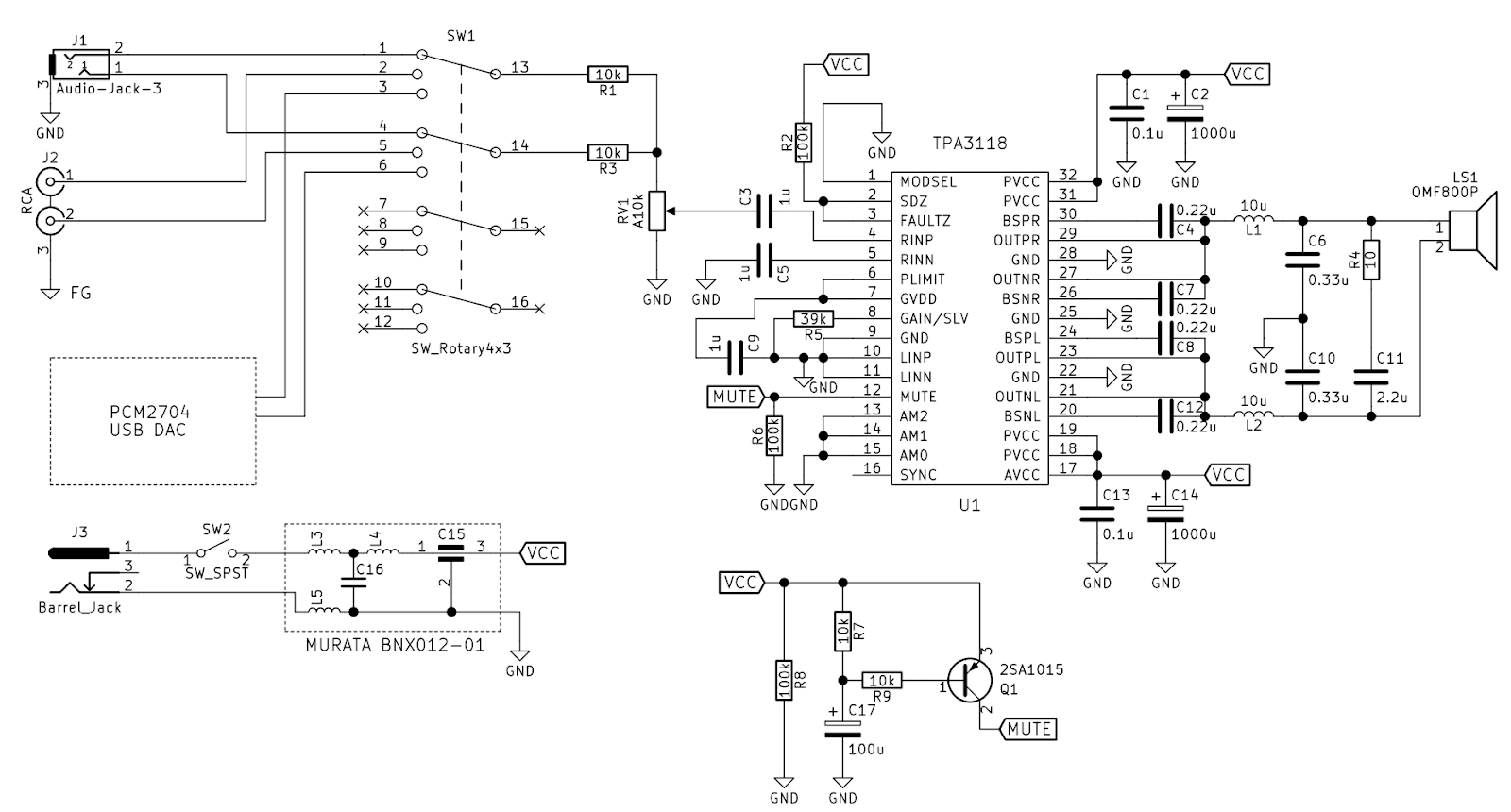
Help with TPA3118 project diyAudio
TPA3118 Amplifier and Speaker Amplifier, Audio amplifier, Subwoofer amplifier
Подключение цифрового усилителя: найдено 87 картинок
amplifier - TPA3118: coils and op-amp getting warm - Electrical Engineering Stac
Factory Price Tpa3116d2 2.1 Class D Audio Power Amplifier Module Dc12-24v 2x50w+
Микросхема TPA2012D2RTJR - купить в интернет-магазине по низкой цене на Яндекс М
12V 60W Stereo Digital Audio Power Amplifier Board Electronic Circuit Module DIY
član paket pošta two audio inputs to one output ograda posjetiti stolica
TPA3120D2 - стерео усилитель класса D мощностью 25 ватт от компании Texas Instru
RDC2-0020, Усилитель низкой частоты класса D. TPA3116D2. 2х50Вт. - включение BTL
TPA3113D2 разумная цена и экспресс доставка, информация, характеристики, datashe
Усилитель с чипом TPA3110 Power amplifiers, Linn, Power
Система Jimpro - Страница 25
Цифровой аудио усилитель мощности - купить в интернет-магазине по низкой цене на
RDC2-0034a, Усилитель мощности класса D. TPA3255, PurePath, 315Вт Stereo или 600
TPA3117D2 datasheet - 15-W stereo, 8- to 26-V supply, analog input Class-D
TM4P, Усилитель низкой частоты класса D, 40Вт. TPA3106D, ChipDipDac купить в роз
Mini audio amplifier 30 - купить недорого AliExpress
TM4K, Усилитель низкой частоты класса D, 2x25Вт. TPA3123D2, ChipDipDac купить в
tpa3116 - TPA 3116 - Pagina 21
Микросхема tpa3116d2 даташит на русском: TPA3116D2 характеристики усилителя: dat
VRTP - Усилитель на TPA3118,60вт.АЛИ.Отлично
RDC2-00201, Усилитель низкой частоты класса D. TPA3118. 2х30Вт. - включение BTL
Tpa3110d2 схема включения фото HobbiArt.ru
Схема усилителя мощности звука D-класса на TPA3116D2
Модуль усилителя мощности CIRMECH TPA3118 PBTL AliExpress
"The Wiener" TPA3118 amplifier card diyAudio
Усилитель звукового сигнала мощностью 600 Вт / Habr
Типовое решение Стереусилитель класса D TPA3250D2EVM: 130 Вт x2 @ 4 Ом, питание