Смотреть видео: Str f6653 схема включения

STR G6653 схема включения - RadioRadar
Типовые дефекты шасси CL TV Service
STRF6654 микросхема
TOSHIBA 14CJ1RB шасси MCL437F какая STR ? Форум по ремонту Monitor
STR - F6653 switching power thick-film integrated circuit diagram - Basic_Circui
HAPPI TV POWER SUPLY SCH Service Manual download, schematics, eeprom, repair inf
315 - Fonte Chaveada com o CI STRF6654 - YouTube
Str 6653 схема включения
TCL PDP4221 V2 схема блока питания
STRF6653 даташит ETC техническое описание радиодетали, STR-F6653 / STR-F6654 Blo
Даташит на микросхему STRF6654-STRF6654 страница 1 Search, Floor plans, Diagram
NEO NT-21TDS чем заменить STR-G8654A в БП?
Vitel шасси WP-811 - не запускается БП, щёлкает.
JVC БП AV2113EE Форум по ремонту Monitor
STR G6653 схема включения - RadioRadar
STR W6553 схема включения - RadioRadar
STRF6653 даташит ETC техническое описание радиодетали, STR-F6653 / STR-F6654 Blo
STRD6601
STRG6653 даташит ETC техническое описание радиодетали, STR-G6653 Block Diagram о
TOSHIBA блок питания на STR-G8656 РЕШЕНО
Str 6653 схема включения
LG crt tv power supply problem repairing - YouTube
G5653-G8656 My-chip.info - Дневник начинающего телемастера
STR W6553 схема включения - RadioRadar
STR G6653 схема включения - RadioRadar
Str 6653 схема включения
STRG6653 даташит ETC техническое описание радиодетали, STR-G6653 Block Diagram о
Electro help: CTV SMPS POWER SUPPLY - USING ICs STR F6707 - STR G6653 - TEA 1507
ERISSON S14 шасси 3Y11 - не запускается БП (РЕШЕНО)
STR50103B
Перейти на страницу с картинкой
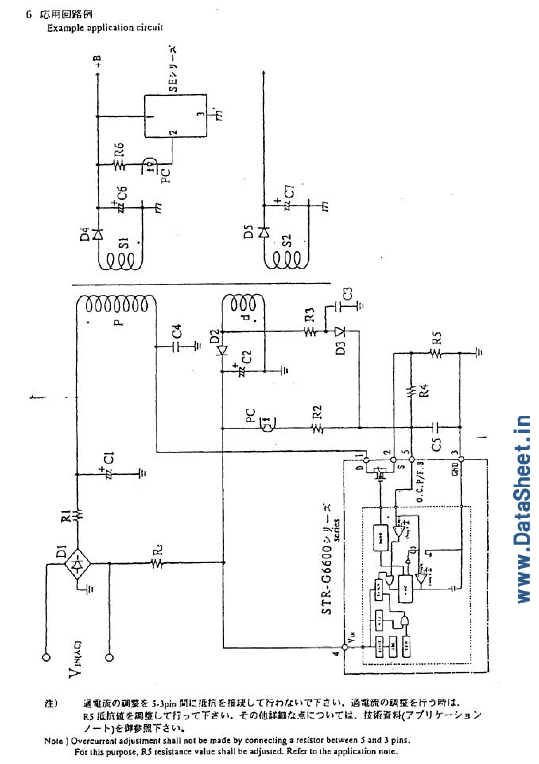
STR-F6600 Datasheet - Off-line Quasi-resonant Flyback Converter ( Pinout
Опыт ремонта ИИП... - Форум про радио
Микросхема STR54041 - ШИМ-контроллер для ипульсных блоков питания со встроенным
Sharp 21AG1-S не включается
SHARP 21AG1-S(РЕШЕНО)
Str F6654 Circuit Diagram
Pin on switch mode Electronic schematics, Diy electronics, T games
ТВ LG CF20D33E - Форумы сайта "Отечественная радиотехника ХХ века"
Electro help: NEC DTE-29U1TH - PF68T32 - SCHEMATIC Circuit Diagram - Using ICs -