Смотреть видео: Stm32f407vet6 отладочная плата схема

STM32F407 USB Mass Storage Host with Black Board - STMicroelectronics Community
Материнская плата STM32F407VET6 STM32F407VGT6 STM32, системная плата STM32F407,
Танцы с бубном над чёрной мамкой на базе stm32f407vet6 часть 3
Материнская Плата Taidacent M4 32-bit Risc Stm32f4 M4,Макетная Плата Микроконтро
f407vet6 & f407zet6 - Spark Logic
STM32F407ZGT6 development board STM32F4 core board M4 core board arm development
Главная Сайт о микроконтроллерах STM32 и не только
STM32 COPY Resources
STM32F103VET6/STM32F407VET6 原 理 图 stm32f407vet6 开 发 板 原 理 图-CSDN 博 客
STM32 Cortex-M4 STM32F407VET6 Development Board STM32 Cortex-M4 STM32F407VET6 De
Схема отладочной платы stm32
Stm32F4Ve - 68 фото
Схема stm32f407g disc1
Схема отладочной платы stm32
STM32F407VGT6 - ARM Cortex M4 - 1MB Flash - 168Mhz - LQFP100 6462 : Sunrom Elect
Universal io port and stm32f407vet6 the difference stm32f407zgt6 - Programmer So
Stm32 reset
STM32F407VET6 eBay Board STM32F4XX copy - OSHWLab
Stm32f407 Stm32f407vet6 Stm32f407vgt6 Development Board Cortex-m4 Stm32 System F
Core407V STM32F407VET6 STM32 Cortex-M4 Development Board Mainboard Module eBay
Stm32f407 Stm32f407vet6 Stm32f407vgt6 Development Board Cortex-m4 Stm32 System F
Stm32f407: найдено 80 изображений
Плата STM32F407VET6 ARM STM32 - купить в интернет-магазине lrob.ru
Плата STM32F407VET6 ARM STM32 - купить в интернет-магазине lrob.ru
Отладочная плата с микроконтроллером STM32 (STM32F407VET6) CH2
Схема stm32f407g disc1
Stm32f407 discovery схема
STM32F407 Datasheet Meta Search
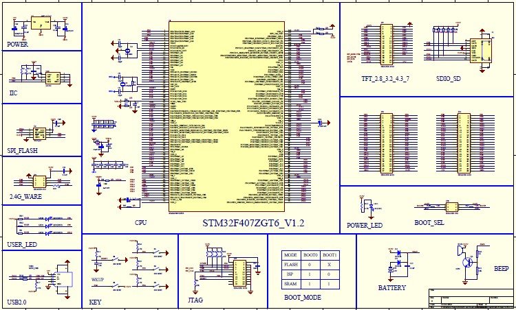
STM32F407 Dev Board - CPU Resources
STM32F407VET6 макетная плата системная плата печатная плата, DIY AliExpress
Макетная плата STM32F103RCT6 Core Board STM32 AliExpress
Системная плата STM32F407VET6 STM32F407VGT6 STM32, макетная плата STM32F407, пла
Core407V STM32F407VET6 STM32 Cortex-M4 Development Board Mainboard Module eBay
Waveshare Stm32f4 Core Board Core407v Stm32 Board With Stm32f407vet6/stm32f407vg
Source Module De Contrôle Industriel STM32F407VET6 Développement RS485 Double PE
STM32F407VET6 Микроконтроллер 32-Бит - купить с доставкой по выгодным ценам в ин
Mcu Stm32f407vet6,32 Бит В Наличии,Микроконтроллер Cortex M4f,168 Мгц,3,5-контак
Купить port407v stm32f407vet6 stm32f407 stm32 arm cortex-m4 развития основной Со
VRTP - STM32
Схема подключения stm32 - 85 фото