Смотреть видео: Prestige 220s pro схему найти

Pin on Electrónica
Помогите с ремонтом Blueweld Prestige 164 - Ремонт - Форум по радиоэлектронике
Сварочный аппарат BLUEWELD Prestige 220/S Pro - купить в Тюмени, цена 8 500 руб.
Blue Weld prestige 236 pro Инструкция по эксплуатации онлайн 31/34 216088
Второй блин уже экзешником. Ремонт BlueWeld Prestige 164. Компания инженеров Дзе
Telwin Technology 228 CE/GE 230V 3/6 Www blueweld ru
BLUEWELD PRESTIGE 211S замена FGH40N60SFD и ТГР INVERTER48
tehnodoka.ru Версия для печати BlueWeld PRESTIGE 210PRO
Просмотр инструкции сварочного оборудования BlueWeld Prestige 220 S PRO, страниц
Ремонт сварочных инверторов, сварочное оборудование и материалы, ул. Зубковой, 8
Инвертор синус 50 Гц своими руками - Страница 69 - realstrannik.com
Инвертор PRESTIGE 228 CE/GE купить в магазине TD-MSO по цене 0 руб
Форум РадиоКот :: Просмотр темы - ИИП для новичков продвинутых на SG3525
Товары Комисcионный магазин № 1, Самара - 1 339 товаров ВКонтакте
Сварочный Инвертор Ergus B 81/30 Нужна Помощь - Сварочные аппараты и мощные сете
TELWIN 140 WELDING MACHINE Service Manual download, schematics, eeprom, repair i
BLUEWELD PRESTIGE 210 PRO схема инструкция INVERTER48
Гонг" " Сварочный инвертор (220 В) Prestige 236 PRO
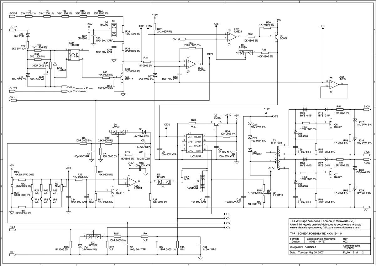
Схема сварочного инвертора телвин 164
BLUEWELD PRESTIGE 171 S схема инструкции INVERTER48
BLUEWELD PRESTIGE 210 PRO схема инструкция INVERTER48
нужен совет telwin technology 220 \s - Ремонт и модернизация - Форум сварщиков В
Форум РадиоКот * Просмотр темы - ТГР в сварочном
Принципиальная электрическая схема инвертора BLUEWELD PRESTIGE 211 S в 2020 г Пр
Инвертор PRESTIGE 228 CE/GE купить в магазине TD-MSO по цене 0 руб
FENDER PASSPORT VENUE REV.A SCH Service Manual download, schematics, eeprom, rep
Сварочный Инвертор Globus 160 - Песочница (Q&A) - Форум по радиоэлектронике
Инвертор сварочный престиж 164 схема: BLUEWELD PRESTIGE 164 схема инструкции
Подскажите схему самодельного вольтомметра с автоматическим выбором предела. - Ф
Сварочный инвертор PRESTIGE 220/S PRO
Подскажите схему самодельного вольтомметра с автоматическим выбором предела. - Ф
Инвертор сварочный престиж 164 схема: BLUEWELD PRESTIGE 164 схема инструкции
Blueweld PRESTIGE 220/S 2/6 Описание
Сварочный инвертор PRESTIGE 220/S PRO
piuit institut jeton schema electrica a invertorului telwin force inverter 145 d
Blueweld PRESTIGE 210 8/8 Www blueweld ru
Сварочный инвертор своими руками - Страница 12 - Форум радиолюбителей
Схема сварочный аппарат telwin tecnica 164 - Фотоподборки 1
Circuit Diagram Telwin Welder
Telwin Tecnica 141 nie działa zasilacz - elektroda.pl