Смотреть видео: Mp24s cx схема блока питания

DEXP F22B3000E LCD-телевизоры и плазменные панели
DEXP 22A7200 MP24S-CX блок питания телевизор - купить по низкой цене на Яндекс М
DEXP H24B7100E (MP24S-CX) плата питания для телевизора - DNS-RUS.RU запчасти для
MP123T-24TL схема
MEGMEET MP113-W LED POWER SUPPLY SCH Service Manual download, schematics, eeprom
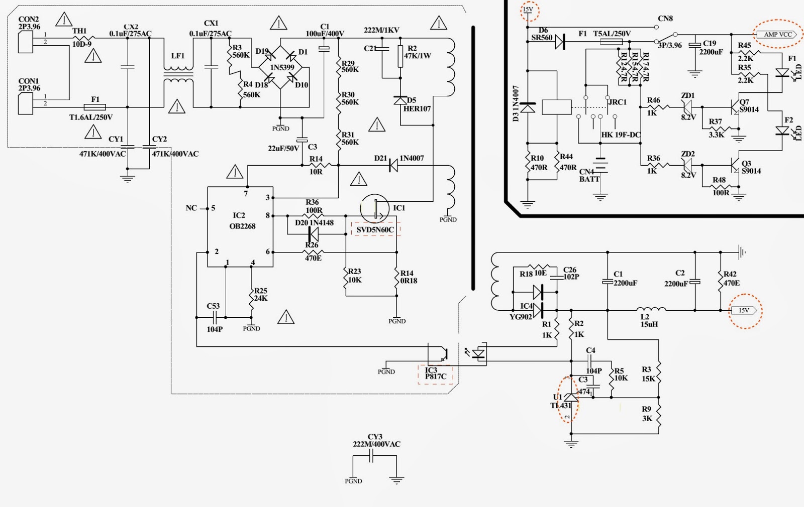
Mp24s cx схема
MEGMEET MP118 PSU SCH Service Manual download, schematics, eeprom, repair info f
Блок питания MP24S-CX Rev:1.0 - купить в Кропоткине, цена 1 000 руб., продано 13
Mp24s cx схема фото - PwCalc.ru
Mp24s cx схема
Mp24s cx схема pdf
DEXP F24B7200VE (MP24S-CX1-CJ) плата питания для телевизора
Mp24s cx схема
Mp24s cx схема фото - PwCalc.ru
схема БП от тв HELIX HTV-323L
Куплю плату блока питания MP24S-CX для ТВ DEXP F22B7000E
Электроника: kb 3151c плата - купить по выгодной цене в интернет-магазине AliExp
MEGMEET MLT019L-C POWER-INVERTER SCH Service Manual download, schematics, eeprom
MP24S-CX. Купить можете у нас. Отправим по России.
BBK LT2209S LCD-телевизоры и плазменные панели
Блок питания PCB: MP24S-CX REV:1.0 - купить в Екатеринбурге. Состояние: Б/у. Печ
РЕШЕНО : PSU : MP24S-CX DEXP F22B7000E Красноярск
MEGMEET MP118T PSU SCH Service Manual download, schematics, eeprom, repair info
MEGMEET MP118T PSU SCH Service Manual download, schematics, eeprom, repair info
Electro help: LENOXX CA-310A SMPS Power Supply) & AMPLIFIER SCHEMATICS - TDA7851
Блок питания MP24S-CX REV1.0 телевизор DNS 24AE7000
Espec схемы телевизоров
MEGMEET MLT198L-T1 POWER SUPPLY SCH Service Manual download, schematics, eeprom,
mp24s-cx rev:1.0 плата питания для телевизора - DNS-RUS.RU запчасти для планшето
Megmeet Pcb:mp24s-cx Mp24s-cx1 Kb-3151c E255554 Zl-01 Board - Lcd Monitors - Ali
Оригинальная плата питания печатной платы: Φ E255554 AliExpress
Плата питания MP24S-CX - купить в Челябинске, цена 500 руб., продано 4 декабря 2
Блок питания для телевизора MP24S-CX - купить в интернет-магазине по низкой цене
Ob2263mp схема включения - TouristMaps.ru
Принципиальные схемы fsp
Переделка atx блока питания на 12в - RN3AIG.RU
Вежливый свет - Сообщество "Электронные Поделки" на DRIVE2
Mp24s cx схема
Image result for smps s-150-48 schematic
Переделка atx блока питания на 12в - RN3AIG.RU