Смотреть видео: Mip260b схема блока питания

Блок питания Polar MIP260K-24 схема
MEGMEET MIP260B SCH Service Manual download, schematics, eeprom, repair info for
MEGMEET MIP260B SCH Service Manual download, schematics, eeprom, repair info for
MIP260B купить
THOMSON MIP260T POWER SUPPLY Service Manual download, schematics, eeprom, repair
MIP260B-11 mip260b
ERISSON 26LS16; 32LS16 Шасси 5800-A8M61A-02 LCD-телевизоры и плазменные панели
MEGMEET MIP260B POWER-INVERTER SCH PL Service Manual download, schematics, eepro
Mip260b схема блока питания - TouristMaps.ru
Оригинальный DTV 2630 питания MIP260B Прочие электронные компоненты АлиЭкспресс
MIP260D, M260TWR1
MIP260B купить в Москве Электроника Авито
MEGMEET MIP236-VT PSU SCH Service Manual download, schematics, eeprom, repair in
Ремонт блока питания MIP260B Валентин Левчаткин Дзен
Tea1733 схема блока питания - Basanova.ru
MIP260B-HA в наличии купить - "ProFDetali"
RCA MIP260B-19 Power Supply / Backlight Inverter RCA MIP260B-19 Power Supply / B
ERISSON 26LS16; 32LS16 Шасси 5800-A8M61A-02 LCD-телевизоры и плазменные панели
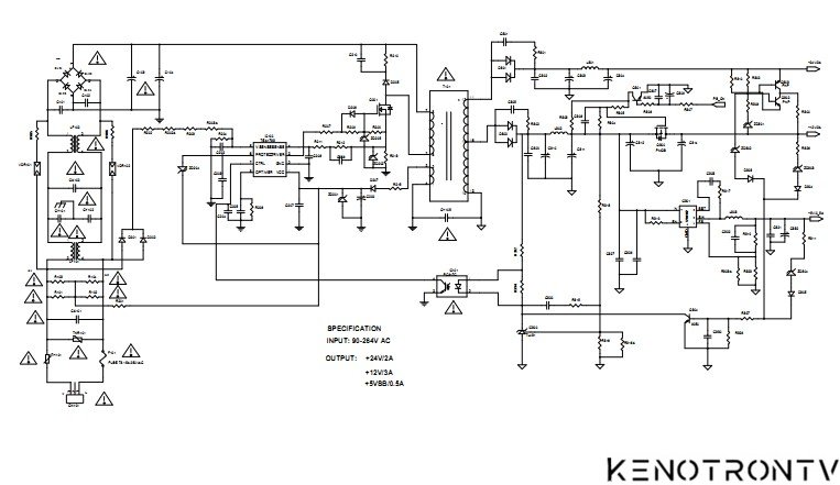
Mitsai LCD2632 04TA069D power supply - Схемы БП LCD, PDP TV - KenotronTV
MISTERY MTV-2607W LCD-телевизоры и плазменные панели
Qservice Electronics Tektronix Oscilloscope Parts & Manuals - F-U LCD TV Repair
Блоки питания :: power inverter shinco dtv-2630 mip260b-103
Ремонт блока питания MIP260B Валентин Левчаткин Дзен
MIP260B REV: 1.1 POWER SUPPLY FOR GOODMANS LD2667D2
MIP260B-HA, в магазине радиодеталей "Много ЗИП"
HAIER MSDV3219-ZC01-01 MAIN PSU DC-DC SCH Service Manual download, schematics, e
MIP260B-HA MIP260B MIP260B-1 Good Working Tested Electronic components, Home app
Купить LCD, CRT аксессуары Оригинальный TCL в mip260b mip260b-1 mip260b-11/-17/-
MEGMEET MP113-W LED POWER SUPPLY SCH Service Manual download, schematics, eeprom
MEGMEET MLT198L-T1 POWER SUPPLY SCH Service Manual download, schematics, eeprom,
THOMSON 26N90NH10 питание + инвертор (MIP260T)
MIP260T MIP260T-L MIP260T-L03, www.iccfl.com
Megmeet MIP260B-HA Power Supply / Backlight Inverter Megmeet MIP260B-HA Power Su
MEGMEET MLT198L-T1 POWER SUPPLY SCH Service Manual download, schematics, eeprom,
Схема AcBel API3PCD2 ATX-450P-DNSS 450W Принципиальная схема, Схемотехника, Элек
Добро пожаловать в LASER-HEAD
MEGMEET MP118 PSU SCH Service Manual download, schematics, eeprom, repair info f
ERISSON 26LS16; 32LS16 Шасси 5800-A8M61A-02 LCD-телевизоры и плазменные панели
Схема JNC SY-300ATX Electronic circuit projects, Circuit diagram, Electronics ci
at_psu_1.gif (1000 × 733)