Смотреть видео: Mcr100 6 схема включения



Mcr100 6 схема включения

Mcr100 6 схема включения
Тиристор mcr100 6 распиновка
Mcr100 6 схема включения
Mcr100 6 схема включения
Mcr100 6 схема включения
Фотореле на тринисторе MCR100-6 - Конструкции простой сложности - Схемы для начи
Mcr100 6 схема включения
Схема проверки симистора: найдено 87 изображений
Mcr100 6 схема включения
Four-way flashing light string circuit ( 8 ) - LED_and_Light_Circuit - Circuit D

Mcr100 6 схема включения
Mcr100 6 схема включения
Mcr100 6 схема включения
Mcr100 8 схема включения
Mcr100 6 схема включения
Incandescent lamp life extension switch circuit 2 - Switch_Control - Control_Cir
Mcr100 6 схема включения
ИК синхронизатор ламп-вспышек, схемы
Mcr100 6 схема включения
Single-way flashing light string circuit (2) - LED_and_Light_Circuit - Circuit D
Mcr100 6 схема включения
Как сделать фоторезистор
Mcr100 6 схема включения
Meglévő 12V-os akkutöltőhöz feszültségkorlátozó áramkört készítettem. Elektrotan
Mcr100 6 схема включения
Схема простого фотореле на основе тринистора MCR100-6
Mcr100 6 схема включения
Фотореле , выбор схемы - Дайте схему! - Форум по радиоэлектронике
Mcr100 6 схема включения
Mcr100 6 схема включения
Mcr100 6 схема включения
简 易 光 控 路 灯 电 路(1)-灯 光 控 制-维 库 电 子 市 场 网
Mcr100 6 схема включения
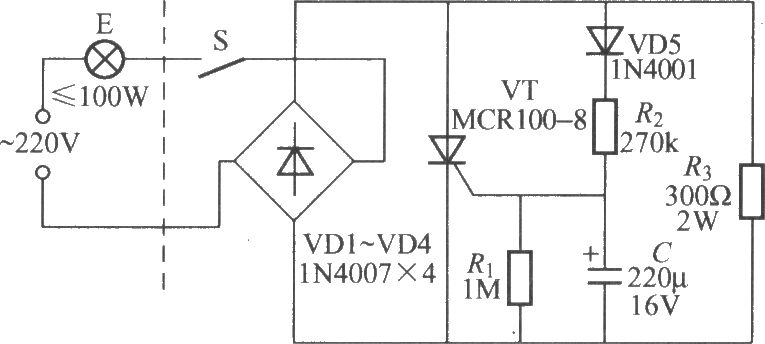
Схема сумеречного выключателя на тиристоре MCR 100-8 и фоторезисторе ФСК-1 Схемо
Mcr100 6 схема включения
Norma FIL-40, устанавливаю светосинхронизатор - Импульсный свет в фотографии
Mcr100 6 схема включения
Interruptor SCR (Conecta y Desconecta) (CIR070S)
Mcr100 6 схема включения
Light control street lamp circuit using MAX837 - LED_and_Light_Circuit - Circuit
Mcr100 6 схема включения
Mcr100 6 схема включения
Mcr100 6 схема включения
Mcr100 6 схема включения
Mcr100 6 схема включения
Mcr100 6 схема включения
Mcr100 6 схема включения
Форум РадиоКот * Просмотр темы - тиристор + ик сенсор
Mcr100 6 схема включения
Mcr100 6 схема включения
Mcr100 6 схема включения
Макровспышка с минимальными затратами - Импульсный свет в фотографии
Mcr100 6 схема включения
Здравствуйте. Нашёл такую схему регулятора паяльника и появилось несколько вопро
Mcr100 6 схема включения
MCR100-6 PDF Datasheet, Equivalent Part Search
Mcr100 6 схема включения
Simple light-operated street lamp circuit diagram(2) - Control_Circuit - Circuit
Mcr100 6 схема включения
Акустический выключатель схема - Форум радиолюбителей
Mcr100 6 схема включения
Характеристики модели MCR100-8 транзистор (5 шт.) TO92 аналог DCR100-8 схема EC1
Mcr100 6 схема включения
Mcr100 6 схема включения
Mcr100 6 схема включения
MCR100-6 Silicon Controlled Rectifiers low power mosfet high voltage power mosfe
Mcr100 6 схема включения
Mcr100-6 Om-92 Mcr100 Transistor Mrc100 6 Mcr100-8 Transistor Bt131-600 Transist
Mcr100 6 схема включения
MCR100-6 Datasheet Weitron pdf data sheet FREE from www.radioradar.net
Mcr100 6 схема включения
Понижающий преобразователь DC-DC XL4015 5А Step Down - купить в Красноярске. Сос
Mcr100 6 схема включения
MCR100-6_4111578.PDF Datasheet Download --- IC-ON-LINE
Mcr100 6 схема включения
Допустимое напряжение на башмаке вспышки с CTR-301P ? - Импульсный свет в фотогр
Mcr100 6 схема включения
MCR100-6 SCR 400V 0.8A TO-92 Blocking Voltage to 400V 0.8A, Reverse Blocking Thy
Mcr100 6 схема включения
Простые схемы с/синхронизаторов SYK-3, Kaizer, Nissin, СФ-3 - Страница 3 - Импул