Смотреть видео: La76810a схема включения микросхема

The typical application circuit of LA76810 IC - Basic_Circuit - Circuit Diagram
Pin by Lwambaleon on Electronics components Electronics components, Sheet music,
FOR PAL/NTSC COLOR TELEVISION SETS VIF/SIF/Y/C/DEFLECTION /CBCR IN IMPLEMENTED I
La76810a схема включения
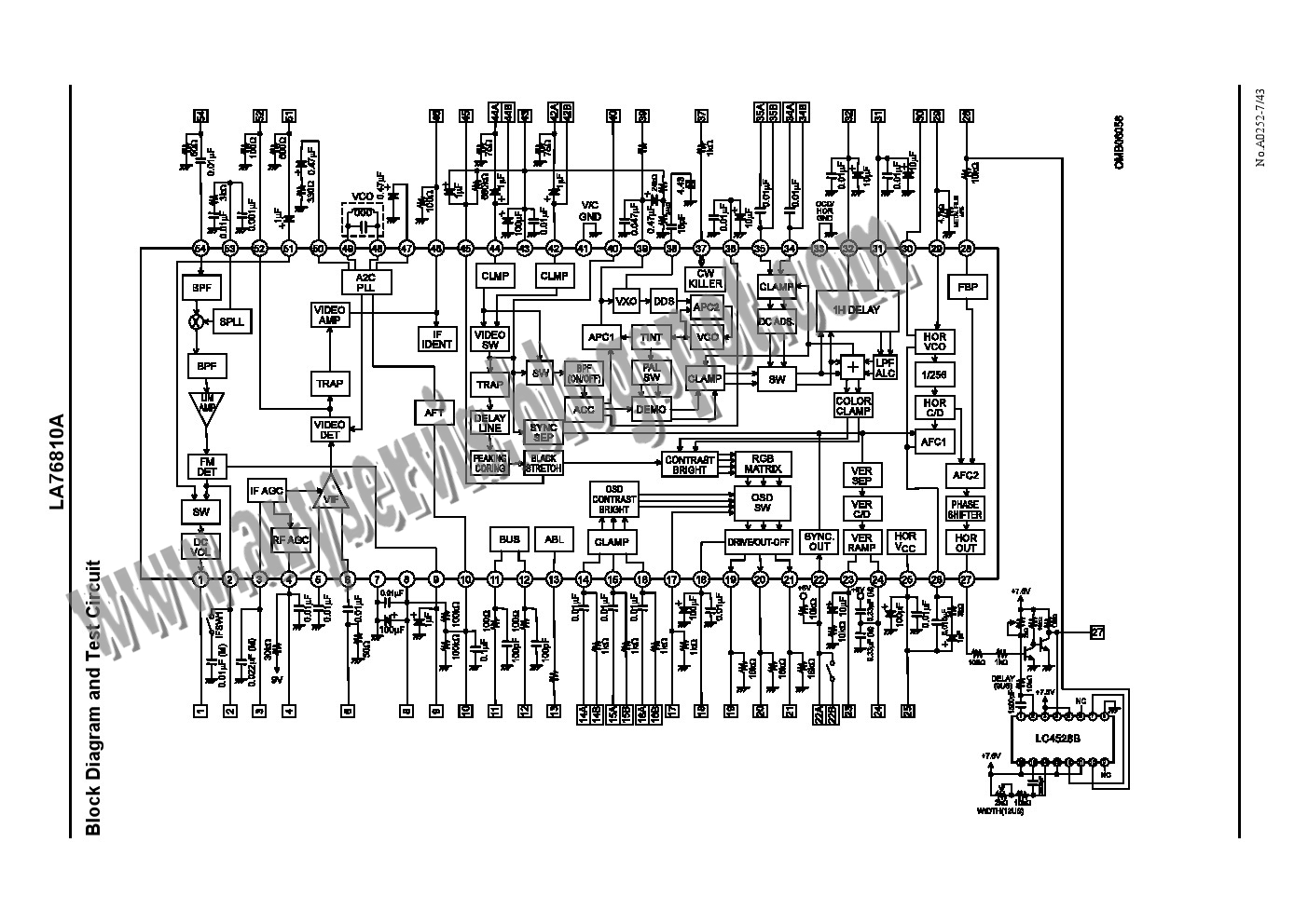
76810 Ic Circuit Diagram
La76810a схема включения
76810 Ic Circuit Diagram
DATA PIN IC LA76810 - DATA PIN IC LA76818 ELECTRONIC SOLUTION
CHINA KONKA LA4285LC863328ALA76810LA76820LA7840TDA4605 Service Manual download,
Описание замены трубки и реализации Rgb видеовхода в мониторе Tvs 17" Ch-17dxa -
CHINA CE-5423-2SC4236-LC863320-5W63-LA76810A-LA4425-LA7841 E waste recycling, El
La76810A Pin Diagram / Kumpulan Data Pin Out Ic Micom Jungle Gambar Skema Ilmu L
TV Platinium 54NX (Chassis 3y011) csatornavaltorol szemcses-AV-rol sorszinkron h
Tda9381ps схема телевизора
TV LG CF21D33E не включается из дежурного режима :data-chip.ru
Tda9381ps схема телевизора
CHINA 21K23 - CHT0406 , LA76810 , LA7840 - TV D Service Manual download, schemat
Ответы Mail.ru: Не могу найти схему на телевизор Orion T2567MJ. Кто поможет? Зар
Vestel VR5465TF Нет импульсов запуска :data-chip.ru
La76810a схема включения
CHINA TD19 LA8633XX,LA76810 TV D SCH Service Manual download, schematics, eeprom
Toshiba hay 26 8891cscng6v12 схема
PANDA C54P2NB - M37210M3-508GP , TA7698AP , TDA2030 - TV D SCH Service Manual do
Yuk Lihat Skema Tv China Ic La76810a Terlengkap Catatan Luhung
XOCECO 32HE42 POWER SUPPLY SCH Service Manual download, schematics, eeprom, repa
TDA8362 Datasheet - Integrated TV Processor - Philips
LG CT-21Q92KEX шасси MC-019A пропал звук Электроника - это просто
EASTKIT TN2192 PLUS - LC863328A-5S15 , LA76810 , LA7840 , TD SCH Service Manual
La76810a схема включения
EASTKIT TN2922TDD - LC8633XX , LA76810 , LA7841 , CD1013 - T SCH Service Manual
EASTKIT TN2952AE - LA76810 , TDA1013B , LA7845 - TV D SCH Service Manual downloa
Случаи из практики ремонта ERISSON
an7133n - 285.00p. купить
Контент KondratTT - Форум по радиоэлектронике
Схемы LA4631 in 2020 Amplifier, Electronic schematics, Power amplifiers
Форум РадиоКот * Просмотр темы - Какая микросхема относится к строчной развертки
Микросхема LA9215 - стерео предусилитель НЧ и стабилизатор ЦАП
Схемы подключения микросхемы
74814jg00a на схеме - 91 фото
Телевизор вест. Изображение по центру экрана полосой, при нагреве через время ст