Смотреть видео: Fan6754mr схема блока питания

Fan7602 - Basanova.ru
97+ Stunning house plan grid paper Voted By The Construction Association
FAN6754 .VIPER17L - Схемы БП LCD, PDP TV - KenotronTV
FAN6754MR схема блока питания - RadioRadar
Форум РадиоКот * Просмотр темы - Как совместить ИИП и линейный
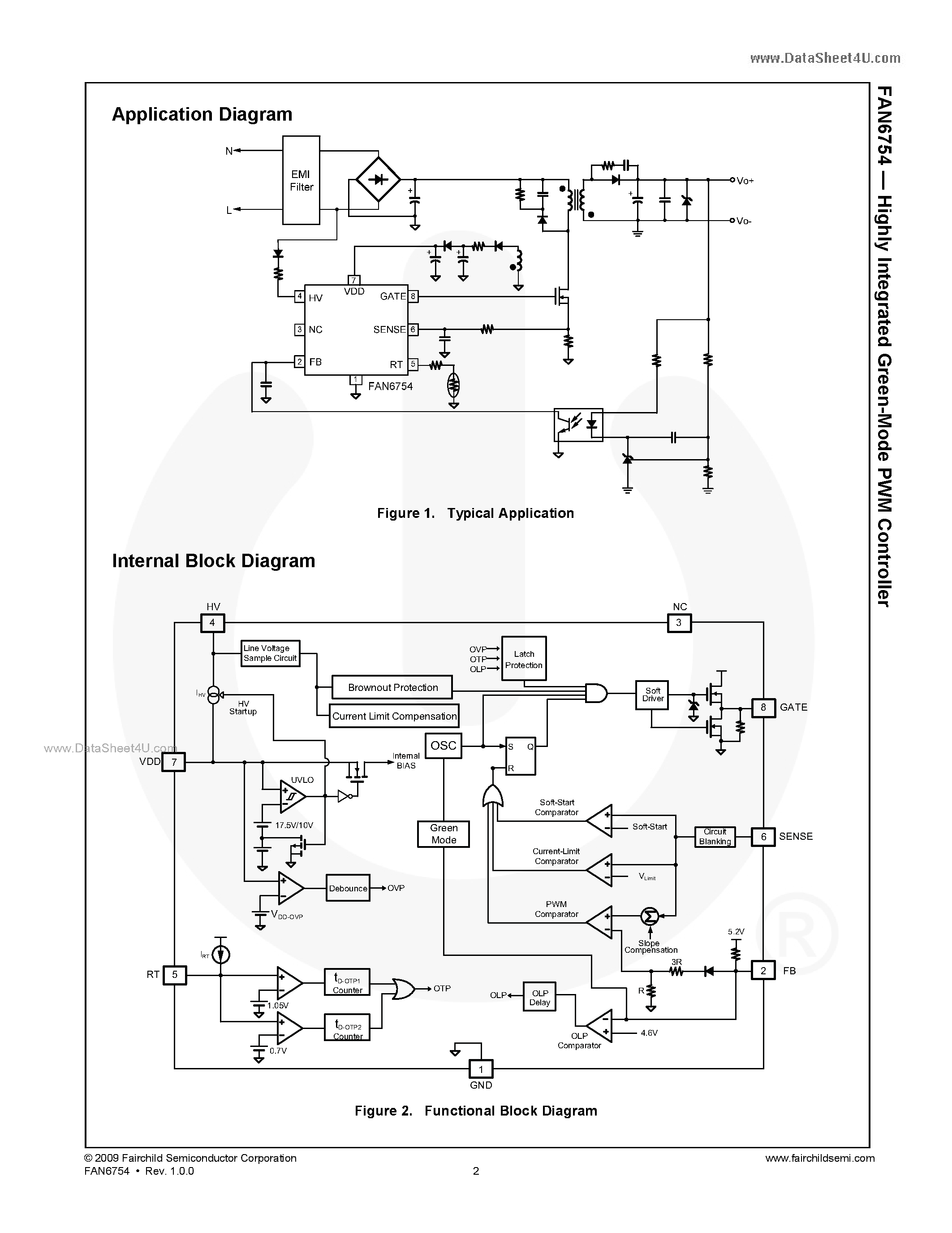
FAN6754 даташит Fairchild Semiconductor техническое описание радиодетали, Highly
6754MR Datasheet, 6754MR PDF, Pinouts, Circuit - Fairchild Semiconductor
VRTP - Помогите с ремонтом блока питания ноутбука
SG6742 SG6742 - Все для ремонта электроники
Лабораторный БП - LМ2576-Adj на ИИП - Импульсные источники питания, инверторы -
Блок Питания Из "видика" - Импульсные источники питания, инверторы - Форум по ра
Переделка зарядного Dewalt DCB112 (12-18 V Max) на 220в - Страница 4 - Форум
Pin on 123 Diagram, Sms, Floor plans
Схема блока питания KM60-8M на UC3843 Принципиальная схема, Электронная схема, Э
Ответы Mail.ru: Мастерам. Импульсный бп, схема PFC . Сгорел полевик.
LD7750RGR - Справочник по микросхемам
Контент azim282 - Форум по радиоэлектронике
Компьютерный источник питания на микросхемах TOP249Y и TNY266P компании Power In
STR11006 - Справочник по микросхемам
ШИМ SG6841 - краткое описание, блок схема, логика работы
Переделка Mean Well PT-65D - Страница 2 - Форум радиолюбителей
Блок питания ASUS ADP-90CD DB - DRIVE2
Cm6901x - Basanova.ru
Контент exhalace - Форум по радиоэлектронике
Блок питания цифрового ресивера. rdb -502n Прошу помощи. Elettronica, Alimenti
Форум РадиоКот * Просмотр темы - Ремонт и переделка импульсника на 3842
Увлажнитель воздуха Leberg LH19 не включается Ремонт Лайфхаки по ремонту электро
R hs050l 3hf01 схема блок питания - 95 фото
ИМПУЛЬСНЫЙ ИСТОЧНИК ПИТАНИЯ НА 12...24 Вт Электроника, Электротехника, Принципиа
Изготовление блока питания своими руками, схема регулятора напряжения В. Сантехм
Контент Alloha - Форум по радиоэлектронике
ИМПУЛЬСНЫЙ ИСТОЧНИК ПИТАНИЯ НА 12...24 Вт Электроника, Электротехника, Принципиа
Контент Alexu007 - Страница 6 - Форум по радиоэлектронике
Pin by Zn on Elektronika Electronic schematics, Amper, Power
Контент FOLKSDOICH - Страница 94 - Форум по радиоэлектронике
Fan6754mr схема блока питания - 98 фото
Схема блока питания Delta ADP-40MH BDA, вариант № 2 Радиолюбитель, Электронная с
Блок питания к ноутбуку EXA0904YH (ремонт) Ремонт торговой электронной техники
Контент Крашер - Страница 157 - Форум по радиоэлектронике
Ответы Mail.ru: Доброе время суток. Помогите, нужна схема монитора acer v193w IL