Смотреть видео: As339p e1 схема блока питания

Форум РадиоКот * Просмотр темы - Лабораторный БП из AT/ATX или серьёзная схема.
Блок питания FOX ATX-450W СервисКомп форум по ремонту радиоэлектронной аппаратур
Переделка компьютерного БП АТ - Страница 2 - Falconist. Мемуары - Форум по радио
Baza_Shem_RU - Справочник по електронике
AS338-12 Selling Leads, Price trend, AS338-12 DataSheet download, circuit diagra
Ответы Mail.ru: помогите с переделкой БП в регулируемый блок питание
Второй вариант лабораторного блока питания из БП ATX - "Электрика" на DRIVE2
Схемы блоков питания ATX libixur Мой блог designinte.com
at_psu_1.gif (1000 × 733)
SevenTeam ST-200HRK Электронная схема, Схемотехника, Принципиальная схема
Контент nigmas - Страница 19 - Форум по радиоэлектронике
Блок питания atx 450pnr схема
WASP.kz - Статьи: HuntKey LW-6450SH обзор и разборка блока питания
As339p e1 схема включения
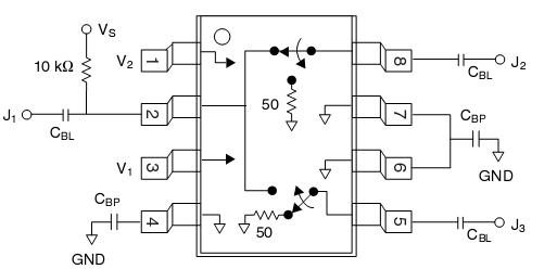
AS339M-E1 Datasheet PDF - BCD Semiconductor
Переделка компьютерного ATX блока питания в регулируемый - Лаборатория доктора Т
bp-atx-5- Power supply circuit, Computer power supplies, Electronics circuit
Microlab m atx 350w схема - Распиновки.ру
Блок питания для нагреваемого стола из блока питания ATX POWERMAN IP-S350A3-0
Форум РадиоКот * Просмотр темы - Лабораторный БП из AT/ATX или серьёзная схема.
Cхемы компьютерных блоков питания ATX - Diodnik Esquemas electrónicos, Esquemas
Форум РадиоКот * Просмотр темы - Переделка БП в лабораторный, codegen 300x
Импульсное зарядное стартерных аккумуляторов - Страница 30 - Форум радиолюбителе
Схема переделки компьютерного блока питания на микросхеме TL494, KA7500 в зарядн
m-atx-360w1.gif - Бесплатный хостинг для фото и изображений
Форум РадиоКот * Просмотр темы - БП из деталей ATX проблема стабилизации тока
Форум РадиоКот * Просмотр темы - Переделка БП MPS-8804 под зарядное
Радиосхемы. - Блок питания ATX-400W схема
Схемы блоков питания и не только.
VRTP - Мощный БП на основе компьютерного
Схемы блоков питания и не только.
Зарядное устройство из БП АТХ - Volvo 440, 1,7 л, 1990 года аксессуары DRIVE2
Зарядное из компьютерного блока питания. อ เ ล ก ท ร อ น ก ส
Форум РадиоКот * Просмотр темы - Лабораторный БП из AT/ATX или серьёзная схема.
FSP145-60SP схема Electronic circuit projects, Atx, Diagram
Zdroje PC Crossword puzzle, Crossword, Diagram
Форум РадиоКот * Просмотр темы - Схема БП с pccar.ru для питания компьютера в ав
Контент VKimport - Страница 666 - Форум по радиоэлектронике
Fonte ATX iMBP-250-ATXAW sem PG (power ok) - Fontes No-Breakes - EletrônicaBR.co
iso-450pp14.gif - Бесплатный хостинг для фото и изображений