Смотреть видео: 6п3с 6н9с усилитель однотактный схема

Форум РадиоКот :: Просмотр темы - Ламповый усилитель начального уровня
6П41С усилитель однотактный: 6П41С выходной лучевой тетрод для лампового усилите
SE УНЧ на 6Н9С и 6П6С
Red-Resistor.ru - Ламповый усилитель на 6П2C
Мой ламповый УМ.
Замена лампы 6П13С на 6П6С... - Ламповые усилители, ламповые схемы и проекты - Ф
Контент Василичь - Страница 85 - Форум по радиоэлектронике
Ламповый усилитель для компьютера на 6П6С - Ламповые усилители, ламповые схемы и
Форум РадиоКот :: Просмотр темы - Ламповый усилитель начального уровня
Ответы Mail.ru: как заменить дроссель?
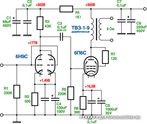
Ламповые усилители реальность и иллюзии - Форум onliner.by
Разводка Земли в корпусе транзисторного УНЧ - Форумы сайта "Отечественная радиот
Мой первый ламповый усилитель - двухтакт на 6П3С-Е. Запуск, настройка, хитрости
6Р3С 1 усилитель однотактный: 63-1 69 2- ( , 6,75W ) - Производство и поставка э
Неактивно
Печатная плата РР по схеме А. Манакова " МАТЮШИН.COM
Ответы Mail.ru: Это правильная схема усилителя на лампе 6п42с?
Форум творческих людей - Показать сообщение отдельно - Двухтактник на 6П6С
Пин на доске Усилитель
Сколько должен стоить "ламповый звук"? - Страница 24 - Форумы сайта "Отечественн
Контент alawar - Страница 11 - Форум по радиоэлектронике
Двухтактный ламповый усилитель Манакова, схема на 6П3С/EL34 Усилитель, Печатная
Ламповый усилитель от Василича, делаем сами - Страница 58 - Ламповая техника - Ф
Чуть чуть теплого, лампового =) - DRIVE2
Ламповые усилители, это неплохо. Добавим здравого смысла, часть2 paseka24.ru Уси
Лампа 6с4с: //www') + '.google-analytics.com/ga.js'; var s = document.getElement
ткните носом в схему двухтактного усилителя на 6п1п ... - Форумы сайта "Отечеств
ЛАМПОВЫЙ УСИЛИТЕЛЬ делаем сами - Страница 699 - ВТОРАЯ ЖИЗНЬ СТАРОГО РАДИО
Стереофонический двухтактный усилитель на лампах 6П6С
Ламповый усилитель от Василича, делаем сами - Страница 236 - Ламповая техника -
Переделка усилителя "Ломо 90У-2" под гитарные нужды - Страница 5 - Ламповые усил
Схема двухтактного лампового усилителя на 6п3с: Схема усилителя на 6П3С, 6П3С-Е
Пин от пользователя William Gilchrist на доске Electronics Усилитель, Электроник
verticale Calunnia spericolato 6г2 лампа Addensare Granchio Indulgere
Ламповый усилитель от Василича, делаем сами - Страница 170 - Ламповая техника -
Фотогалерея ламповых усилителей и их конструктивов - Страница 69 - Ламповая техн
Форум РадиоКот * Просмотр темы - Ламповый усилитель начального уровня
Какое Напряжение У Первого Лампового Телевизора - Weowerg.ru
Ламповый усилитель на 6П6С и трансформаторах Hammond - RadioLamps (с изображения
Hello everyone. Guys, I haven't had to deal with kenotronics. Canon 5c3s. Do you