Смотреть видео: 1252a схема блока питания

1252а схема блока питания
NCP1252: PWM Controller, Current Mode, for Forward and Flyback Applications
Помогите! Подскажите! Help! - Страница 409 - Песочница (Q&A) - Форум по радиоэле
Форум РадиоКот * Просмотр темы - БП на NCP1055
1252а схема блока питания
Форум РадиоКот * Просмотр темы - Подскажите схему импульсного блока питанияTL494
ITLab, сервисный центр на проспекте Победы в Курске
Контент khach - Страница 20 - Форум ELECTRONIX
Не работает БП в телевизоре TECHNO TS-LCD-2005
Tool Electric: Импульсный блок питания 2х35 вольт на UC3844
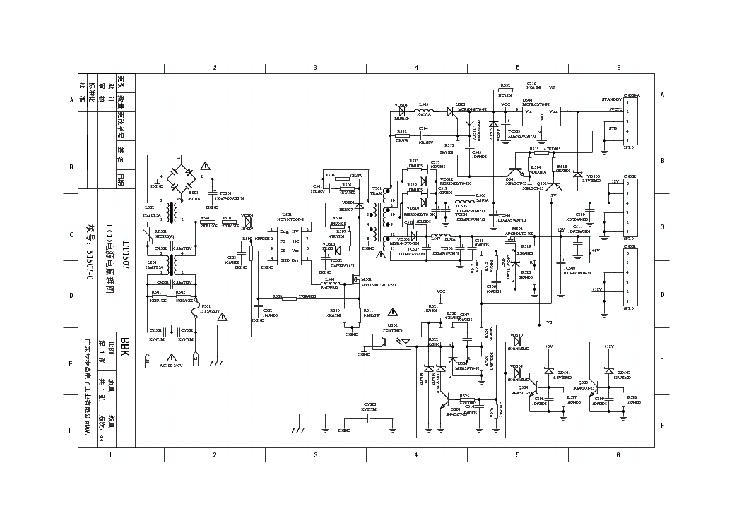
DEX LT1507 LCD SCH Service Manual download, schematics, eeprom, repair info for
Electro help: EAY3280890 - PLASMA TV SMPS SCHEMATIC - MC80F308, NCP1653A, NCP121
Импульсный источник питания (SMPS) 3-60V 40A Switched mode power supply, Power s
Мощный Источник Питания На 115 В - Страница 2 - Сварочные аппараты и мощные сете
Контент azim282 - Форум по радиоэлектронике
Схемы и печатные платы блоков питания на микросхемах UC3842 и UC3843. Радиотехни
Микросхемы маломощного высоковольтного ШИМ-преобразователя ТЕА152х - Оригинальны
БП у Dune Prima - Страница 5 - Dune (медиаплееры, прошивки, FAQ) - HDTV форум
1252а схема блока питания
Ремонт импульсных блоков питания сетевых коммутаторов, схемы, принцип работы и о
Reverse Engineered Schematics Electronic schematics, Power supply circuit, Switc
UAA4006 шим контроллер для импульсных блоков питания, цоколовка, типовая схема в
ИМПУЛЬСНЫЙ ИСТОЧНИК ПИТАНИЯ НА 12...24 Вт Электроника, Электротехника, Принципиа
Схема erf2000p 01 a
ИПБ на транформаторе POL15073 - Форум про радио
Схема блока питания KM60-8M на UC3843 Принципиальная схема, Электронная схема, Э
SW2604
at_psu_1.gif (1000 × 733)
500 Ватт импульсный блок питания для аудиоусилителей Power supply circuit, Audio
Форум РадиоКот * Просмотр темы - Мелкие вопросы по питанию.
Форум РадиоКот * Просмотр темы - Мелкие вопросы по питанию.
Зарядное устройство из любого БП компьютера - Lada 21099, 1,5 л, 2000 года элект
Регулируемый блок питания 2,5-24в из БП компьютера
Блок питания B2L060ESB ECOLA пульсирует напряжение Ремонт Лайфхаки по ремонту эл
Ответы Mail.ru: Нужно понизить напряжение в БП ATX
Ответы Mail.ru: Чем заменить микросхему lp3792 в блоке питания
Традиционная схема блока питания на UC3843 Circuit diagram, Electronic schematic
L6562 - Справочник по микросхемам
Переделываем компьютерный БП ATX с любым шим-контроллером в регулируемый по напр
Схема JNC SY-300ATX Electronic circuit projects, Circuit diagram, Electronics ci